LEMON Manuals: Even more car manuals for everyone
Home >> Subaru >> 2022 >> Forester Base >> Repair and Diagnosis >> Engine Performance >> System >> Engine Control System (Diagnostics) (2 Of 4) >> Diagnostic Procedure with Diagnostic Trouble Code (DTC) >> DTC P0616: Starter Relay "A" Circuit Low >> Notes

DTC P0616: Starter Relay "A" Circuit Low: Notes

  1. DTC detecting condition: 

    Immediately at fault recognition

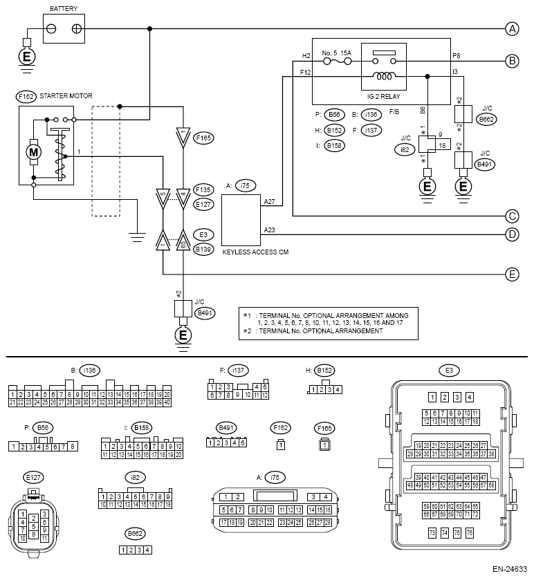
    Wiring diagram: 

    Engine Electrical System Ref. to WIRING SYSTEM>ENGINE ELECTRICAL SYSTEM .

    • Model without push button start
    G13589230Courtesy of SUBARU OF AMERICA, INC.
    G13891323Courtesy of SUBARU OF AMERICA, INC.
    • Model with push button start
    G14412202Courtesy of SUBARU OF AMERICA, INC.
    G14412185Courtesy of SUBARU OF AMERICA, INC.
    CAUTION: Use the check board when measuring the ECM terminal voltage and resistance. Ref. to ENGINE (DIAGNOSTICS) (H4DO)>GENERAL DESCRIPTION>PREPARATION TOOL>HOW TO USE CHECK BOARD .
    NOTE: After the faulty parts are repaired or replaced, perform the final check in Basic Diagnostic Procedure. Ref. to ENGINE (DIAGNOSTICS) (H4DO)>BASIC DIAGNOSTIC PROCEDURE>PROCEDURE .
    1. CHECK HARNESS BETWEEN ECM AND M/B (STARTER RELAY) (OPEN)  .
      1. Turn the ignition switch to OFF.
      2. Disconnect the connector from ECM.
      3. Remove the starter relay.
      4. Measure the resistance of harness between ECM connector and M/B (starter relay) terminal No. 3.

        Connector & terminal (B134) No. 27 - No. 3: 

      Is the resistance less than 1 ft?

      Yes  : Go to  2.

      No  : Repair the open circuit of harness between ECM connector and M/B (starter relay).

    2. CHECK HARNESS BETWEEN ECM AND M/B (STARTER RELAY) (SHORT TO GROUND)  .
      1. Disconnect the connector from starter motor.
      2. Measure the resistance between the ECM connector and engine ground.

        Connector & terminal 

        (B134) No. 27 - Engine ground:

      Is the resistance 1 MΩ or more?

      Yes  : Repair the poor contact of ECM connector.

      No  : Repair the short circuit to ground in harness between ECM connector and M/B (starter relay).