LEMON Manuals: Even more car manuals for everyone
Home >> Subaru >> 2022 >> Forester Base >> Repair and Diagnosis >> Engine Performance >> System >> Engine Control System (Diagnostics) (1 Of 4) >> Diagnostic Procedure with Diagnostic Trouble Code (DTC) >> DTC P0117 Engine Coolant Temperature Sensor 1 Circuit Low >> Notes

DTC P0117 Engine Coolant Temperature Sensor 1 Circuit Low: Notes

  1. DTC detecting condition: 

    Immediately at fault recognition

    Trouble symptom: 

    • Hard to start
    • Improper idling
    • Poor driving performance

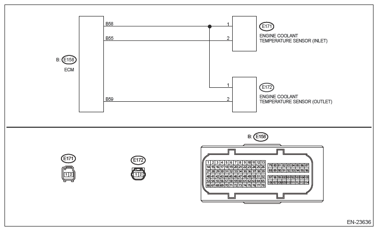
    Wiring diagram: 

    Engine Electrical System Ref. to WIRING SYSTEM>ENGINE ELECTRICAL SYSTEM .

G14412085
CAUTION: Use the check board when measuring the ECM terminal voltage and resistance. Ref. to ENGINE (DIAGNOSTICS) (H4DO)>GENERAL DESCRIPTION>PREPARATION TOOL>HOW TO USE CHECK BOARD .
NOTE: After the faulty parts are repaired or replaced, perform the final check in Basic Diagnostic Procedure. Ref. to ENGINE (DIAGNOSTICS) (H4DO)>BASIC DIAGNOSTIC PROCEDURE>PROCEDURE .
  1. CHECK DATA MONITOR  .
    1. Start the engine.
    2. Using the Subaru Select Monitor, read the value in [Engine Coolant Temperature 1].
      NOTE: For detailed operation procedures, refer to "Common (Diagnostics)". Ref. to COMMON (DIAGNOSTICS)>DATA MONITOR .

    Is the value of [Engine Coolant Temperature 1] 120°C (248°F) or more?

    Yes  : Go to  2.

    No  : Even if DTC is detected, the circuit has returned to a normal condition at this time.

    Reproduce the failure, and then perform the diagnosis again.

    NOTE: In this case, temporary poor contact of connector, temporary open or short circuit of harness may be the cause.
  2. CHECK HARNESS BETWEEN ECM AND ENGINE COOLANT TEMPERATURE SENSOR (OUTLET) CONNECTOR (SHORT CIRCUIT TO GROUND)  .
    1. Turn the ignition switch to OFF.
    2. Disconnect the connector from ECM.
    3. Disconnect the connectors from the engine coolant temperature sensor (outlet).
    4. Measure the resistance between the ECM connector and engine ground.

      Connector & terminal 

      (E158) No. 59 - Engine ground:

    Is the resistance 1 MΩ or more?

    Yes  : Replace the engine coolant temperature sensor (outlet). Ref. to FUEL INJECTION (FUEL SYSTEMS) (H4DO)>ENGINE COOLANT TEMPERATURE SENSOR .

    No  : Repair the short circuit to ground in harness between ECM connector and engine coolant temperature sensor (outlet) connector.