LEMON Manuals: Even more car manuals for everyone
Home >> Subaru >> 2022 >> Forester Base >> Repair and Diagnosis >> Engine Performance >> System >> Engine Control System (Diagnostics) (1 Of 4) >> Diagnostic Procedure with Diagnostic Trouble Code (DTC) >> DTC P0116 Engine Coolant Temperature Sensor 1 Circuit Range/Performance >> Notes

DTC P0116 Engine Coolant Temperature Sensor 1 Circuit Range/Performance: Notes

  1. DTC detecting condition: 

    Detected when two consecutive driving cycles with fault occur.

    Trouble symptom: 

    • Hard to start
    • Improper idling
    • Poor driving performance

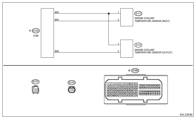
    Wiring diagram: 

    Engine Electrical System Ref. to WIRING SYSTEM>ENGINE ELECTRICAL SYSTEM .

G14412083
CAUTION: Use the check board when measuring the ECM terminal voltage and resistance. Ref. to ENGINE (DIAGNOSTICS) (H4DO)>GENERAL DESCRIPTION>PREPARATION TOOL>HOW TO USE CHECK BOARD .
NOTE: After the faulty parts are repaired or replaced, perform the final check in Basic Diagnostic Procedure. Ref. to ENGINE (DIAGNOSTICS) (H4DO)>BASIC DIAGNOSTIC PROCEDURE>PROCEDURE .
  1. CHECK DTC  .
    1. Turn the ignition switch to ON.
    2. Using the Subaru Select Monitor or a general scan tool, read the DTC of [Engine]. Ref. to COMMON (DIAGNOSTICS)>DIAGNOSTIC TROUBLE CODE (DTC) .

    Is DTC other than P0116 displayed? (Current code)

    Yes  : Check the appropriate DTC using the "Diagnostic Trouble Code (DTC)". Ref. to ENGINE (DIAGNOSTICS) (H4DO)>DIAGNOSTIC TROUBLE CODE (DTC) .

    No  : Go to  2.

  2. CHECK ENGINE COOLANT TEMPERATURE SENSOR (OUTLET)  .
    1. Turn the ignition switch to OFF.
    2. Disconnect the connectors from the engine coolant temperature sensor (outlet).
    3. Measure the resistance between engine coolant temperature sensor (outlet) terminals when the engine is cold and after warmed up.

      Terminals 

      No. 1 - No. 2:

    Is the resistance of engine coolant temperature sensor (outlet) different between when engine coolant is cold and after warmed up?

    Yes  : Repair the poor contact of ECM connector.

    No  : Replace the engine coolant temperature sensor (outlet). Ref. to FUEL INJECTION (FUEL SYSTEMS) (H4DO)>ENGINE COOLANT TEMPERATURE SENSOR .