LEMON Manuals: Even more car manuals for everyone
Home >> Subaru >> 2022 >> Forester Base >> Repair and Diagnosis >> Engine Performance >> Engine Control Systems >> Auto Start Stop System (Diagnostics) >> Diagnostic Procedure with Diagnostic Trouble Code (DTC) >> DTC P1580: Starter Relay Diagnosis Circuit >> Notes

DTC P1580: Starter Relay Diagnosis Circuit: Notes

1. - 

DTC detecting condition: 

Detected when two consecutive driving cycles with fault occur.

Trouble symptom: 

Auto Start Stop does not operate.

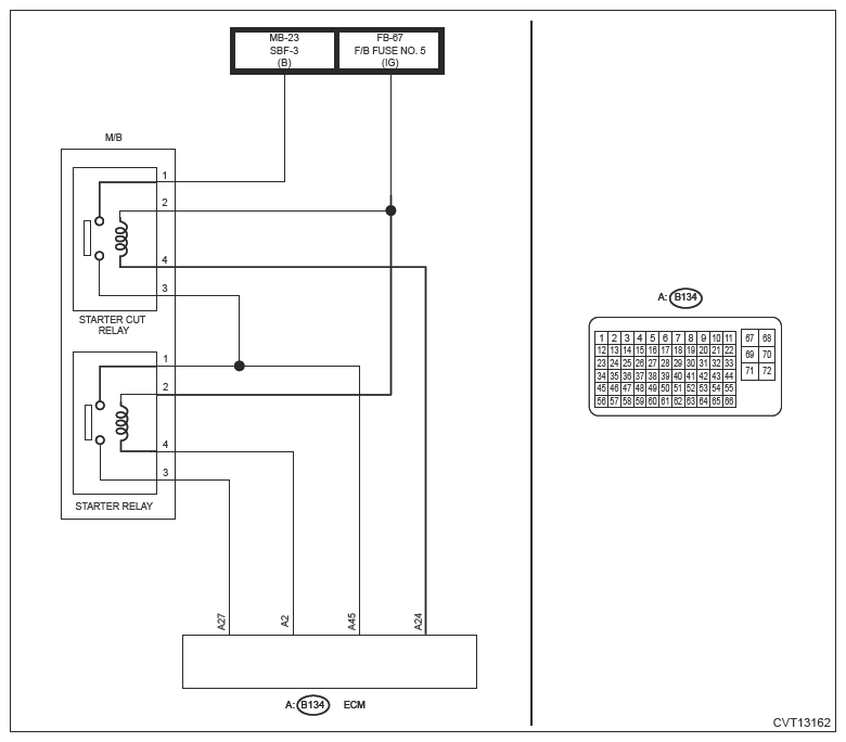
Wiring diagram: 

Auto Start Stop Ref. to WIRING SYSTEM>AUTO START STOP .

G14414930Courtesy of SUBARU OF AMERICA, INC.
CAUTION:
  1. CHECK DATA MONITOR  .
    1. Turn the ignition switch to ON.
    2. Read the data of [Starter Relay Diagnosis A/D Value] in [Engine] using Subaru Select Monitor. Ref. to ENGINE (DIAGNOSTICS) (H4DO)>DATA MONITOR .

    Is the value of [Starter Relay Diagnosis A/D Value] less than 2 V?

    Yes  : Go to  2.

    No  : Go to  6.

  2. CHECK STARTER RELAY  .
    1. Turn the ignition switch to OFF.
    2. Remove the starter relay.
    3. Measure the resistance between starter relay terminals.

      Terminals 

      No. 1 - No. 3:

    Is the resistance less than 1 Ω?

    Yes  : Replace the starter relay.

    No  : Go to  3.

  3. CHECK HARNESS BETWEEN STARTER RELAY AND ECM CONNECTOR  .
    1. Disconnect the ECM connector.
    2. Measure the resistance between ECM connector and chassis ground.

      Connector & terminal 

      (B134) No. 2 - Chassis ground:

    Is the resistance 1 MΩ or more?

    Yes  : Go to  4.

    No  : Repair the short circuit to ground in harness between starter relay and ECM connector.

  4. CHECK OUTPUT SIGNAL OF ECM  .
    1. Install the starter relay.
    2. Turn the ignition switch to ON.
    3. Measure the voltage between ECM connector and chassis ground.

      Connector & terminal 

      (B134) No. 2 (+) - Chassis ground (-):

    Is the voltage 12 V or more?

    Yes  : Go to  5.

    No  : Check for poor contact of ECM connector. Replace the ECM if no fault is found. Ref. to FUEL INJECTION (FUEL SYSTEMS) (H4DO)>ENGINE CONTROL MODULE (ECM) .

  5. CHECK HARNESS BETWEEN STARTER RELAY AND STARTER CUT RELAY AND ECM CONNECTOR  .
    1. Turn the ignition switch to OFF.
    2. Measure the resistance between ECM connector and chassis ground.

      Connector & terminal 

      (B134) No. 45 - Chassis ground:

    Is the resistance 1 MΩ or more?

    Yes  : Check for poor contact of ECM connector. Replace the ECM if no fault is found. Ref. to FUEL INJECTION (FUEL SYSTEMS) (H4DO)>ENGINE CONTROL MODULE (ECM) .

    No  : Repair the short circuit to ground in harness between starter relay or starter cut relay and ECM connector.

  6. CHECK DATA MONITOR  .
    1. Turn the ignition switch to ON.
    2. Read the data of [Starter Relay Diagnosis A/D Value] in [Engine] using Subaru Select Monitor. Ref. to ENGINE (DIAGNOSTICS) (H4DO)>DATA MONITOR .

    Is [Starter Relay Diagnosis A/D Value] 10 V or more?

    Yes  : Go to  7.

    No  : Go to  11.

  7. CHECK STARTER CUT RELAY  .
    1. Turn the ignition switch to OFF.
    2. Remove the starter cut relay.
    3. Measure the resistance between starter cut relay terminals.

      Terminals 

      No. 1 - No. 3:

    Is the resistance less than 1 Ω?

    Yes  : Replace the starter cut relay.

    No  : Go to  8.

  8. CHECK HARNESS BETWEEN STARTER RELAY AND ECM CONNECTOR  .
    1. Disconnect the ECM connector.
    2. Measure the resistance between ECM connector and chassis ground.

      Connector & terminal 

      (B134) No. 24 - Chassis ground:

    Is the resistance 1 MΩ or more?

    Yes  : Go to  9.

    No  : Repair the short circuit to ground in harness between starter cut relay and ECM connector.

  9. CHECK OUTPUT SIGNAL OF ECM  .
    1. Install the starter cut relay.
    2. Turn the ignition switch to ON.
    3. Measure the voltage between ECM connector and chassis ground.

      Connector & terminal 

      (B134) No. 24 (+) - Chassis ground (-):

    Is the voltage 12 V or more?

    Yes  : Go to  10.

    No  : Check for poor contact of ECM connector. Replace the ECM if no fault is found. Ref. to FUEL INJECTION (FUEL SYSTEMS) (H4DO)>ENGINE CONTROL MODULE (ECM) .

  10. CHECK HARNESS BETWEEN STARTER RELAY AND STARTER CUT RELAY AND ECM CONNECTOR  .
    1. Turn the ignition switch to ON.
    2. Measure the voltage between ECM connector and chassis ground.

      Connector & terminal 

      (B134) No. 45 (+) - Chassis ground (-):

    Is the voltage 12 V or more?

    Yes  : Repair the short circuit to power supply in harness between starter relay or starter cut relay and ECM connector.

    No  : Check for poor contact of ECM connector. Replace the ECM if no fault is found. Ref. to FUEL INJECTION (FUEL SYSTEMS) (H4DO)>ENGINE CONTROL MODULE (ECM) .

  11. CHECK DATA MONITOR  .
    1. Connect the ECM connector.
    2. Read the data of [Starter Relay Diagnosis A/D Value] in [Engine] using Subaru Select Monitor. Ref. to ENGINE (DIAGNOSTICS) (H4DO)>DATA MONITOR .
      NOTE: Read the data from Ignition switch ON to Engine being started.

    Does the [Starter Relay Diagnosis A/D Value] exceed 10 V?

    Yes  : The circuit has returned to a normal condition at this time. Reproduce the failure, and then perform the diagnosis again.

    NOTE: In this case, temporary poor contact of connector, temporary open or short circuit of harness may be the cause.

    No  : Go to  12.

  12. CHECK HARNESS BETWEEN M/B AND ECM CONNECTOR  .
    1. Disconnect the connector of ECM connector.
    2. Measure the resistance of harness between M/B and ECM connector.

      Connector & terminal 

      (M/B) Starter relay No. 4 - (B134) No. 2:

      (M/B) Starter cut relay No. 4 - (B134) No. 24:

    Is the resistance less than 1 Ω?

    Yes  : Check for poor contact of ECM connector. Replace the ECM if no fault is found. Ref. to FUEL INJECTION (FUEL SYSTEMS) (H4DO)>ENGINE CONTROL MODULE (ECM) .

    No  : Repair the open circuit of harness and poor contact of coupling connector between M/B and ECM connector.