LEMON Manuals: Even more car manuals for everyone
Home >> Subaru >> 2022 >> Forester Base >> Repair and Diagnosis (Single Page) >> Engine Performance >> Testing & Diagnosis >> Engine Control System (Diagnostics) (4 Of 4) >> Diagnostic Procedure with Diagnostic Trouble Code (DTC) >> DTC P24BA: EVAP System Leak Detection Pump Pressure Sensor Circuit Low >> Notes

DTC P24BA: EVAP System Leak Detection Pump Pressure Sensor Circuit Low: Notes

DTC detecting condition: 

Immediately at fault recognition

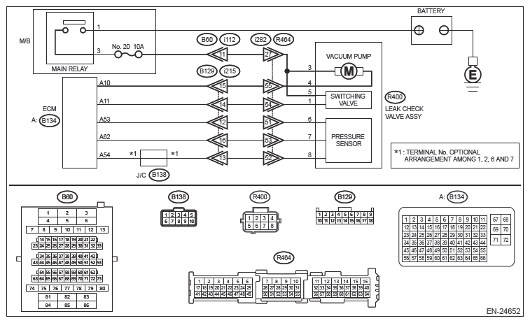
Wiring diagram: 

Engine Electrical System Ref. to WIRING SYSTEM>ENGINE ELECTRICAL SYSTEM .

G14414878Courtesy of SUBARU OF AMERICA, INC.
CAUTION: Use the check board when measuring the ECM terminal voltage and resistance. Ref. to ENGINE (DIAGNOSTICS) (H4DO)>GENERAL DESCRIPTION>PREPARATION TOOL>HOW TO USE CHECK BOARD .
NOTE: After the faulty parts are repaired or replaced, perform the final check in Basic Diagnostic Procedure. Ref. to ENGINE (DIAGNOSTICS) (H4DO)>BASIC DIAGNOSTIC PROCEDURE>PROCEDURE .
  1. CHECK DATA MONITOR  .
    1. Turn the ignition switch to ON.
    2. Using the Subaru Select Monitor, read the value in [Barometric Pressure].
      NOTE: For detailed operation procedures, refer to "Common (Diagnostics)". Ref. to COMMON (DIAGNOSTICS)>DATA MONITOR .

      Is the value in [Barometric Pressure] 34 kPa (255 mmHg, 10 inHg) or less?

      Yes  : Go to  2.

      No  : Even if DTC is detected, the circuit has returned to a normal condition at this time.

      Reproduce the failure, and then perform the diagnosis again.

      NOTE: In this case, temporary poor contact of connector, temporary open or short circuit of harness may be the cause.
  2. CHECK POWER SUPPLY OF LEAK CHECK VALVE ASSEMBLY  .
    1. Turn the ignition switch to OFF.
    2. Disconnect the connector from the leak check valve assembly.
    3. Turn the ignition switch to ON.
    4. Measure the voltage between the leak check valve assembly connector and chassis ground.

      Connector & terminal 

      (R400) No. 6 (+) - Chassis ground (-):

      Is the voltage 4.5 V or more?

      Yes  : Go to  3.

      No  : Repair the following item.

      • Open circuit in harness between ECM connector and the leak check valve assembly connector
      • Poor contact of ECM connector
      • Poor contact of coupling connector
  3. CHECK HARNESS BETWEEN ECM AND LEAK CHECK VALVE ASSEMBLY CONNECTOR (SHORT TO GROUND)  .
    1. Turn the ignition switch to OFF.
    2. Disconnect the connector from ECM.
    3. Measure the resistance between the ECM connector and engine ground.

      Connector & terminal 

      (B134) No. 62 - Engine ground:

      Is the resistance 1 MΩ or more?

      Yes  : Go to  4.

      No  : Repair the short circuit to ground in harness between ECM connector and leak check valve assembly connector.

  4. CHECK FOR POOR CONTACT  .

    Check for poor contact of leak check valve assembly connector.

    Is there poor contact in the leak check valve assembly connector?

    Yes  : Repair the poor contact in the leak check valve assembly connector.

    No  : Replace the leak check valve assembly. Ref. to EMISSION CONTROL (AUX. EMISSION CONTROL DEVICES) (H4DO)>LEAK CHECK VALVE ASSEMBLY .