LEMON Manuals: Even more car manuals for everyone
Home >> Subaru >> 2021 >> WRX Base >> Repair and Diagnosis (Single Page) >> Engine Performance >> System >> Engine Control System (Diagnostics) (2.0L) (4 Of 4) >> Diagnostic Procedure with Diagnostic Trouble Code (DTC) >> DTC P2101: Throttle Actuator "A" Control Motor Circuit Range/Performance >> Component Description

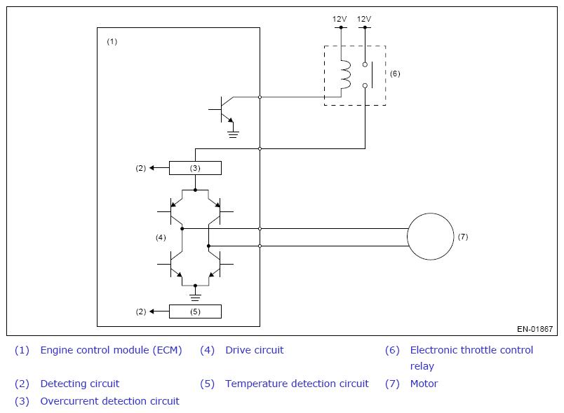
Component Description

G13650695Courtesy of SUBARU OF AMERICA, INC.