LEMON Manuals: Even more car manuals for everyone
Home >> Subaru >> 2021 >> WRX Base >> Repair and Diagnosis (Single Page) >> Engine Performance >> System >> Engine Control System (Diagnostics) (2.0L) (3 Of 4) >> Diagnostic Procedure with Diagnostic Trouble Code (DTC) >> DTC P1378: Pre-Ignition Detected >> Notes

DTC P1378: Pre-Ignition Detected: Notes

DTC detecting condition: 

Immediately at fault recognition

CAUTION:
NOTE: This DTC may be detected even if fault does not occur in the vehicle. If the customer does not ask for inspection, perform the clear memory mode without inspection and return the vehicle to the user.

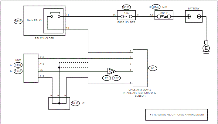
Wiring diagram: 

Engine Electrical System. Refer to WIRING SYSTEM>ENGINE ELECTRICAL SYSTEM>WIRING DIAGRAM .

G00600708Courtesy of SUBARU OF AMERICA, INC.
G00600709Courtesy of SUBARU OF AMERICA, INC.
G00600710Courtesy of SUBARU OF AMERICA, INC.
G00603311Courtesy of SUBARU OF AMERICA, INC.
  1. CHECK DTC. 

    Read the engine DTC using the Subaru Select Monitor or general scan tool.. Refer to ENGINE (DIAGNOSTICS) (W/O STI)>READ DIAGNOSTIC TROUBLE CODE (DTC) .

    Is other than DTC P1378 displayed? (Current malfunction)

    Yes:  Check DTC using "List of Diagnostic Trouble Code (DTC)".. Refer to ENGINE (DIAGNOSTICS) (W/O STI)>LIST OF DIAGNOSTIC TROUBLE CODE (DTC) .

    No:  Go to  2.

  2. CHECK PHENOMENON 

    For the result of the interview, check the problem of the following symptoms.

    • Engine startability
    • Rough idling
    • Misfire or insufficient power
    • Other symptom

    Can the malfunction symptom be confirmed?

    Yes:  Perform the diagnosis according to the phenomenon.

    No:  Go to  3.

  3. CHECK DTC 

    Read the engine DTC using the Subaru Select Monitor or general scan tool.. Refer to ENGINE (DIAGNOSTICS) (W/O STI)>READ DIAGNOSTIC TROUBLE CODE (DTC) .

    Is DTC P1378 displayed? (Current malfunction)

    Yes:  Go to  4.

    No:  Even if DTC is detected, it has returned to a normal condition at this time.

  4. CHECK FREEZE FRAME DATA 

    Read the engine freeze frame data using the Subaru Select Monitor or general scan tool. Refer to OPERATION .

    Is «Number of Pre-Ignition Control (Detection) Operating» 1 or more?

    Yes  : Go to  5.

    No:  Go to  16.

  5. CHECK IGNITION TIMING 
    1. Warm up the engine
    2. Using Subaru Select Monitor, select «Fixed Idle Ignition Timing» on the «Active Test» item, and fix the ignition timing at BTDC 10°. Refer to ACTIVE TEST .
    3. Using the timing light, check the actual ignition timing at BTDC 10°.

    Does the ignition timing match?

    Yes:  Go to  6.

    No  : Go to  11.

  6. CHECK MASS AIR FLOW AND INTAKE AIR TEMPERATURE SENSOR 
    1. Remove the mass air flow and intake air temperature sensor from the vehicle, and cool down to the compartment temperature. Refer to REMOVAL .
    2. Connect the mass air flow and intake air temperature sensor.
    3. Using Subaru Select Monitor, read the value of «IAT Sensor #11» in "Engine Current Data Display".

    Do the compartment temperature and the temperature displayed in Subaru Select Monitor match?

    Yes:  Go to  11.

    No:  Go to  7.

  7. CHECK MASS AIR FLOW AND INTAKE AIR TEMPERATURE SENSOR 

    Check the mass air flow and intake air temperature sensor. Refer to INSPECTION .

    Is the check result OK?

    Yes:  Go to  8.

    No:  Replace the mass air flow and intake air temperature sensor. Refer to MASS AIR FLOW AND INTAKE AIR TEMPERATURE SENSOR . Go to  34.

  8. CHECK HARNESS BETWEEN ECM AND MASS AIR FLOW AND INTAKE AIR TEMPERATURE SENSOR (OPEN CIRCUIT) 
    1. Turn the ignition switch to OFF.
    2. Disconnect the connector from ECM.
    3. Disconnect the connectors from the mass air flow and intake air temperature sensor.
    4. Measure the resistance of harness between ECM connector and the mass air flow and intake air temperature sensor connector.

    Connector & terminal 

    (B134) No. 16 - (B3) No. 3:

    (B134) No. 28 - (B3) No. 2:

    Is the resistance less than 1 Ω?

    Yes:  Go to  9.

    No:  Repair the open circuit of harness or replace the harness between ECM connector and the mass air flow and intake air temperature sensor connector. Go to  34.

  9. CHECK HARNESS BETWEEN ECM AND MASS AIR FLOW AND INTAKE AIR TEMPERATURE SENSOR (GROUND SHORT) 

    Measure the resistance between the ECM connector and engine ground.

    Connector & terminal 

    (B134) No. 16 - Engine ground:

    (B134) No. 28 - Engine ground:

    Is the resistance 1 MΩ or more?

    Yes:  Go to  10.

    No:  Repair the ground short circuit of harness between ECM connector and the mass air flow and intake air temperature sensor connector. Go to  34.

  10. CHECK HARNESS BETWEEN ECM AND MASS AIR FLOW AND INTAKE AIR TEMPERATURE SENSOR (LINE-TO-LINE SHORT) 
    1. Turn the ignition switch to OFF.
    2. Disconnect the connector from ECM.
    3. Disconnect the connectors from the mass air flow and intake air temperature sensor.
    4. Measure the resistance of harness between ECM connector and the mass air flow and intake air temperature sensor connector.

    Connector & terminal 

    (B3) No. 2 - (B3) No. 3:

    Is the resistance 1 MΩ or more?

    Yes:  Replace the ECM. Refer to Engine Control Module (ECM) .

    No:  Repair the line-to-line short circuit of harness or replace the harness between ECM connector and the mass air flow and intake air temperature sensor connector. Go to  34.

  11. CHECK CRANKSHAFT POSITION SENSOR, INTAKE CAMSHAFT POSITION SENSOR. 
    1. Using SST and an oscilloscope, measure waveform of crankshaft position sensor and camshaft position sensor.
    2. Check if "Number of signals for every two crankshaft revolutions", "Phase difference of the crankshaft position sensor and intake camshaft position sensor signals", "Signal waveform" and the like match according to the sample waveform described in the appropriate service information. .

    Is the waveform of each sensor normal?

    Yes:  Replace the ECM. Refer to ENGINE CONTROL MODULE (ECM) . Go to  14.

    No:  Correct the displacement of the timing chain. Go to  12.

  12. CHECK CRANKSHAFT POSITION SENSOR WAVEFORM 

    Check the number of signals and presence/absence of noise with waveform of the crankshaft position sensor.

    Is the check result OK?

    Yes:  Go to  13.

    No:  Perform the diagnosis of DTC P0335 CRANKSHAFT POSITION SENSOR "A" CIRCUIT. Refer to DTC P0335: CRANKSHAFT POSITION SENSOR "A" CIRCUIT . Go to  14.

  13. CHECK CAMSHAFT POSITION SENSOR WAVEFORM 

    Check the number of signals and presence/absence of noise with waveform of the camshaft position sensor.

    Is the check result OK?

    Yes:  Go to  15.

    No:  Perform the diagnosis of DTC P0340 CAMSHAFT POSITION SENSOR "A" CIRCUIT BANK 1 OR SINGLE SENSOR, P0345 CAMSHAFT POSITION SENSOR "A" CIRCUIT BANK 2. Refer to DTC P0340: CAMSHAFT POSITION SENSOR "A" CIRCUIT BANK 1 OR SINGLE SENSOR . Go to  15.

  14. CHECK DTC 
    1. Clear the memory using the Subaru Select Monitor or general scan tool. Refer to CLEAR MEMORY MODE .
    2. Perform the reproduction test, and check if DTC is detected.

    Was DTC P1378 detected?

    Yes:  Go to  15.

    No:  Currently, it is normal.

  15. CHECK ENGINE OIL 

    Check the engine oil. Refer to ENGINE OIL .

    Is the check result OK?

    Yes:  Go to  16.

    No:  Replace engine oil. Refer to REPLACEMENT . Go to  16.

  16. CHECK COOLANT 

    Check the coolant. Refer to INSPECTION .

    Yes:  Go to  17.

    No:  Perform replacement and bleeding of the coolant. Refer to REPLACEMENT .

  17. CHECK RADIATOR FAN 
    1. Using Subaru Select Monitor, select «Radiator Fan Relay» on «Active Test» item.
    2. Check operation/stop of the radiator fan according to ON/OFF switching operation.

    Is the check result OK?

    Yes:  Go to  18.

    No:  Check the radiator fan operation. Refer to Go to  18.

  18. CHECK AIR INTAKE SYSTEM 

    Check the installing condition and the following items of the air intake system.

    • Hole of air intake system
    • Loose bolt
    • Disconnection of hose

    Is the check result OK?

    Yes:  Go to  19.

    No:  Repair or replace the air intake system. Go to  19.

  19. CHECK FRONT OXYGEN (A/F) SENSOR DATA 
    1. Start the engine and warm up completely.
    2. Raise the engine speed up to 2, 500 rpm and maintain it for approx. three minutes.
    3. Raise the engine speed up to 2, 500 rpm and maintain it for approx. three minutes.
    4. Using «Injection Quantity Control» in the «Active Test» item, read the value of «A/F Sensor #1» at the increase rate of both 12% and -12%.
    NOTE:
    • Perform the operation immediately after the engine comes into idling condition, otherwise the front oxygen (A/F) sensor will be cooled.
    • For detailed operation procedures, refer to the "Active Test". Refer to ACTIVE TEST .
    • When the value of «Injection Quantity Control» under «Active Test» is changed from -12% - +12% while «Long term fuel trim B1» is -5%, the value of «A/F Sensor #1» will be changed to 0.93 or 1.17.

    Does the value of «A/F Sensor #1» change to less than 0.88 at the increase rate of 12%, and to 1.12 or more at the rate of -12%?

    Yes:  Go to  33.

    No:  Go to  20.

  20. CHECK POWER SUPPLY TO FRONT OXYGEN (A/F) SENSOR 
    1. Turn the ignition switch to OFF.
    2. Disconnect the connectors from front oxygen (A/F) sensor.
    3. Turn the ignition switch to ON.
    4. Measure the voltage between front oxygen (A/F) sensor connector and engine ground.

    Connector & terminal 

    (E24) No. 3 (+) - Engine ground (-):

    Is the voltage 10 V or more?

    Yes:  Go to  21.

    No:  Repair or replace the power supply line. Go to  33.

    NOTE: In this case, repair the following item:
    • Open circuit in harness between A/F, oxygen sensor relay and front oxygen (A/F) sensor connector
    • Poor contact of A/F, oxygen sensor relay connector
    • Poor contact of coupling connector
    • Malfunction of A/F, oxygen sensor relay
  21. CHECK HARNESS BETWEEN ECM AND FRONT OXYGEN (A/F) SENSOR CONNECTOR 
    1. Turn the ignition switch to OFF.
    2. Disconnect the connector from ECM.
    3. Measure the resistance of harness between ECM connector and front oxygen (A/F) sensor connector.

    Connector & terminal 

    (E158) No. 15 - (E24) No. 1:

    (E158) No. 27 - (E24) No. 4:

    (E158) No. 39 - (E24) No. 5:

    Is the resistance less than 1 Ω?

    Yes:  Go to  22.

    No:  Repair the open circuit of harness or replace the harness between ECM connector and front oxygen (A/F) sensor connector. Go to  33.

  22. CHECK ENGINE COOLANT TEMPERATURE SENSOR. 

    Measure the resistance between the ECM connector and engine ground.

    Connector & terminal 

    (E158) No. 15 (+) - Engine ground (-):

    (E158) No. 27 (+) - Engine ground (-):

    (E158) No. 39 (+) - Engine ground (-):

    Is the resistance 1 MΩ or more?

    Yes:  Go to  23.

    No:  Repair the short circuit to ground in harness or replace the harness between ECM connector and front oxygen (A/F) sensor connector. Go to  33.

  23. CHECK FUEL PRESSURE 
    WARNING: Place "NO OPEN FLAMES" signs near the working area.
    CAUTION:
    • Be careful not to spill fuel.
    • Before attaching/detaching a fuel pressure gauge, release the fuel pressure.

    Check the fuel pressure. Refer to FUEL PRESSURE .

    Is the check result OK?

    Yes:  Go to  26.

    No:  Check the fuel delivery line. Go to  24.

  24. CHECK OF FUEL PUMP 
    1. On «Active Test» item, select «Fuel Pump Relay».
      NOTE: For detailed operation procedures, refer to the "Active Test". Refer to OPERATION .
    2. Check if operating sound occurs in the fuel pump according to ON/OFF switching operation.

    Is the check result OK?

    Yes:  Go to  26.

    No:  Go to  25.

  25. CHECK OF FUEL PUMP 

    Check fuel pump. Refer to INSPECTION .

    Is the check result OK?

    Yes:  Repair the wiring malfunction of the fuel pump. Go to  26.

    No:  Replace the fuel pump. Refer to FUEL PUMP . Go to  26.

  26. CHECK FUEL TANK 
    WARNING: Place "NO OPEN FLAMES" signs near the working area.

    Check if any foreign matters such as iron powder exist in the fuel tank.

    Is there any foreign matter in the fuel tank?

    Yes:  Remove foreign matter from the fuel tank. Go to  33.

    No:  Go to  27.

  27. CHECK FREEZE FRAME DATA 

    Using the Subaru Select Monitor, read the values in «Fuel Rail Pressure A» and «Commanded Fuel Rail Pressure A».

    NOTE: For detailed operation procedures, refer to "Freeze Frame Data Display For Engine". Refer to DISPLAY OF ENGINE FREEZE FRAME DATA .

    Is the value in «Fuel Rail Pressure A» synchronized with the one in «Commanded Fuel Rail Pressure A» in all freeze frame data?

    Yes:  Go to  28.

    No:  Check the high-pressure fuel pump, and if any fault is found, replace the high-pressure fuel pump. Refer to REMOVAL .

  28. CHECK KNOCK SENSOR 
    1. Warm up and then idle the engine.
    2. Using Subaru Select Monitor, read the value of «Knocking Signal» in "Engine Current Data Display". Refer to SUBARU SELECT MONITOR .

    Is «Knocking Signal» present?

    Yes:  Go to  29.

    No:  Go to  30.

  29. CHECK KNOCK SENSOR 
    1. Warm up and then idle the engine.
    2. Check the knock sensor signals using oscilloscope.

    Does noise occur on «Knocking Signal»?

    Yes:  Repair the cause of noise occurring on the knock sensor circuit.

    No:  Replace the ECM. Refer to REMOVAL .

  30. CHECK SPARK PLUG 

    Check the spark plug. Refer to SPARK PLUG .

    Is the check result OK?

    Yes:  Go to  31.

    No:  Replace all spark plugs on all cylinders. Refer to SPARK PLUG . Go to  31.

  31. HECK COMPRESSION PRESSURE 

    Check the compression pressure. Refer to COMPRESSION .

    Is the check result OK?

    Yes:  Go to  32.

    No:  Check compression failure of the engine unit. Go to  32.

  32. CHECK FUEL INJECTOR 

    Remove and check the fuel injector. Refer to FUEL INJECTOR .

    Yes:  Go to  33.

    No:  Replace the fuel injector. Remove foreign objects such as carbon adhered inside the combustion chamber. Go to  33.

  33. CHECK DTC 
    1. Clear the memory using the Subaru Select Monitor or general scan tool. Refer to CLEAR MEMORY MODE .
    2. Perform the reproduction test, and check if DTC is detected.

    Is DTC P1378 displayed? (Current malfunction)

    Yes:  Go to  34.

    No:  Currently, it is normal.

  34. CHECK FOR POOR CONTACT. 
    1. Replace the entire fuel.
    2. Clear the memory using the Subaru Select Monitor or general scan tool. Refer to CLEAR MEMORY MODE .
    3. Perform the reproduction test, and check if DTC is detected.

    Is DTC P1378 displayed? (Current malfunction)

    Yes:  ECM replacement.

    No:  Currently, it is normal.

  1. OUTLINE OF DIAGNOSIS 

    Judge as NG when pressure change more than the predetermined value is detected.

  2. EXECUTION CONDITION 
    Secondary parameters Execution condition
    None
  3. GENERAL DRIVING CYCLE 

    Always perform the diagnosis continuously.

  4. DIAGNOSTIC METHOD 

    Judge as NG when the following conditions are established.

    Judgment value 

    Pre-ignition detection control

    Malfunction Criteria Malfunction Criteria
    Delay value from the before top dead center 70 deg until the pre-ignition analysis starts 0.2777 or more
    and
    Delay value from the ignition timing until the pre-ignition analysis ends Value of Map 1 or less
    and
    Analyzed pressure change
    value
    Value of Map 2 or more