LEMON Manuals: Even more car manuals for everyone
Home >> Subaru >> 2021 >> WRX Base >> Repair and Diagnosis (Single Page) >> Engine Performance >> System >> Engine Control System (Diagnostics) (2.0L) (2 Of 4) >> Diagnostic Procedure with Diagnostic Trouble Code (DTC) >> DTC P0617: Starter Relay "A" Circuit High >> Model With Push Button Start

Model With Push Button Start

DTC detecting condition: 

Immediately at fault recognition

Trouble symptom: 

Failure of engine to start

CAUTION:

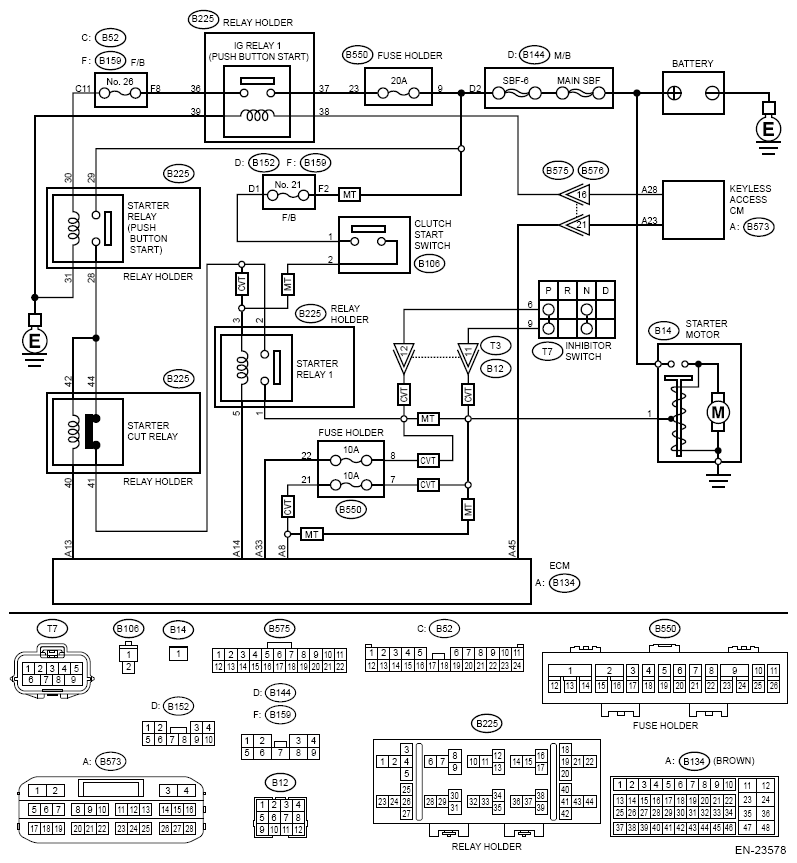
Wiring diagram: 

Engine Electrical System Refer to WIRING SYSTEM>ENGINE ELECTRICAL SYSTEM>WIRING DIAGRAM .

G13650644Courtesy of SUBARU OF AMERICA, INC.
  1. CHECK STARTER MOTOR. 
    1. Turn the ignition to ON.
    2. Check the starter motor condition.

    Is the starter motor rotating?

    Yes:  Go to  2.

    No:  Repair the short circuit to power supply in harness.

    NOTE: In this case, repair the following harnesses:
    • Short circuit to power supply in harness between ECM connector and starter relay connector
    • Short circuit to power supply in harness between ECM connector and starter motor
    • Short circuit to power supply in harness between starter relay 1 connector and starter motor
  2. CHECK HARNESS BETWEEN STARTER CUT RELAY CONNECTOR AND STARTER RELAY 1 CONNECTOR. 
    1. Turn the ignition to OFF.
    2. Disconnect the connector from starter motor.
    3. Remove the starter cut relay and starter relay 1.
    4. Turn the ignition to ON.
    5. Measure the voltage between starter relay 1 connector and chassis ground.

      Connector & terminal 

      (B225) No. 2 (+) - Chassis ground (-):

    Is the voltage 10 V or more?

    Yes:  Repair the short circuit to power in harness between starter cut relay connector and starter relay 1 connector.

    No:  Go to  3.

  3. CHECK STARTER CUT RELAY. 
    1. Connect the battery to starter cut relay terminals No. 40 and No. 42.
    2. Measure the resistance between starter cut relay terminals.

      Terminals 

      No. 41 - No. 44:

    Is the resistance 1 MΩ or more?

    Yes:  Go to  6.

    No:  Replace the starter cut relay. Refer to SECURITY AND LOCKS>STARTER CUT RELAY .

    Go to  4.

  4. CHECK HARNESS BETWEEN ECM AND STARTER RELAY 1 CONNECTOR. 
    1. Disconnect the connector from ECM.
    2. Measure the resistance between the ECM connector and engine ground.

    Connector & terminal 

    (B134) No. 14 - Engine ground:

    Is the resistance 1 MΩ or more?

    Yes:  Go to  5.

    No:  Repair the short circuit to ground in harness between ECM connector and starter relay 1 connector.

  5. CHECK STARTER RELAY 1. 

    Measure the resistance between starter relay 1 terminals.

    Terminals 

    No. 1 - No. 2:

    Is the resistance 1 MΩ or more?

    Yes:  Go to  6.

    No:  Replace the starter relay 1. Refer to ENGINE (DIAGNOSTICS) (W/O STI)>ELECTRICAL COMPONENT LOCATION>LOCATION .

  6. CHECK HARNESS BETWEEN ECM, STARTER RELAY 1 CONNECTOR AND STARTER MOTOR. 
    1. Disconnect the connector from ECM.
    2. Turn the ignition to ON.
    3. Measure the voltage between ECM connector and engine ground.

      Connector & terminal 

      (B134) No. 8 (+) - Engine ground (-):

    Is the voltage 10 V or more?

    Yes:  Repair the short circuit to power supply in harness.

    NOTE: In this case, repair the following harnesses:
    • Short circuit to power supply in harness between ECM connector and starter relay 1 connector
    • Short circuit to power supply in harness between ECM connector and starter motor
    • Short circuit to power supply in harness between starter relay 1 connector and starter motor

    No:  Repair the poor contact of ECM connector.