LEMON Manuals: Even more car manuals for everyone
Home >> Subaru >> 2021 >> WRX Base >> Repair and Diagnosis (Single Page) >> Engine Performance >> System >> Engine Control System (Diagnostics) (2.0L) (2 Of 4) >> Diagnostic Procedure with Diagnostic Trouble Code (DTC) >> DTC P0459: EVAP System (CPC) Purge Control Valve "A" Circuit High >> Notes

DTC P0459: EVAP System (CPC) Purge Control Valve "A" Circuit High: Notes

DTC detecting condition: 

Detected when two consecutive driving cycles with fault occur.

Trouble symptom: 

Improper idling

CAUTION:

Wiring diagram: 

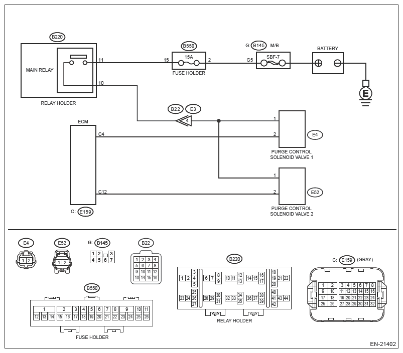
Engine Electrical System Refer to WIRING SYSTEM>ENGINE ELECTRICAL SYSTEM>WIRING DIAGRAM .

G13650624Courtesy of SUBARU OF AMERICA, INC.
  1. CHECK HARNESS BETWEEN ECM AND PURGE CONTROL SOLENOID VALVE 1 CONNECTOR. 
    1. Turn the ignition switch to OFF.
    2. Disconnect the connector from ECM.
    3. Disconnect the connector from purge control solenoid valve 1.
    4. Turn the ignition switch to ON.
    5. Measure the voltage between ECM connector and engine ground.

      Connector & terminal 

      (E159) No. 4 (+) - Engine ground (-):

    Is the voltage 10 V or more?

    Yes:  Repair the short circuit to power in harness between ECM connector and purge control solenoid valve 1 connector.

    No:  Go to  2.

  2. CHECK PURGE CONTROL SOLENOID VALVE 1. 
    1. Turn the ignition switch to OFF.
    2. Measure the resistance between purge control solenoid valve 1 terminals.

      Terminals 

      No. 1 - No. 2:

    Is the resistance less than 1 Ω?

    Yes:  Replace the purge control solenoid valve 1. Refer to EMISSION CONTROL (AUX. EMISSION CONTROL DEVICES) (W/O STI)>PURGE CONTROL SOLENOID VALVE .

    No:  Repair the poor contact of ECM connector.