LEMON Manuals: Even more car manuals for everyone
Home >> Subaru >> 2021 >> WRX Base >> Repair and Diagnosis (Single Page) >> Engine Performance >> System >> Engine Control System (Diagnostics) (2.0L) (1 Of 4) >> Diagnostic Procedure with Diagnostic Trouble Code (DTC) >> DTC P0134: A/F/02 Sensor Circuit No Activity Detected Bank 1 Sensor 1 >> Notes

DTC P0134: A/F/02 Sensor Circuit No Activity Detected Bank 1 Sensor 1: Notes

DTC detecting condition: 

Immediately at fault recognition

CAUTION:

Wiring diagram: 

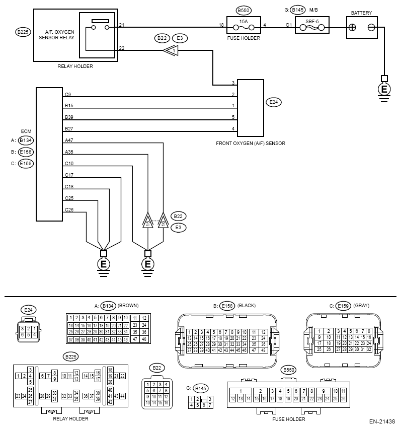
Engine Electrical System Refer to WIRING SYSTEM>ENGINE ELECTRICAL SYSTEM>WIRING DIAGRAM .

G13650531Courtesy of SUBARU OF AMERICA, INC.
  1. CHECK HARNESS BETWEEN ECM AND FRONT OXYGEN (A/F) SENSOR CONNECTOR. 
    1. Turn the ignition switch to OFF.
    2. Disconnect the connector from ECM.
    3. Disconnect the connectors from front oxygen (A/F) sensor.
    4. Measure the resistance of harness between ECM connector and front oxygen (A/F) sensor connector.

      Connector & terminal 

      (E158) No. 15 - (E24) No. 1:

      (E158) No. 27 - (E24) No. 4:

      (E158) No. 39 - (E24) No. 5:

    Is the resistance less than 1 Ω?

    Yes:  Go to  2.

    No:  Repair the open circuit of harness between ECM connector and front oxygen (A/F) sensor connector.

  2. CHECK FOR POOR CONTACT. 

    Check for poor contact of ECM and front oxygen (A/F) sensor connector.

    Is there poor contact of ECM or front oxygen (A/F) sensor connector?

    Yes:  Repair the poor contact of ECM or front oxygen (A/F) sensor connector.

    No:  Replace the front oxygen (A/F) sensor. Refer to FUEL INJECTION (FUEL SYSTEMS) (W/O STI)>FRONT OXYGEN (A/F) SENSOR .