LEMON Manuals: Even more car manuals for everyone
Home >> Subaru >> 2021 >> WRX Base >> Repair and Diagnosis (Single Page) >> Engine Performance >> System >> Engine Control System (Diagnostics) (2.0L) (1 Of 4) >> Diagnostic Procedure with Diagnostic Trouble Code (DTC) >> DTC P0038: A/F/02 Heater Control Circuit High Bank 1 Sensor 2 >> Notes

DTC P0038: A/F/02 Heater Control Circuit High Bank 1 Sensor 2: Notes

DTC detecting condition: 

Detected when two consecutive driving cycles with fault occur.

CAUTION:

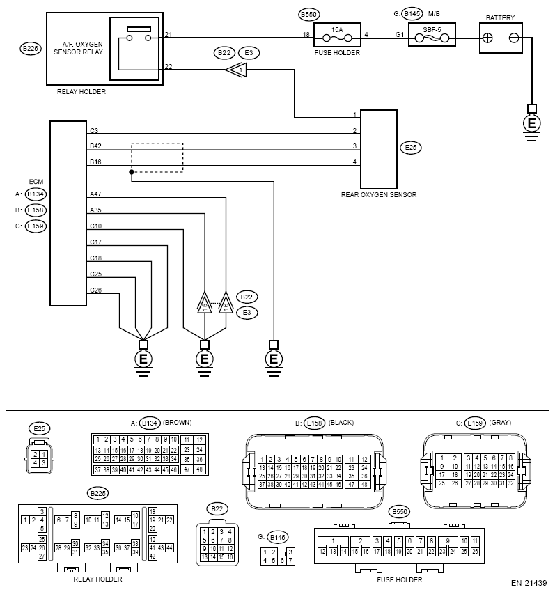
Wiring diagram: 

Engine Electrical System Refer to WIRING SYSTEM>ENGINE ELECTRICAL SYSTEM>WIRING DIAGRAM .

G13650489Courtesy of SUBARU OF AMERICA, INC.
  1. CHECK HARNESS BETWEEN ECM AND REAR OXYGEN SENSOR CONNECTOR. 
    1. Turn the ignition switch to OFF.
    2. Measure the voltage between ECM connector and engine ground.

      Connector & terminal 

      (E159) No. 3 (+) - Engine ground (-):

    Is the voltage 10 V or more?

    Yes:  Repair the short circuit to power in the harness between ECM connector and rear oxygen sensor connector.

    No:  Go to  2.

  2. CHECK GROUND CIRCUIT FOR ECM. 
    1. Disconnect the connector from ECM.
    2. Measure the resistance between the ECM connector and engine ground.

      Connector & terminal 

      (B134) No. 35 - Engine ground:

      (B134) No. 47 - Engine ground:

      (E159) No. 10 - Engine ground:

      (E159) No. 17 - Engine ground:

      (E159) No. 18 - Engine ground:

      (E159) No. 25 - Engine ground:

      (E159) No. 26 - Engine ground:

    Is the resistance less than 5 Ω?

    Yes:  Repair the poor contact of ECM connector.

    No:  Repair the harness and connector.

    NOTE: In this case, repair the following item:
    • Open circuit of harness between ECM connector and engine ground
    • Poor contact of coupling connector