LEMON Manuals: Even more car manuals for everyone
Home >> Subaru >> 2021 >> WRX Base >> Repair and Diagnosis (Single Page) >> Engine Performance >> System >> Engine Control System (Diagnostics) (2.0L) (1 Of 4) >> Diagnostic Procedure with Diagnostic Trouble Code (DTC) >> DTC P0037: A/F/02 Heater Control Circuit Low Bank 1 Sensor 2 >> Notes

DTC P0037: A/F/02 Heater Control Circuit Low Bank 1 Sensor 2: Notes

DTC detecting condition: 

Detected when two consecutive driving cycles with fault occur.

CAUTION:

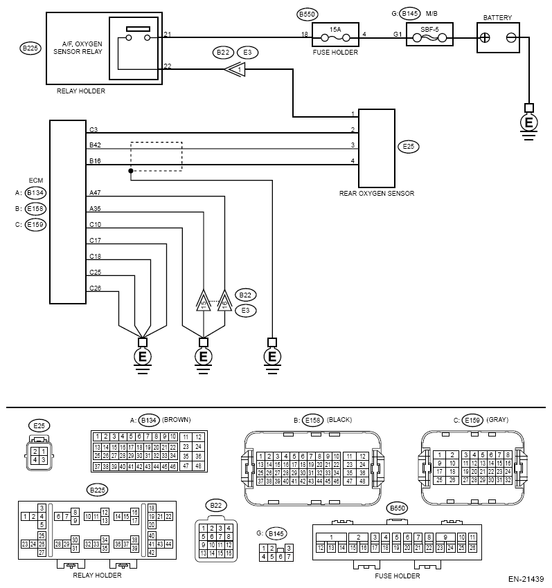
Wiring diagram: 

Engine Electrical System Refer to WIRING SYSTEM>ENGINE ELECTRICAL SYSTEM>WIRING DIAGRAM .

G13650488Courtesy of SUBARU OF AMERICA, INC.
  1. CHECK POWER SUPPLY TO REAR OXYGEN SENSOR. 
    1. Turn the ignition switch to OFF.
    2. Disconnect the connector from rear oxygen sensor.
    3. Turn the ignition switch to ON.
    4. Measure the voltage between rear oxygen sensor connector and engine ground.

      Connector & terminal 

      (E25) No. 1 (+) - Engine ground (-):

    Is the voltage 10 V or more?

    Yes:  Go to  2.

    No:  Repair the power supply line.

    NOTE: In this case, repair the following item:
    • Open circuit in harness between A/F, oxygen sensor relay and rear oxygen sensor connector
    • Poor contact of A/F, oxygen sensor relay connector
    • Poor contact of coupling connector
    • Malfunction of A/F, oxygen sensor relay
  2. CHECK HARNESS BETWEEN ECM AND REAR OXYGEN SENSOR CONNECTOR. 
    1. Turn the ignition switch to OFF.
    2. Disconnect the connector from ECM.
    3. Measure the resistance between ECM connector and rear oxygen sensor connector.

      Connector & terminal 

      (E25) No. 2 - (E159) No. 3:

    Is the resistance less than 1 Ω?

    Yes:  Go to  3.

    No:  Repair the open circuit of harness between ECM connector and rear oxygen sensor connector.

  3. CHECK GROUND CIRCUIT FOR ECM. 

    Measure the resistance of harness between ECM connector and engine ground.

    Connector & terminal 

    (B134) No. 35 - Engine ground:

    (B134) No. 47 - Engine ground:

    (E159) No. 10 - Engine ground:

    (E159) No. 17 - Engine ground:

    (E159) No. 18 - Engine ground:

    (E159) No. 25 - Engine ground:

    (E159) No. 26 - Engine ground:

    Is the resistance less than 5 Ω?

    Yes:  Go to  4.

    No:  Repair the harness and connector.

    NOTE: In this case, repair the following item:
    • Open circuit of harness between ECM connector and engine ground
    • Poor contact of coupling connector
  4. CHECK REAR OXYGEN SENSOR. 

    Check the rear oxygen sensor. Refer INSPECTION .

    Is the check result OK?

    Yes:  Repair the poor contact of ECM connector.

    No:  Replace the rear oxygen sensor. Refer to FUEL INJECTION (FUEL SYSTEMS) (W/O STI)>REAR OXYGEN SENSOR .