LEMON Manuals: Even more car manuals for everyone
Home >> Subaru >> 2021 >> WRX Base >> Repair and Diagnosis (Single Page) >> Engine Performance >> System >> Engine Control System (Diagnostics) (2.0L) (1 Of 4) >> Diagnostic Procedure with Diagnostic Trouble Code (DTC) >> DTC P0032: A/F/02 Heater Control Circuit High Bank 1 Sensor 1 >> Notes

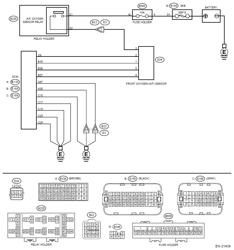
DTC P0032: A/F/02 Heater Control Circuit High Bank 1 Sensor 1: Notes

DTC detecting condition: 

Immediately at fault recognition

CAUTION:

Wiring diagram: 

Engine Electrical System Refer to WIRING SYSTEM>ENGINE ELECTRICAL SYSTEM>WIRING DIAGRAM .

G13650487Courtesy of SUBARU OF AMERICA, INC.
  1. CHECK HARNESS BETWEEN ECM AND FRONT OXYGEN (A/F) SENSOR CONNECTOR. 
    1. Turn the ignition switch to OFF.
    2. Measure the voltage between ECM connector and engine ground.

      Connector & terminal 

      (E159) No. 9 (+) - Engine ground (-):

    Is the voltage 10 V or more?

    Yes:  Repair the short circuit to power in the harness between ECM connector and front oxygen (A/F) sensor connector.

    No:  Go to  2.

  2. CHECK GROUND CIRCUIT FOR ECM. 
    1. Disconnect the connector from ECM.
    2. Measure the resistance between the ECM connector and engine ground.

      Connector & terminal 

      (B134) No. 35 - Engine ground:

      (B134) No. 47 - Engine ground:

      (E159) No. 10 - Engine ground:

      (E159) No. 17 - Engine ground:

      (E159) No. 18 - Engine ground:

      (E159) No. 25 - Engine ground:

      (E159) No. 26 - Enn f gine ground:

    Is the resistance less than 5 Ω?

    Yes:  Repair the poor contact of ECM connector.

    No:  Repair the harness and connector.

    NOTE: In this case, repair the following item:
    • Open circuit of harness between ECM connector and engine ground
    • Poor contact of coupling connector