LEMON Manuals: Even more car manuals for everyone
Home >> Subaru >> 2021 >> Outback Base >> Repair and Diagnosis >> Body & Frame >> Door Locks >> Security And Locks - Keyless Access (W/Push Button Start) (Diagnostics) >> Diagnostic Procedure With Diagnostic Trouble Code (DTC) >> DTC B228A: Engine Speed Signal(With Auto Start Stop)

DTC B228A: Engine Speed Signal(With Auto Start Stop)

DTC detecting condition: 

For model with Auto Start Stop, when any of the following conditions continues for 20 seconds with ignition switch ON.

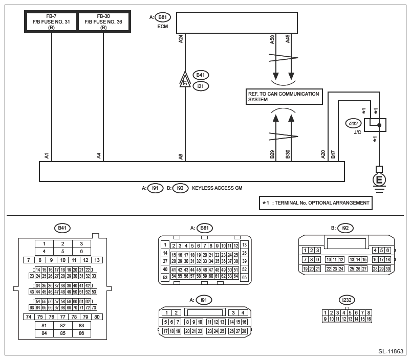
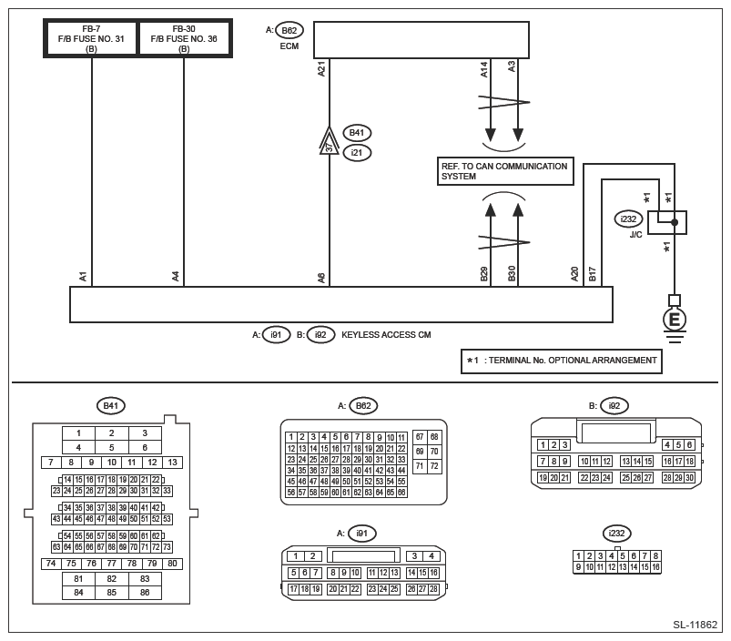
Wiring diagram: 

Keyless access with push button start system Ref. to WIRING SYSTEM>KEYLESS ACCESS WITH PUSH BUTTON START SYSTEM>WIRING DIAGRAM .

G13632727Courtesy of SUBARU OF AMERICA, INC.
G13632728Courtesy of SUBARU OF AMERICA, INC.
CAUTION:
  1. CHECK LAN SYSTEM  .

    Perform the diagnosis for LAN system. Ref. to LAN SYSTEM (DIAGNOSTICS)>BASIC DIAGNOSTIC PROCEDURE>PROCEDURE .

    Is the check result OK?

    Yes  : Go to  2 .

    No  : Perform the inspection according to the diagnosis for LAN system.

  2. CHECK COMBINATION METER  .

    Confirm that the speedometer is displayed normally.

    Is combination meter display OK?

    Yes  : Go to  3 .

    No  : Perform the diagnosis for the engine. Ref. to ENGINE (DIAGNOSTICS) (H4DO)>BASIC DIAGNOSTIC PROCEDURE>PROCEDURE . Ref. to ENGINE (DIAGNOSTICS) (H4DOTC)>BASIC DIAGNOSTIC PROCEDURE>PROCEDURE .

  3. CHECK DATA MONITOR  .
    1. Turn the ignition switch to ON.
    2. Using the Subaru Select Monitor, check the following items in the [Data Monitor] of [Keyless Access with Push Button Start(Power Supply)]. Ref. to Keyless Access With Push Button Start System (Diagnostics)>Data Monitor .
    • Engine Speed

    Can the data be read normally?

    Yes  : Even if DTC is displayed, the circuit has returned to a normal condition at this time. Reproduce the failure, and then perform the diagnosis again.

    NOTE: In this case, temporary poor contact of connector, temporary open or short circuit of harness may be the cause.

    No  : Go to  4 .

  4. CHECK HARNESS (OPEN CIRCUIT)  .
    1. Turn the ignition switch to OFF.
    2. Disconnect the keyless access control module connector.
    3. Disconnect the ECM connector.
    4. Using a tester, measure the resistance between the keyless access control module connector and ECM connector.

      Connector and terminal 

      FB engine model 

      (i91) No. 6 - (B62) No. 21:

      FA engine model 

      (i91) No. 6 - (B61) No. 24:

    Is the resistance less than 1 Ω?

    Yes  : Go to  5 .

    No  : Repair or replace the open circuit of harness.

  5. CHECK HARNESS (GROUND SHORT CIRCUIT)  .

    Using a tester, measure the resistance between the keyless access control module connector and chassis ground.

    Connector and terminal 

    (i91) No. 6 - Chassis ground:

    Is the resistance 10 kΩ or more?

    Yes  : Go to  6 .

    No  : Repair or replace the short circuit of the harness.

  6. CHECK HARNESS  .
    1. Connect the keyless access control module connector and ECM connector.
    2. Using an oscilloscope, measure the waveform between the keyless access control module connector and chassis ground.

      Connector and terminal 

      (i91) No. 6 - Chassis ground:

    Does the pulse stop when the engine is stopped, and does the pulse generate when the engine is started?

    Yes  : Replace the keyless access control module. Ref. to SECURITY AND LOCKS>KEYLESS ACCESS CONTROL MODULE .

    No  : Perform the diagnosis for the engine. Ref. to ENGINE (DIAGNOSTICS) (H4DO)>BASIC DIAGNOSTIC PROCEDURE>PROCEDURE . Ref. to ENGINE (DIAGNOSTICS) (H4DOTC)>BASIC DIAGNOSTIC PROCEDURE>PROCEDURE .