LEMON Manuals: Even more car manuals for everyone
Home >> Subaru >> 2021 >> Outback Base >> Repair and Diagnosis >> Accessories & Equipment >> Communication Devices >> Front Relay Control Module (Diagnostics) >> Diagnostics With Phenomenon >> Inspection >> Low Washer Warning Light Is Always Off

Low Washer Warning Light Is Always Off

Trouble symptom: 

Low washer fluid warning light is not displayed, even when the washer fluid level is low.

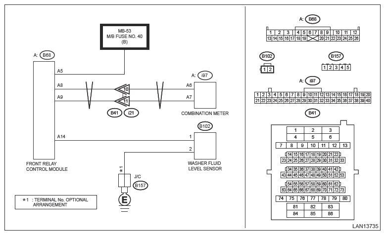
Wiring diagram: 

Front wiper and washer system Ref. to WIRING SYSTEM>FRONT WIPER AND WASHER SYSTEM>WIRING DIAGRAM .

G13953085Courtesy of SUBARU OF AMERICA, INC.
CAUTION: Before performing diagnosis, refer to "CAUTION" in "General Description". Ref. to FRONT RELAY CONTROL MODULE (DIAGNOSTICS)>General Description>CAUTION .
  1. BASIC INSPECTION  .

    Perform "Basic inspection" of Front relay control module. Ref. to FRONT RELAY CONTROL MODULE (DIAGNOSTICS)>General Description>INSPECTION .

    Is the check result OK?

    Yes:  Go to  2 .

    No:  Repair the defective portion.

  2. CHECK DATA MONITOR  .
    1. Turn the ignition switch to ON.
    2. Using the Subaru Select Monitor, check the following items in the [Data Monitor] of [Front Relay Control Module]. Ref. to FRONT RELAY CONTROL MODULE (DIAGNOSTICS)>DATA MONITOR .
      • Washer Level Sensor Input

      Is [ON] displayed?

      Yes:  Perform the inspection according to the diagnosis for combination meter. Ref. to COMBINATION METER (DIAGNOSTICS)>BASIC DIAGNOSTIC PROCEDURE>PROCEDURE .

      If defective is not improved, replace Front relay control module. Ref. to BODY CONTROL/COMMUNICATION SYSTEM>FRONT RELAY CONTROL MODULE .

      No:  Go to  3 .

  3. CHECK CONNECTOR  .
    1. Turn the ignition switch to OFF.
    2. Disconnect Front relay control module connector (B68).

      Is there poor contact of connector?

      Yes:  Repair or replace the poor contact of connector.

      No:  Go to  4 .

  4. CHECK INPUT CIRCUIT OF Front relay control module  .
    1. Connect the Front relay control module connector (B68).
    2. Turn the ignition switch to ON.
    3. Using a tester, measure the voltage between washer fluid level sensor connector (B102) and chassis ground.

      Connector & terminal 

      (B102) No. 1 (+) - Chassis ground (-):

      Is the voltage 9 - 16 V?

      Yes:  Go to  5 .

      No:  Replace Front relay control module. Ref. to BODY CONTROL/COMMUNICATION SYSTEM>FRONT RELAY CONTROL MODULE .

  5. CHECK HARNESS (OPEN CIRCUIT)  .
    1. Turn the ignition switch to OFF.
    2. Disconnect Front relay control module connector (B68).
    3. Disconnect the washer fluid level sensor connector.
    4. Using a tester, measure the resistance between Front relay control module connector (B68) and washer fluid level sensor connector (B102).

      Connector & terminal 

      (B68) No. 14 - (B102) No. 1:

      Is the resistance less than 10 Ω?

      Yes:  Go to  6 .

      No:  Repair or replace the open circuit of harness.

  6. CHECK HARNESS (OPEN CIRCUIT)  .

    Using a tester, measure the resistance between washer fluid level sensor connector (B102) and chassis ground.

    Connector & terminal 

    (B102) No. 2 - Chassis ground:

    Is the resistance less than 10 Ω?

    Yes:  Replace the washer level sensor. Ref. to WIPER AND WASHER SYSTEMS>WASHER TANK AND MOTOR .

    No:  Repair or replace the open circuit of harness.