LEMON Manuals: Even more car manuals for everyone
Home >> Subaru >> 2021 >> Outback Base >> Repair and Diagnosis >> Accessories & Equipment >> Communication Devices >> Body Control System (Diagnostics) >> General Description >> System Block Diagram

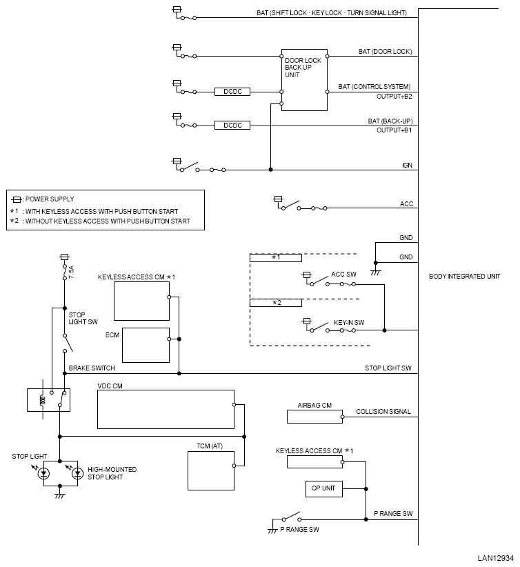
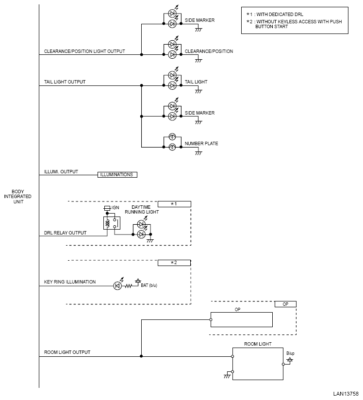
System Block Diagram

G13632784Courtesy of SUBARU OF AMERICA, INC.
G13632785Courtesy of SUBARU OF AMERICA, INC.
G13632786Courtesy of SUBARU OF AMERICA, INC.
G13952866Courtesy of SUBARU OF AMERICA, INC.
G13632788Courtesy of SUBARU OF AMERICA, INC.
G13952868Courtesy of SUBARU OF AMERICA, INC.
G13632790Courtesy of SUBARU OF AMERICA, INC.