LEMON Manuals: Even more car manuals for everyone
Home >> Subaru >> 2021 >> Outback Base >> Repair and Diagnosis >> Accessories & Equipment >> Communication Devices >> Body Control System (Diagnostics) >> Diagnostic Procedure With Diagnostic Trouble Code (DTC) >> DTC U0169: Lost Communication With Sunroof Control Module

DTC U0169: Lost Communication With Sunroof Control Module

DTC detecting condition: 

Data does not arrive from sunroof unit.

Trouble symptom: 

The sunroof may not operate normally.

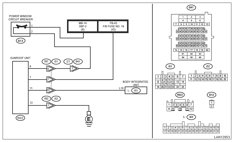
Wiring diagram: 

Sunroof control system Ref. to WIRING SYSTEM>SUNROOF CONTROL SYSTEM>WIRING DIAGRAM .

G13632801Courtesy of SUBARU OF AMERICA, INC.
CAUTION: Before performing diagnosis, refer to "CAUTION" in "General Description". Ref. to BODY CONTROL (DIAGNOSTICS)>General Description>CAUTION .
  1. CHECK DTC  .
    1. Turn the ignition switch to ON.
    2. Wait for at least 10 seconds.
    3. Read the DTC of [Body Control] using the Subaru Select Monitor. Ref. to Body Control (Diagnostics)>Diagnostic Trouble Code (DTC) .

    Is DTC U0169 displayed? (Current malfunction)

    Yes:  Go to  2 .

    No:  Even if DTC is displayed, the circuit has returned to a normal condition at this time. Reproduce the failure, and then perform the diagnosis again.

    NOTE: In this case, temporary poor contact of connector, temporary open or short circuit of harness may be the cause.
  2. CHECK DTC  .
    1. Turn the ignition switch to OFF.
    2. Disconnect the sunroof unit connector and body integrated unit connector.
    3. Connect the disconnected connectors.
    4. Turn the ignition switch to ON.
    5. Wait for at least 10 seconds.
    6. Read the DTC of [Body Control] using the Subaru Select Monitor. Ref. to Body Control (Diagnostics)>Diagnostic Trouble Code (DTC) .

    Is DTC U0169 displayed? (Current malfunction)

    Yes:  Go to  3 .

    No:  Even if DTC is displayed, the circuit has returned to a normal condition at this time. Reproduce the failure, and then perform the diagnosis again.

    NOTE: In this case, temporary poor contact of connector, temporary open or short circuit of harness may be the cause.
  3. CHECK HARNESS (OPEN CIRCUIT)  .
    1. Turn the ignition switch to OFF.
    2. Disconnect the sunroof unit connector and body integrated unit connector.
    3. Using a tester, measure the resistance between the sunroof unit connector and body integrated unit connector, and between the sunroof unit connector and chassis ground.

      Connector and terminal 

      (Rf22) No. 11 - (i83) No. 18:

      (Rf22) No. 12 - Chassis ground:

    Is the resistance less than 10 Ω?

    Yes:  Go to  4 .

    No:  Repair the open circuit of harness.

  4. CHECK HARNESS (GROUND SHORT CIRCUIT)  .
    1. Disconnect the sunroof unit connector.
    2. Using a tester, measure the resistance between the sunroof unit connector and chassis ground.

      Connector and terminal 

      (Rf22) No. 11 - Chassis ground:

    Is the resistance 10 kΩ or more?

    Yes:  Go to  5 .

    No:  Repair the shorted portion of harness.

  5. CHECK HARNESS (SHORT CIRCUIT TO POWER SUPPLY)  .
    1. Turn the ignition switch to ON.
    2. Using a tester, measure the voltage between the sunroof unit connector and chassis ground.

      Connector and terminal 

      (Rf22) No. 11 (+) - Chassis ground (-):

    Is the voltage less than 1 V?

    Yes:  Go to  6 .

    No:  Repair the shorted portion of harness.

  6. CHECK HARNESS  .

    Using a tester, measure the voltage between the sunroof unit connector and chassis ground.

    Connector and terminal 

    (Rf22) No. 1 (+) - Chassis ground (-):

    (Rf22) No. 8 (+) - Chassis ground (-):

    Is the voltage 9 V or more?

    Yes:  Go to  7 .

    No:  Repair the open circuit of harness.

  7. CHECK CONTROL MODULE  .
    1. Turn the ignition switch to OFF.
    2. Replace the sunroof unit with a properly functioning part. Ref. to SUNROOF/T-TOP/CONVERTIBLE TOP (SUNROOF)>SUNROOF MOTOR .
    3. Turn the ignition switch to ON.
    4. Wait for at least 10 seconds.
    5. Read the DTC of [Body Control] using the Subaru Select Monitor. Ref. to Body Control (Diagnostics)>Diagnostic Trouble Code (DTC) .

    Is DTC U0169 displayed? (Current malfunction)

    Yes:  Replace the body integrated unit. Ref. to BODY CONTROL/COMMUNICATION SYSTEM>BODY INTEGRATED UNIT .

    No:  Malfunction occurred in the sunroof unit.