LEMON Manuals: Even more car manuals for everyone
Home >> Subaru >> 2021 >> Outback Base >> Repair and Diagnosis (Single Page) >> Accessories & Equipment >> Drivers Assistance Systems - ADAS >> Multi View Monitor (Diagnostics) >> Diagnostics With Phenomenon >> Inspection >> Unable To Change The Camera Screen Using The View Button

Unable To Change The Camera Screen Using The View Button

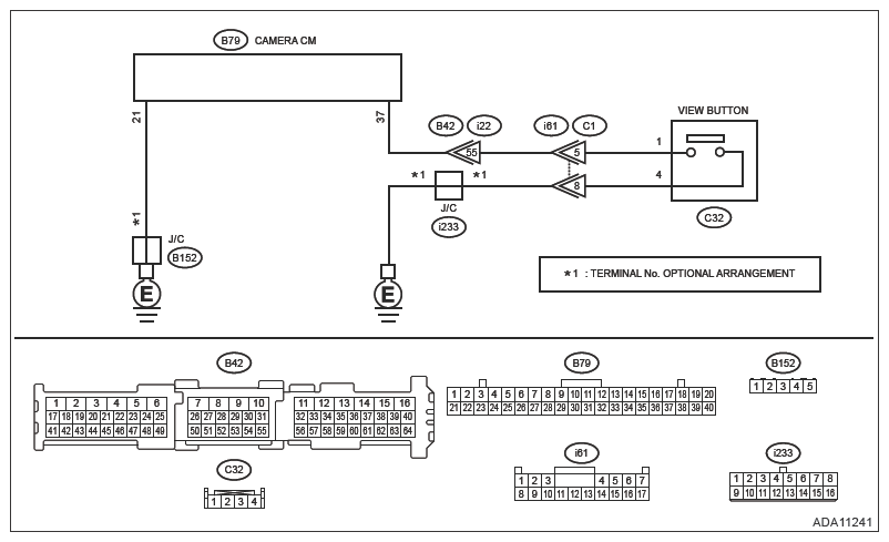
Wiring diagram: 

Front view monitor Ref. to WIRING SYSTEM>FRONT VIEW MONITOR>WIRING DIAGRAM .

G13627571Courtesy of SUBARU OF AMERICA, INC.
CAUTION: Before performing diagnosis, refer to "CAUTION" in "General Description". Ref. to MULTI VIEW MONITOR (DIAGNOSTICS)>General Description>CAUTION .
  1. CHECK DATA MONITOR  .
    1. Turn the ignition switch to ON.
    2. Using the Subaru Select Monitor, check the following items in the [Data Monitor] of [Multi View Monitor] Ref. to MULTI VIEW MONITOR (DIAGNOSTICS)>DATA MONITOR .
      • Camera switch status Does the display switch between [ON]/[OFF] according to the View button operation?

      Yes  : Input circuit is normal. Go to  6 .

      No  : Go to  2 .

  2. CHECK HARNESS (OPEN CIRCUIT)  .
    1. Turn the ignition switch to OFF.
    2. Disconnect the View button connector.
    3. Disconnect the camera control module connector.
    4. Measure the resistance between View button connector and camera control module connector.

      Connector and terminal 

      (C32) No. 1 - (B79) No. 37:

      Is the resistance less than 1 Ω?

      Yes  : Go to  3 .

      No  : Repair or replace the open circuit of harness.

  3. CHECK HARNESS (GROUND SHORT CIRCUIT)  .

    Measure the resistance between camera control module connector and chassis ground.

    Connector and terminal 

    (B79) No. 37 - Chassis ground:

    Is the resistance 1 MΩ or more?

    Yes  : Go to  4 .

    No  : Repair or replace the short circuit of the harness.

  4. CHECK HARNESS (OPEN CIRCUIT)  .

    Measure the resistance between View button connector and chassis ground.

    Connector and terminal 

    (C32) No. 4 - Chassis ground:

    Is the resistance less than 1 Ω?

    Yes  : Go to  5 .

    No  : Repair or replace the open circuit of harness.

  5. CHECK VIEW BUTTON  .

    Check the View button unit. Ref. to ENTERTAINMENT & MONITORING>SWITCHES AND HARNESS .

    Is the check result OK?

    Yes  : Go to  6 .

    No  : Replace the View button Ref. to ENTERTAINMENT & MONITORING>SWITCHES AND HARNESS .

  6. CHECK Cockpit Control  .

    Perform the diagnosis for [Cockpit Control]. Ref. to COCKPIT CONTROL (DIAGNOSTICS)>BASIC DIAGNOSTIC PROCEDURE .

    Is the check result OK?

    Yes  : Replace the camera control module. Ref. to ENTERTAINMENT & MONITORING>CAMERA .

    No  : Perform the inspection according to the Cockpit Control diagnosis. Ref. to COCKPIT CONTROL (DIAGNOSTICS)>BASIC DIAGNOSTIC PROCEDURE .