LEMON Manuals: Even more car manuals for everyone
Home >> Subaru >> 2021 >> Outback Base >> Repair and Diagnosis (Single Page) >> Accessories & Equipment >> Anti-Theft Systems >> Security And Locks - Keyless Access (W/Push Button Start) (Diagnostics) >> Diagnostic Procedure With Diagnostic Trouble Code (DTC) >> DTC B27A5: Front Internal Antenna Open

DTC B27A5: Front Internal Antenna Open

DTC detecting condition: 

When open circuit occurs in the harness between keyless access control module and front interior antenna.

Trouble symptom: 

The keyless access with push button start system does not operate. (When the access key is in the front area of the passenger room)

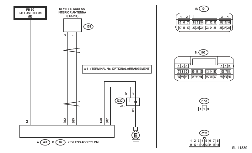
Wiring diagram: 

Keyless access with push button start system Ref. to WIRING SYSTEM>KEYLESS ACCESS WITH PUSH BUTTON START SYSTEM>WIRING DIAGRAM .

G13632741Courtesy of SUBARU OF AMERICA, INC.
CAUTION:
  1. CHECK LAN SYSTEM  .

    Inspect LAN system. Ref. to LAN SYSTEM (DIAGNOSTICS)>BASIC DIAGNOSTIC PROCEDURE>PROCEDURE .

    Is the check result OK?

    Yes  : Go to  2 .

    No  : Perform the inspection according to the diagnosis for LAN system.

  2. CHECK CONNECTOR  .
    1. Disconnect the keyless access control module connector.
    2. Disconnect the front interior antenna connector.
    3. Check the connector.

    Is the check result OK?

    Yes  : Go to  3 .

    No  : Repair or replace the connector.

  3. CHECK POWER SUPPLY CIRCUIT  .

    Using a tester, measure the voltage between the keyless access control module connector and chassis ground.

    Connector and terminal 

    (i91) No. 4 (+) - Chassis ground (-):

    Is the voltage 9.5 - 16 V?

    Yes  : Go to  4 .

    No  : Check the power supply circuit.

  4. CHECK HARNESS (OPEN CIRCUIT)  .

    Using a tester, measure the resistance between the keyless access control module connector and front interior antenna connector, and between keyless access control module connector and chassis ground.

    Connector and terminal 

    (i92) No. 25 - (i153) No. 1:

    (i92) No. 12 - (i153) No. 3:

    (i92) No. 17 - Chassis ground:

    (i91) No. 20 - Chassis ground:

    Is the resistance less than 1 Ω?

    Yes  : Go to  5 .

    No  : Repair or replace the open circuit of harness.

  5. CHECK HARNESS (GROUND SHORT CIRCUIT)  .

    Using a tester, measure the resistance between the keyless access control module connector and chassis ground.

    Connector and terminal 

    (i92) No. 25 - Chassis ground:

    (i92) No. 12 - Chassis ground:

    Is the resistance 10 kΩ or more?

    Yes  : Go to  6 .

    No  : Repair or replace the short circuit of the harness.

  6. CHECK DTC  .
    1. Connect the keyless access control module connector.
    2. Turn the ignition switch to ON.
    3. Using the Subaru Select Monitor, perform the clear memory of [Keyless Access with Push Button Start(Collation)]. Ref. to COMMON (DIAG)>CLEAR MEMORY .
    4. Read the DTC of [Keyless Access with Push Button Start(Collation)] using the Subaru Select Monitor. Ref. to Keyless Access With Push Button Start System (Diagnostics)>Diagnostic Trouble Code (DTC) .

    Is DTC B27A5 displayed?

    Yes  : Go to  7 .

    No  : Even if DTC is displayed, the circuit has returned to a normal condition at this time. Reproduce the failure, and then perform the diagnosis again.

    NOTE: In this case, temporary poor contact of connector, temporary open or short circuit of harness may be the cause.
  7. CHECK FRONT INTERIOR ANTENNA  .
    1. Turn the ignition switch to OFF.
    2. Replace the front interior antenna with the rear interior antenna. Ref. to SECURITY AND LOCKS>KEYLESS ACCESS INDOOR ANTENNA .
    3. Turn the ignition switch to ON.
    4. Using the Subaru Select Monitor, perform the clear memory of [Keyless Access with Push Button Start(Collation)]. Ref. to COMMON (DIAG)>CLEAR MEMORY .
    5. Read the DTC of [Keyless Access with Push Button Start(Collation)] using the Subaru Select Monitor. Ref. to Keyless Access with Push Button Start System (Diagnostics)>Diagnostic Trouble Code (DTC) .

    Is DTC B27A5 displayed?

    Yes  : Replace the keyless access control module. Ref. to SECURITY AND LOCKS>KEYLESS ACCESS CONTROL MODULE .

    No  : Malfunction occurred in the front interior antenna.