LEMON Manuals: Even more car manuals for everyone
Home >> Subaru >> 2021 >> Outback Base >> Repair and Diagnosis (Single Page) >> Accessories & Equipment >> Anti-Theft Systems >> Security And Locks - Keyless Access (W/Push Button Start) (Diagnostics) >> Diagnostic Procedure With Diagnostic Trouble Code (DTC) >> DTC B2282: Vehicle Speed Signal Correlation

DTC B2282: Vehicle Speed Signal Correlation

DTC detecting condition: 

When any of the following conditions is established with ignition switch ON.

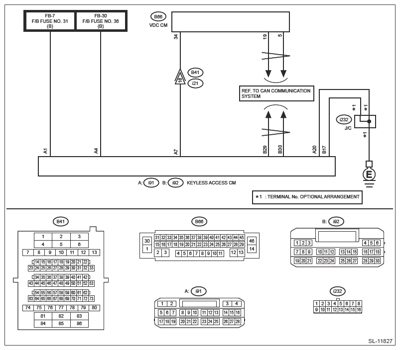
Wiring diagram: 

Keyless access with push button start system Ref. to WIRING SYSTEM>KEYLESS ACCESS WITH PUSH BUTTON START SYSTEM>WIRING DIAGRAM .

G13632723Courtesy of SUBARU OF AMERICA, INC.
CAUTION:
  1. CHECK LAN SYSTEM  .

    Perform the diagnosis for LAN system. Ref. to LAN SYSTEM (DIAGNOSTICS)>BASIC DIAGNOSTIC PROCEDURE>PROCEDURE .

    Is the check result OK?

    Yes  : Go to  2 .

    No  : Perform the inspection according to the diagnosis for LAN system.

  2. CHECK COMBINATION METER  .

    Check that the speedometer is displayed normally.

    Is the meter display normal?

    Yes  : Go to  3 .

    No  : Check the VDC. Ref. to BRAKE CONTROL (DIAGNOSTICS)>BASIC DIAGNOSTIC PROCEDURE .

  3. CHECK DATA MONITOR  .
    1. Turn the ignition switch to ON.
    2. Using the Subaru Select Monitor, check the following items in the [Data Monitor] of [Keyless Access with Push Button Start(Power Supply)]. Ref. to Keyless Access With Push Button Start System (Diagnostics)>Data Monitor .
    • Vehicle speed signal

    Is the display normal according to the parked state or driving state?

    Yes  : Even if DTC is displayed, the circuit has returned to a normal condition at this time. Reproduce the failure, and then perform the diagnosis again.

    NOTE: In this case, temporary poor contact of connector, temporary open or short circuit of harness may be the cause.

    No  : Go to  4 .

  4. CHECK HARNESS (OPEN CIRCUIT)  .
    1. Turn the ignition switch to OFF.
    2. Disconnect the keyless access control module connector.
    3. Disconnect the VDC control module connector.
    4. Using a tester, measure the resistance between the keyless access control module connector and VDC control module connector.

      Connector and terminal 

      (i91) No. 7 - (B66) No. 34:

    Is the resistance less than 1 Ω?

    Yes  : Go to  5 .

    No  : Repair or replace the open circuit of harness.

  5. CHECK HARNESS (GROUND SHORT CIRCUIT)  .

    Using a tester, measure the resistance between the keyless access control module connector and chassis ground.

    Connector and terminal 

    (i91) No. 7 - Chassis ground:

    Is the resistance 30 kΩ or more?

    Yes  : Go to  6 .

    No  : Repair or replace the short circuit of the harness.

  6. CHECK KEYLESS ACCESS CONTROL MODULE  .
    1. Connect each connector.
    2. Using an oscilloscope, measure the waveform between the keyless access control module connector and chassis ground.

      Connector and terminal 

      (i91) No. 7 - Chassis ground:

    Is 3.54 Hz displayed when the vehicle is driven approx. at 5 km/h (3 MPH)? Or does the value change from 3.54 Hz when the vehicle stops?

    Yes  : Replace the keyless access control module. Ref. to SECURITY AND LOCKS>KEYLESS ACCESS CONTROL MODULE .

    No  : Check the VDC. Ref. to BRAKE CONTROL (DIAGNOSTICS)>BASIC DIAGNOSTIC PROCEDURE .