LEMON Manuals: Even more car manuals for everyone
Home >> Subaru >> 2021 >> Forester Base >> Repair and Diagnosis >> Brakes >> Traction Control >> Vehicle Dynamics Control System >> Front ABS Wheel Speed Sensor >> Inspection >> Check Abs Wheel Speed Sensor Unit

Check Abs Wheel Speed Sensor Unit

  1. Visually check the tip of the sensor sub assembly front for foreign particles or damage. If necessary, clean the tip or replace the sensor sub assembly front.
  2. Disconnect the sensor sub assembly front connector.
  3. Check insulation of the sensor sub assembly front cable. Replace the sensor sub assembly front if faulty.
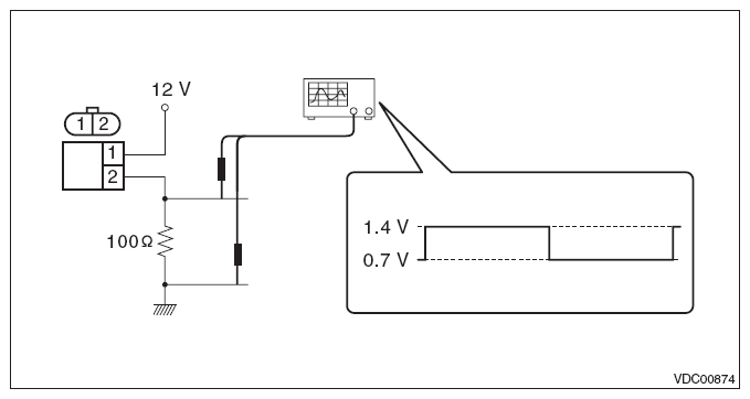
  4. Connect a 12 V power supply to No. 1 terminal of sensor sub assembly front connector, then attach resistance to the No. 2 terminal. Rotate the wheel at about 3 km/h (2 MPH), and measure the voltage using an oscilloscope.

    Standard value of output voltage: 

    0.7 - 1.4 V

    G07914208Courtesy of SUBARU OF AMERICA, INC.
    • If the inspection result shows that the output voltage is out of the standard value: Replace the magnetic encoder (front hub unit bearing).
    • If the inspection result shows that the output voltage is within standard value: Replace the hydraulic unit assembly VDC.