LEMON Manuals: Even more car manuals for everyone
Home >> Subaru >> 2021 >> Forester Base >> Repair and Diagnosis >> Body & Frame >> Windows >> Power Window System (Diagnostics) >> Diagnostic Procedure For Subaru Select Monitor Communication >> Inspection >> Power Window Main Switch

Power Window Main Switch

Trouble symptom: 

Cannot communicate with [Power Window (Switch)].

Detecting condition: 

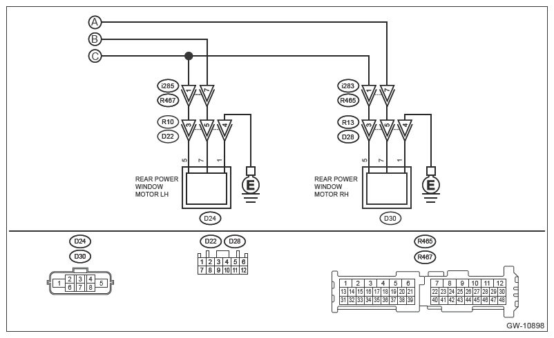
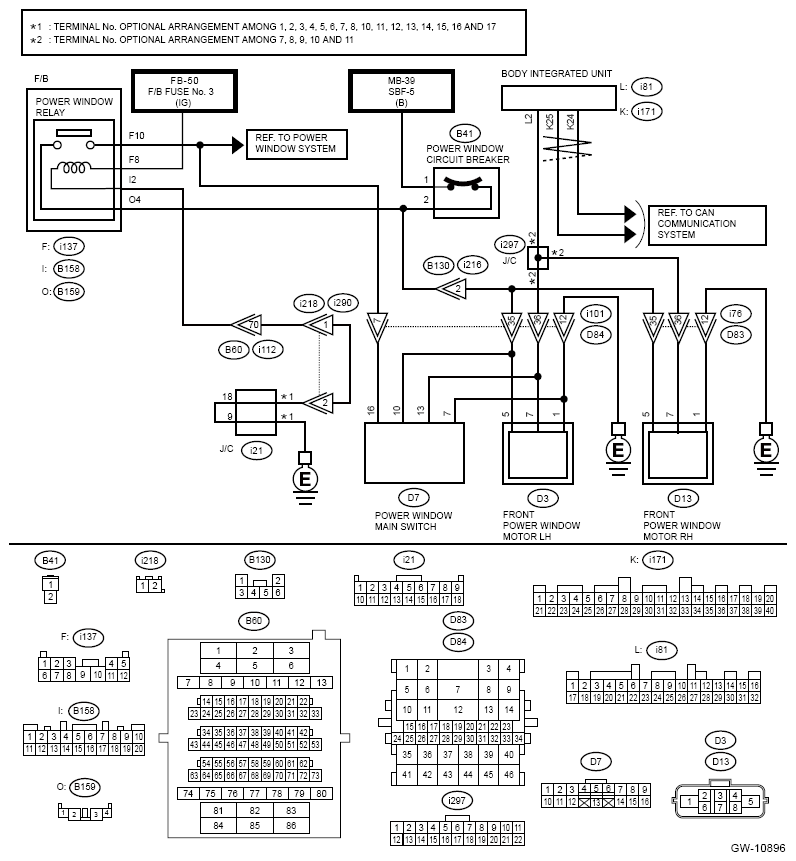
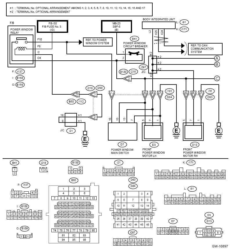
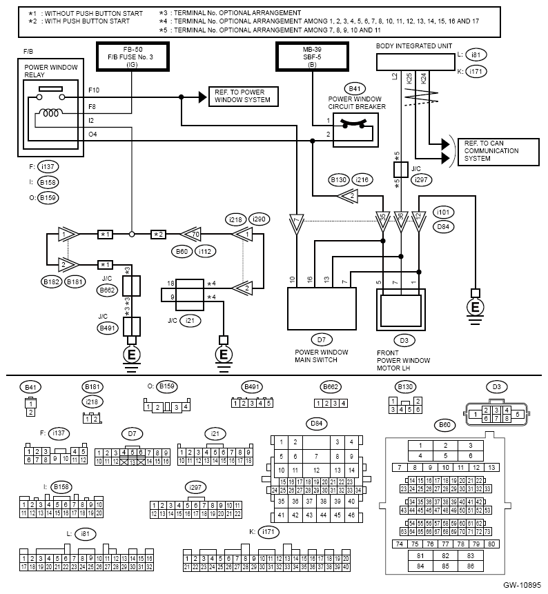
Wiring diagram: 

Power window system Ref. to WIRING SYSTEM>POWER WINDOW SYSTEM>WIRING DIAGRAM .

CAN communication system Ref. to WIRING SYSTEM>CAN COMMUNICATION SYSTEM>WIRING DIAGRAM .

  1. CHECK BATTERY TERMINAL  .

    Check battery terminal.

    Is there poor contact at battery terminal?

    Yes:  Replace or tighten the battery terminal.

    No:  Go to  2 .

  2. CHECK IGNITION SWITCH  .

    Check the ignition switch.

    Is the ignition switch ON?

    Yes:  Go to  3 .

    No:  Turn the ignition switch to ON, and Go to  3 .

  3. CHECK BATTERY  .
    1. Turn the ignition switch to OFF.
    2. Check the battery. Ref. to STARTING/CHARGING SYSTEMS (H4DO)>BATTERY>INSPECTION .

    Is the battery OK?

    Yes:  Go to  4 .

    No:  Charge or replace the battery.

  4. CHECK LAN SYSTEM  .

    Perform the diagnosis for LAN system. Ref. to LAN SYSTEM (DIAGNOSTICS)>BASIC DIAGNOSTIC PROCEDURE>PROCEDURE .

    Is LAN system OK?

    Yes:  Go to  5 .

    No:  Perform the inspection according to the diagnosis for LAN system.

  5. CHECK POWER WINDOW MAIN SWITCH CONNECTOR  .
    1. Turn the ignition switch to OFF.
    2. Check the power window main switch connector.

    Is the power window main switch connector inserted into the power window main switch until the clamp locks?

    Yes:  Go to  6 .

    No:  Insert the power window main switch connector into the power window main switch.

  6. CHECK SUBARU SELECT MONITOR COMMUNICATION  .
    1. Turn the ignition switch to ON.
    2. Using the Subaru Select Monitor, check whether the communication with [Power Window (Switch)] can be executed normally.

    Is communication performed normally?

    Yes:  Using the Subaru Select Monitor, read DTCs of [Power Window (Switch)], and perform the diagnosis for the displayed DTCs. Ref. to POWER WINDOW (DIAGNOSTICS)>DIAGNOSTIC TROUBLE CODE (DTC) .

    No:  Go to  7 .

  7. CHECK POWER SUPPLY CIRCUIT  .
    1. Turn the ignition switch to OFF.
    2. Disconnect the power window main switch connector.
    3. Turn the ignition switch to ON. (Engine OFF)
    4. Using a tester, measure the ignition power supply voltage between the power window main switch connector and chassis ground.

      Connector and terminal 

      With off-delay function for driver's seat only 

      (D7) No. 10 (+) - Chassis ground (-):

      Other than with off-delay function for driver's seat only 

      (D7) No. 16 (+) - Chassis ground (-):

    Is the voltage 10 - 15 V?

    Yes:  Go to  8 .

    No:  Repair the open circuit of harness between the power window main switch and the battery.

  8. CHECK HARNESS BETWEEN POWER WINDOW MAIN SWITCH AND CHASSIS GROUND  .
    1. Turn the ignition switch to OFF.
    2. Using a tester, measure the resistance of the harness between the power window main switch connector and chassis ground.

      Connector and terminal 

      (D7) No. 7 - Chassis ground:

    Is the resistance less than 1 Ω?

    Yes:  Go to  9 .

    No:  Repair the open circuit of the power window main switch ground circuit and the poor contact of connector.

  9. CHECK POOR CONTACT OF CONNECTORS  .

    Check the power window main switch power supply circuit, ground circuit, or data link connector for poor contact.

    Is there poor contact in the power window main switch power supply circuit, ground circuit, or data link connector?

    Yes:  Repair the poor contact of connector.

    No:  If initialization communication using Select Monitor is impossible at this time, replace the power window main switch. If the communication is possible, temporary poor contact of connector, temporary open or short circuit of harness may be the cause.