LEMON Manuals: Even more car manuals for everyone
Home >> Subaru >> 2021 >> Forester Base >> Repair and Diagnosis (Single Page) >> Transmission >> Automatic Trans >> Automatic Transaxle System (Diagnostics) >> Diagnostic Procedure With Diagnostic Trouble Code (DTC) >> DTC P0962: Pressure Control Solenoid "A" Control Circuit Low >> Notes

DTC P0962: Pressure Control Solenoid "A" Control Circuit Low: Notes

1. - 

DTC detecting condition: 

Immediately at fault recognition

Trouble symptom: 

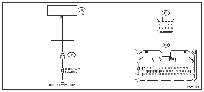
Wiring diagram: 

CVT control system Ref. to WIRING SYSTEM>CVT CONTROL SYSTEM .

G13228323Courtesy of SUBARU OF AMERICA, INC.
CAUTION:
  1. CHECK SECONDARY SOLENOID (WHEN THE ENGINE IS COLD: ATF TEMPERATURE APPROX. 20°C)  .
    1. Using the Subaru Select Monitor, check that [ATF Temp.] is 20°C.
    2. Turn the ignition switch to OFF.
    3. Disconnect the TCM connector.
    4. Measure the resistance between TCM connector and transmission body.

    Connector & terminal 

    (T10) No. 32 - Transmission body:

    Is the resistance approximately 4.8 - 8.4 Ω?

    Yes  : Go to  2 .

    No  : Go to  3 .

  2. CHECK SECONDARY SOLENOID (WHEN THE ENGINE IS WARMED-UP: ATF TEMPERATURE 80°C OR MORE)  .
    1. Connect the TCM connector.
    2. Using the Subaru Select Monitor, warm up the engine until [ATF Temp.] reaches 80°C or more.
    3. Turn the ignition switch to OFF.
    4. Disconnect the TCM connector.
    5. Measure the resistance between TCM connector and transmission body.

    Connector & terminal 

    (T10) No. 32 - Transmission body:

    NOTE: The resistance value increases as the temperature increases.

    Is the resistance the same as the measured value in step 1 or less?

    YES  : Go to  3 .

    No  : Check for poor contact of connector, and if no fault is found, replace the TCM. Ref. to CONTINUOUSLY VARIABLE TRANSMISSION (TR580)>TRANSMISSION CONTROL MODULE (TCM) .

  3. CHECK HARNESS INSIDE TRANSMISSION  .
    CAUTION: Start work after ATF cools down.
    1. Remove the transmission valve cover.
    2. Check for the harness pinch, damage.

    Is the check result OK?

    Yes  : Go to  4 .

    No  : Repair or replace the harness.

  4. CHECK TRANSMISSION HARNESS (SHORT TO GROUND)  .
    1. Disconnect the control valve body connector.
    2. Measure the resistance between TCM connector and chassis ground.

    Connector & terminal 

    (T10) No. 32 - Chassis ground:

    Is the resistance 1 MΩ or more?

    Yes  : Replace the control valve body. Ref. to CONTINUOUSLY VARIABLE TRANSMISSION (TR580)>CONTROL VALVE BODY .

    No  : Repair or replace the harness.