LEMON Manuals: Even more car manuals for everyone
Home >> Subaru >> 2021 >> Forester Base >> Repair and Diagnosis (Single Page) >> Engine Performance >> System >> Engine Control System (Diagnostics) (4 Of 4) >> Diagnostic Procedure With Diagnostic Trouble Code (DTC) >> DTC U0284: Lost Communication With Active Grille Shutter Module ""A"" >> Notes

DTC U0284: Lost Communication With Active Grille Shutter Module ""A"": Notes

1.- 

DTC detecting condition: 

Immediately at fault recognition

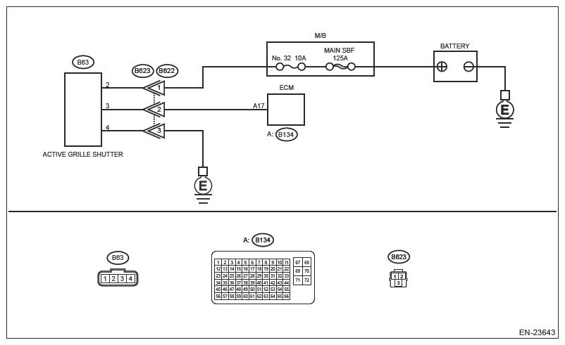
Wiring diagram: 

Engine Electrical System Ref. to WIRING SYSTEM>ENGINE ELECTRICAL SYSTEM .

G13227901Courtesy of SUBARU OF AMERICA, INC.
CAUTION: Use the check board when measuring the ECM terminal voltage and resistance. Ref. to ENGINE (DIAGNOSTICS) (H4DO)>GENERAL DESCRIPTION>PREPARATION TOOL>HOW TO USE CHECK BOARD .
NOTE: After the faulty parts are repaired or replaced, perform the final check in Basic Diagnostic Procedure. Ref. to ENGINE (DIAGNOSTICS) (H4DO)>BASIC DIAGNOSTIC PROCEDURE>PROCEDURE .
  1. CHECK DTC  .
    1. Turn the ignition switch to ON.
    2. Using the Subaru Select Monitor or a general scan tool, read the DTC of [Engine]. Ref. to COMMON (DIAG)>DIAGNOSTIC TROUBLE CODE (DTC) .

    Is DTC U0284 displayed? (Current malfunction)

    Yes: Go to  2 .

    No: No The circuit has returned to a normal condition at this time. Reproduce the failure, and then perform the diagnosis again.

    NOTE: In this case, temporary poor contact of connector, temporary open or short circuit of harness may be the cause.
  2. CHECK DTC  .

    Using the Subaru Select Monitor or a general scan tool, read the DTC of [Engine]. Ref. to COMMON (DIAG)>DIAGNOSTIC TROUBLE CODE (DTC) .

    Is DTC other than U0284 displayed? (Current malfunction)

    Yes: Check the appropriate DTC using the "Diagnostic Trouble Code (DTC)". Ref. to ENGINE (DIAGNOSTICS) (H4DO)>DIAGNOSTIC TROUBLE CODE (DTC) .

    No: Go to  3 .

  3. CHECK HARNESS BETWEEN ECM CONNECTOR AND ACTIVE GRILLE SHUTTER CONNECTOR (SHORT TO GROUND)  .
    1. Turn the ignition switch to OFF.
    2. Disconnect the battery. Ref. to GROUND TERMINAL REMOVAL OR INSTALLATION .
    3. Disconnect the connector from ECM.
    4. Disconnect the connector from the active grille shutter.
    5. Measure the resistance between active grille shutter connector and engine ground.

    Connector and terminal 

    (B63) No. 3 - Engine ground:

    Is the resistance 1MΩ or more?

    Yes: Go to  4 .

    No: No Repair the short circuit to ground in harness between ECM and active grille shutter connector.

  4. CHECK HARNESS BETWEEN ECM CONNECTOR AND ACTIVE GRILLE SHUTTER CONNECTOR (OPEN)  .

    Measure the resistance of harness between ECM and active grille shutter connector.

    Connector and terminal 

    (B134) No. 17 - (B63) No. 3:

    Is the resistance less than 10 Ω?

    Yes: Go to  5 .

    No: Repair the following item.

    • Open circuit of harness between ECM and active grille shutter connector
    • Poor contact of coupling connector
  5. CHECK ACTIVE GRILLE SHUTTER POWER SUPPLY  .
    1. Connect the battery. Ref. to GROUND TERMINAL REMOVAL OR INSTALLATION .
    2. Measure the voltage between active grille shutter connector and engine ground.

    Connector and terminal 

    (B63) No. 2 (+) - Engine ground (-):

    Is the voltage 9 V or more?

    Yes: Go to  6 .

    No: Repair the following item.

    • Open circuit or short circuit to ground in harness between active grille shutter connector and M/B
    • Poor contact of coupling connector
    • Blown out of fuse
  6. CHECK HARNESS BETWEEN ACTIVE GRILLE SHUTTER CONNECTOR AND GROUND (OPEN)  .

    Measure the resistance of harness between active grille shutter connector and engine ground.

    Connector and terminal 

    (B63) No. 4 - Engine ground:

    Is the resistance less than 10 Ω ?

    Yes: Replace the active grille shutter. Ref. to COOLING (H4DO)>ACTIVE GRILLE SHUTTER .

    No: Repair the following item.

    • Open circuit in harness between active grille shutter connector and ground
    • Poor contact of coupling connector