LEMON Manuals: Even more car manuals for everyone
Home >> Subaru >> 2021 >> Forester Base >> Repair and Diagnosis (Single Page) >> Engine Performance >> System >> Engine Control System (Diagnostics) (2 Of 4) >> Diagnostic Procedure With Diagnostic Trouble Code (DTC) >> DTC P060B: Internal Control Module A/D Processing Performance >> Component Description

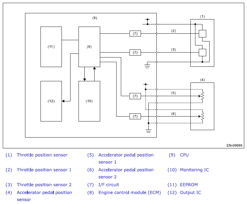
Component Description

G13891255Courtesy of SUBARU OF AMERICA, INC.