LEMON Manuals: Even more car manuals for everyone
Home >> Subaru >> 2021 >> Forester Base >> Repair and Diagnosis (Single Page) >> Engine Performance >> System >> Engine Control System (Diagnostics) (2 Of 4) >> Diagnostic Procedure With Diagnostic Trouble Code (DTC) >> DTC P0512: Starter (Switch) Request Circuit >> Model Without Push Button Start

Model Without Push Button Start

DTC detecting condition: 

Immediately at fault recognition

Trouble symptom: 

Failure of engine to start

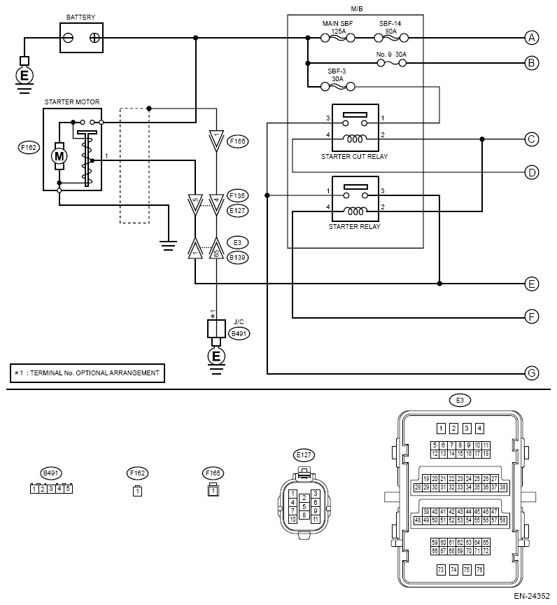
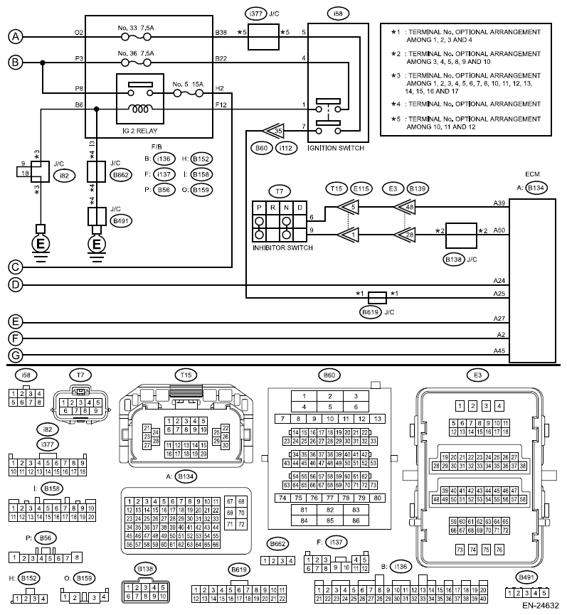
Wiring diagram: 

Engine Electrical System Ref. to WIRING SYSTEM>ENGINE ELECTRICAL SYSTEM .

G13589230Courtesy of SUBARU OF AMERICA, INC.
G13891323Courtesy of SUBARU OF AMERICA, INC.
CAUTION: Use the check board when measuring the ECM terminal voltage and resistance. Ref. to ENGINE (DIAGNOSTICS) (H4DO)>GENERAL DESCRIPTION>PREPARATION TOOL>HOW TO USE CHECK BOARD .
NOTE: After the faulty parts are repaired or replaced, perform the final check in Basic Diagnostic Procedure. Ref. to ENGINE (DIAGNOSTICS) (H4DO)>BASIC DIAGNOSTIC PROCEDURE>PROCEDURE .
  1. CHECK DTC  .
    1. Turn the ignition switch to ON.
    2. Using the Subaru Select Monitor or a general scan tool, perform the clear memory of [Engine].

      Ref. to COMMON (DIAG)>CLEAR MEMORY .

    3. Start and idle the engine for three minutes or more.
    4. Using the Subaru Select Monitor or a general scan tool, read the DTC of [Engine].

      Ref. to COMMON (DIAG)>DIAGNOSTIC TROUBLE CODE (DTC) .

    Is DTC P0512 displayed? (Current malfunction)

    Yes  : Go to  2 .

    No  : Even if DTC is detected, the circuit has returned to a normal condition at this time.

    Reproduce the failure, and then perform the diagnosis again.

    NOTE: In this case, temporary poor contact of connector, temporary open or short circuit of harness may be the cause.
  2. CHECK HARNESS BETWEEN ECM AND IGNITION SWITCH (SHORT TO POWER SUPPLY)  .
    1. Turn the ignition switch to OFF.
    2. Disconnect the connector from ECM.
    3. Turn the ignition switch to ON.
    4. Measure the voltage between ECM connector and engine ground.

      Connector and terminal 

      (B134) No. 25 (+) - Engine ground (-):

    Is the voltage 10 V or more?

    Yes  : Repair the short circuit to power supply in harness between ECM connector and ignition switch connector.

    No  : Repair the poor contact of ECM connector.