LEMON Manuals: Even more car manuals for everyone
Home >> Subaru >> 2021 >> Forester Base >> Repair and Diagnosis (Single Page) >> Engine Performance >> System >> Engine Control System (Diagnostics) (2 Of 4) >> Diagnostic Procedure With Diagnostic Trouble Code (DTC) >> DTC P0459: EVAP System (CPC) Purge Control Valve "A" Circuit High >> Notes

DTC P0459: EVAP System (CPC) Purge Control Valve "A" Circuit High: Notes

1. - 

DTC detecting condition: 

Detected when two consecutive driving cycles with fault occur.

Trouble symptom: 

Improper idling

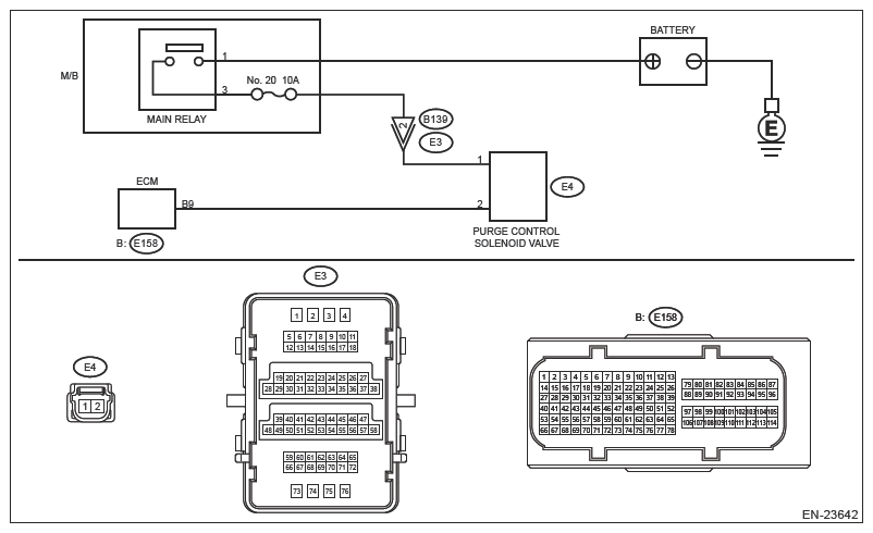
Wiring diagram: 

Engine Electrical System Ref. to WIRING SYSTEM>ENGINE ELECTRICAL SYSTEM .

G13227865Courtesy of SUBARU OF AMERICA, INC.
CAUTION: Use the check board when measuring the ECM terminal voltage and resistance. Ref. to ENGINE (DIAGNOSTICS) (H4DO)>GENERAL DESCRIPTION>PREPARATION TOOL>HOW TO USE CHECK BOARD .
NOTE: After the faulty parts are repaired or replaced, perform the final check in Basic Diagnostic Procedure. Ref. to ENGINE (DIAGNOSTICS) (H4DO)>BASIC DIAGNOSTIC PROCEDURE>PROCEDURE .
  1. CHECK HARNESS BETWEEN ECM AND PURGE CONTROL SOLENOID VALVE CONNECTOR (SHORT TO POWER SUPPLY)  .
    1. Turn the ignition switch to OFF.
    2. Disconnect the connector from ECM.
    3. Disconnect the connector from the purge control solenoid valve.
    4. Turn the ignition switch to ON.
    5. Measure the voltage between ECM connector and engine ground.

      Connector and terminal 

      (E158) No. 9 (+) - Engine ground (-):

    Is the voltage 10 V or more?

    Yes  : Repair the short circuit to power in the harness between ECM connector and purge control solenoid valve connector.

    No  : Go to  2 .

  2. CHECK PURGE CONTROL SOLENOID VALVE  .
    1. Turn the ignition switch to OFF.
    2. Check the purge control solenoid valve.

      Ref. to EMISSION CONTROL (AUX. EMISSION CONTROL DEVICES) (H4DO)>PURGE CONTROL SOLENOID VALVE>INSPECTION .

    Is the check result OK?

    Yes  : Repair the poor contact of ECM connector.

    No  : Replace the purge control solenoid valve. Ref. to EMISSION CONTROL (AUX. EMISSION CONTROL DEVICES) (H4DO)>PURGE CONTROL SOLENOID VALVE .