LEMON Manuals: Even more car manuals for everyone
Home >> Subaru >> 2021 >> Forester Base >> Repair and Diagnosis (Single Page) >> Electrical >> Starter >> Auto Start Stop System (Diagnostics) >> Diagnostic Procedure with Diagnostic Trouble Code (DTC) >> DTC U1604: Lost Communication With Dc/Dc Converter Module 1 >> Notes

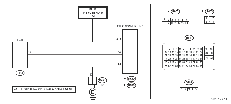
DTC U1604: Lost Communication With Dc/Dc Converter Module 1: Notes

1. - 

DTC detecting condition: 

Detected when two consecutive driving cycles with fault occur.

Wiring diagram: 

Auto Start Stop Ref. to WIRING SYSTEM>AUTO START STOP .

G13589620Courtesy of SUBARU OF AMERICA, INC.
CAUTION:
  1. CHECK DTC  .

    Read the DTC of [Engine] using the Subaru Select Monitor. Ref. to ENGINE (DIAGNOSTICS) (H4DO)>DIAGNOSTIC TROUBLE CODE (DTC) .

    Is DTC U0077 displayed?

    Yes  : Perform the diagnosis according to the DTC. Ref. to ENGINE (DIAGNOSTICS) (H4DO)>DIAGNOSTIC PROCEDURE WITH DIAGNOSTIC TROUBLE CODE (DTC)>DTC U0077: LIN COMMUNICATION BUS "ECM/PCM" OFF .

    No  : Go to  2 .

  2. CHECK HARNESS BETWEEN ECM AND DC/DC CONVERTER 1  .
    1. Turn the ignition switch to OFF.
    2. Disconnect the ECM connector.
    3. Disconnect the DC/DC converter 1 connector.
    4. Measure the resistance between ECM connector and DC/DC converter 1 connector.

      Connector and terminal 

      (B134) No. 17 - (B562) No. 9:

    Is the resistance less than 1 Ω?

    Yes  : Go to  3 .

    No  : Repair the open circuit in harness between ECM connector and DC/DC converter 1 connector.

  3. CHECK INPUT VOLTAGE OF DC/DC CONVERTER 1  .
    1. Turn the ignition switch to ON. (With the connector disconnected)
    2. Measure the voltage between DC/DC converter 1 connector and chassis ground.

      Connector and terminal 

      (B562) No. 12 (+) - Chassis ground (-):

    Is the voltage 12 V or more?

    Yes  : Go to  4 .

    No  : Repair the open harness or broken fuse of power supply circuit.

  4. CHECK HARNESS BETWEEN DC/DC CONVERTER 1 AND CHASSIS GROUND  .
    1. Turn the ignition switch to OFF.
    2. Measure the resistance between DC/DC converter 1 connector and chassis ground.

      Connector and terminal 

      (B563) No. 4 - Chassis ground:

    Is the resistance less than 5 Ω?

    Yes  : Go to  5 .

    No  : Repair the open circuit of harness between DC/DC converter 1 connector and chassis ground.

  5. CHECK REPEATABILITY  .
    1. Using the Subaru Select Monitor, perform the clear memory. Ref. to COMMON (DIAG)>CLEAR MEMORY .
    2. Execute the inspection mode. Ref. to AUTO START STOP (DIAGNOSTICS)>INSPECTION MODE .

    Is DTC U1604 displayed?

    Yes  : Check for the poor contact in DC/DC converter 1 connector and ECM connector. Replace the DC/DC converter 1 if no fault is found. Ref. to STARTING/CHARGING SYSTEMS (H4DO)>AUTO START STOP DC/DC CONVERTER .

    No  : The circuit has returned to a normal condition at this time. Reproduce the failure, and then perform the diagnosis again.

    NOTE: In this case, temporary poor contact of connector, temporary open or short circuit of harness may be the cause.