LEMON Manuals: Even more car manuals for everyone
Home >> Subaru >> 2021 >> Forester Base >> Repair and Diagnosis (Single Page) >> Electrical >> Gauges >> Multi-Function Display (Diagnostics) >> Diagnostic Procedure With Diagnostic Trouble Code (DTC) >> DTC B2229: MFD Flash Memory

DTC B2229: MFD Flash Memory

DTC detecting condition: 

When malfunction of backup operation still remains after restarting it 10 times.

Trouble symptom: 

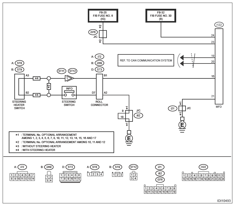
Wiring diagram: 

Multi-function display (MFD) system Ref. to WIRING SYSTEM>MULTI-FUNCTION DISPLAY (MFD) SYSTEM>WIRING DIAGRAM .

G13877396Courtesy of SUBARU OF AMERICA, INC.
CAUTION: Before performing diagnosis, refer to "CAUTION" in "General Description". Ref. to MULTI-FUNCTION DISPLAY (DIAGNOSTICS)>General Description>CAUTION .
  1. CHECK MFD LAST MEMORY  .
    1. Turn the ignition switch to ON.
    2. Press MFD switch and select a screen other than the fuel economy screen.
    3. Turn the ignition switch to OFF. (ACC OFF)
    4. Turn the ignition switch to ON.

    Is the MFD screen the same as the screen shown before the ignition switch is turned to OFF?

    Yes  : Go to  2 .

    No  : Replace the MFD. Ref. to INSTRUMENTATION/DRIVER INFO>MULTI-FUNCTION DISPLAY (MFD) .

  2. CHECK DTC  .
    1. Using the Subaru Select Monitor, perform the clear memory of [Multi-Function Display]. Ref. to COMMON (DIAG)>CLEAR MEMORY .
    2. Turn the ignition switch to OFF.
    3. Disconnect the MFD connector and reconnect it.
    4. Turn the ignition switch to ON.
    5. Read the DTC of [Multi-Function Display] using the Subaru Select Monitor. Ref. to MULTIFUNCTION DISPLAY (DIAGNOSTICS)>DIAGNOSTIC TROUBLE CODE (DTC) .

    Is DTC B2229 displayed? (Current malfunction)

    Yes  : Go to  3 .

    No  : Even if DTC is displayed, the circuit has returned to a normal condition at this time. Reproduce the failure, and then perform the diagnosis again.

    NOTE: In this case, temporary poor contact of connector, temporary open or short circuit of harness may be the cause.
  3. CHECK HARNESS (GROUND SHORT CIRCUIT)  .
    1. Turn the ignition switch to OFF.
    2. Disconnect the MFD connector.
    3. Using a tester, measure the resistance between MFD connector and chassis ground.

      Connector and terminal 

      (i122) No. 1 - 24 (other than No. 21, 24) - Chassis ground:

    Is the resistance 10 kΩ or more?

    Yes  : Replace the MFD. Ref. to INSTRUMENTATION/DRIVER INFO>MULTI-FUNCTION DISPLAY (MFD) .

    No  : Even if DTC is displayed, the circuit has returned to a normal condition at this time. Reproduce the failure, and then perform the diagnosis again.

    NOTE: In this case, temporary poor contact of connector, temporary open or short circuit of harness may be the cause.