LEMON Manuals: Even more car manuals for everyone
Home >> Subaru >> 2021 >> Forester Base >> Repair and Diagnosis (Single Page) >> Accessories & Equipment >> Communication Devices >> Body Control System (Diagnostics) >> Diagnostic Procedure With Diagnostic Trouble Code (DTC) >> DTC U0169: Lost Communication With Sunroof Control Module

DTC U0169: Lost Communication With Sunroof Control Module

DTC detecting condition: 

Data does not arrive from sunroof unit.

Trouble symptom: 

The sunroof may not operate normally.

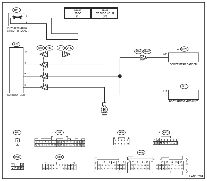
Wiring diagram: 

Sunroof control system Ref. to WIRING SYSTEM>SUNROOF CONTROL SYSTEM .

Power rear gate system Ref. to WIRING SYSTEM>POWER REAR GATE SYSTEM>WIRING DIAGRAM .

G13595863Courtesy of SUBARU OF AMERICA, INC.
CAUTION: Before performing diagnosis, refer to "CAUTION" in "General Description". Ref. to BODY CONTROL (DIAGNOSTICS)>General Description>CAUTION .
  1. CHECK DTC  .
    1. Turn the ignition switch to ON.
    2. Read the DTC of [Body Control] using the Subaru Select Monitor. Ref. to BODY CONTROL (DIAGNOSTICS)>DIAGNOSTIC TROUBLE CODE (DTC) .

    Is DTC U0169 displayed? (Current malfunction)

    Yes  : Go to  2 .

    No  : Even if DTC is displayed, the circuit has returned to a normal condition at this time. Reproduce the failure, and then perform the diagnosis again.

    NOTE: In this case, temporary poor contact of connector, temporary open or short circuit of harness may be the cause.
  2. CHECK BODY INTEGRATED UNIT CUSTOMIZATION  .

    Using Subaru Select Monitor, make sure the [Customize] setting values of [Body Control] correspond to the vehicle.

    Is the setting value of [Sunroof setting] equal to [Exist]?

    Yes  : Go to  3 .

    No  : Change the setting value to [ON].

  3. CHECK DTC  .
    1. Turn the ignition switch to OFF.
    2. Disconnect the sunroof unit connector and body integrated unit connector.
    3. Connect the disconnected connectors.
    4. Turn the ignition switch to ON.
    5. Read the DTC of the LAN system using the Subaru Select Monitor. Ref. to LAN SYSTEM (DIAGNOSTICS)>DIAGNOSTIC TROUBLE CODE (DTC) .

    Is DTC U0169 displayed? (Current malfunction)

    Yes  : Go to  4 .

    No  : Even if DTC is displayed, the circuit has returned to a normal condition at this time. Reproduce the failure, and then perform the diagnosis again.

    NOTE: In this case, temporary poor contact of connector, temporary open or short circuit of harness may be the cause.
  4. CHECK HARNESS (OPEN CIRCUIT)  .
    1. Turn the ignition switch to OFF.
    2. Disconnect the sunroof unit connector and body integrated unit connector.
    3. Using the tester, measure the resistance between terminals.

      Connector and terminal 

      (R55) No. 7 - (i81) No. 18:

      (R55) No. 5 - Chassis ground:

    Is the resistance less than 10 Ω?

    Yes  : Go to  5 .

    No  : Repair the open circuit of harness.

  5. CHECK HARNESS (GROUND SHORT CIRCUIT)  .
    1. Disconnect the sunshade control module connector.
    2. Disconnect the power rear gate control module connector.
    3. Using the tester, measure the resistance between terminals.

      Connector and terminal 

      (R55) No. 7 - Chassis ground:

    Is the resistance 10 kΩ or more?

    Yes  : Go to  6 .

    No  : Repair the shorted portion of harness.

  6. CHECK HARNESS (SHORT CIRCUIT TO POWER SUPPLY)  .
    1. Turn the ignition switch to ON.
    2. Using the tester, measure the voltage between terminals.

      Connector and terminal 

      (R55) No. 7 (+) - Chassis ground (-):

    Is the voltage less than 1 V?

    Yes  : Go to  7 .

    No  : Repair the shorted portion of harness.

  7. CHECK HARNESS  .

    Using the tester, measure the voltage between terminals.

    Connector and terminal 

    (R55) No. 3 (+) - Chassis ground (-):

    (R55) No. 10 (+) - Chassis ground (-):

    Is the voltage 9 V or more?

    Yes  : Go to  8 .

    No  : Repair the open circuit of harness.

  8. CHECK CONTROL MODULE  .
    1. Turn the ignition switch to OFF.
    2. Replace the sunroof unit with a properly functioning part. Ref. to SUNROOF/T-TOP/CONVERTIBLE TOP (SUNROOF)>SUNROOF MOTOR .
    3. Turn the ignition switch to ON.
    4. Read the DTC of [Body Control] using the Subaru Select Monitor. Ref. to BODY CONTROL (DIAGNOSTICS)>DIAGNOSTIC TROUBLE CODE (DTC) .

    Is DTC U0169 displayed? (Current malfunction)

    Yes  : Replace the body integrated unit. Ref. to SECURITY AND LOCKS>BODY INTEGRATED UNIT .

    No  : Go to  9 .

  9. CHECK CONTROL MODULE  .
    1. Turn the ignition switch to OFF.
    2. Connect the power rear gate control module connector.
    3. Turn the ignition switch to ON.
    4. Read the DTC of [Body Control] using the Subaru Select Monitor. Ref. to BODY CONTROL (DIAGNOSTICS)>DIAGNOSTIC TROUBLE CODE (DTC) .

    Is DTC U0169 displayed? (Current malfunction)

    Yes  : Replace the power rear gate control module. Ref. to POWER REAR GATE SYSTEM>POWER REAR GATE CONTROL MODULE .

    No  : Malfunction occurred in the sunroof unit.