LEMON Manuals: Even more car manuals for everyone
Home >> Subaru >> 2021 >> Crosstrek Base, Standard Trans >> Repair and Diagnosis >> Transmission >> Transmission Control Systems >> AT Shift Lock Control System >> Inspection >> Select Lever Cannot Be Locked Or Released (Except For CROSSTREK Hybrid Model)

Select Lever Cannot Be Locked Or Released (Except For CROSSTREK Hybrid Model)

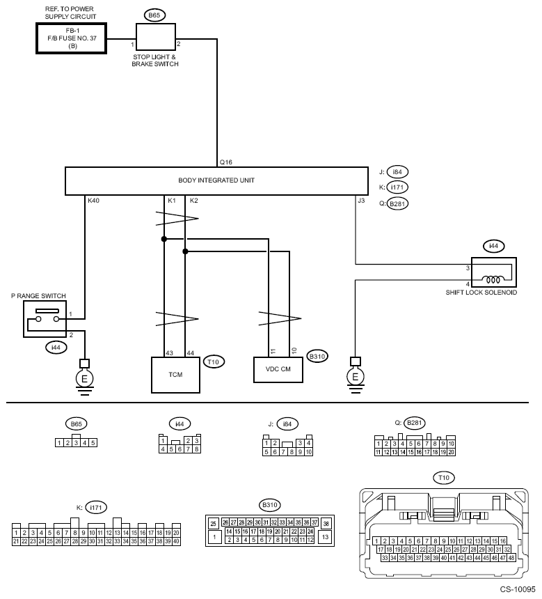
G11255289Courtesy of SUBARU OF AMERICA, INC.
  1. CHECK BODY INTEGRATED UNIT POWER SUPPLY AND GROUND CIRCUIT  .

    Check the power supply and ground circuit for the body integrated unit. Ref. to CONTROL SYSTEMS>AT SHIFT LOCK CONTROL SYSTEM>INSPECTION>CHECK BODY INTEGRATED UNIT POWER SUPPLY AND GROUND CIRCUIT .

    Is the check result OK?

    Yes:  Go to  2.

    No:  Follow the procedures to perform inspection and repair.

  2. CHECK DATA MONITOR  .
    1. Turn the ignition switch to ON.
    2. Shift the select lever to "P" range.
    3. Using Subaru Select Monitor, display [P SW] in [Data monitor] of [Body Control].

    Is the display "ON" in the P range and "OFF" in ranges other than P?

    Yes:  Go to  3.

    No:  Go to  8.

  3. CHECK DATA MONITOR  .

    Using Subaru Select Monitor, display [Stop Light Switch] in [Data monitor] of [Body Control].

    Is "ON" displayed when the brake pedal is depressed and "OFF" displayed when the brake pedal is released?

    Yes:  Go to  4.

    No:  Go to  11.

  4. CHECK DTC  .

    Read the DTC of [Body Control] when the brake pedal is pressed and when it is released. Ref. to COMMON (DIAG)>DIAGNOSTIC TROUBLE CODE (DTC) .

    NOTE: Hold each condition for 5 seconds or more.

    Is DTC displayed? (Current malfunction)

    Yes:  Perform the diagnosis according to DTC.

    No:  Go to  5.

  5. CHECK DATA MONITOR  .

    Using Subaru Select Monitor, display [Shift lock solenoid output] in [Data monitor] of [Body Control].

    Is "ON" displayed when the brake pedal is depressed and "OFF" displayed when the brake pedal is released?

    Yes:  Go to  6.

    No:  Replace the body integrated unit. Ref. to SECURITY AND LOCKS>BODY INTEGRATED UNIT .

  6. CHECK DATA MONITOR  .

    Using Subaru Select Monitor, display [Shift Position] in [Data monitor] of [Body Control].

    Is the display "P" in the P range and other than "P" in ranges other than P?

    Yes:  Go to  7.

    No:  Check the following items.

    • Inhibitor switch
    • Harness between inhibitor switch and TCM
    • TCM input signal
    • TCM CAN communication
  7. CHECK DATA MONITOR  .
    1. Using Subaru Select Monitor, display [Front Wheel Speed] in [Data monitor] of [Body Control].
    2. Start the engine.
    3. Raise vehicle speed gradually up to approximately 20 km/h (12 MPH).

    Is a figure equivalent to the speedometer being indicated?

    Yes:  Go to  12.

    No:  Check the following items.

    • Wheel speed sensor
    • VDC control module CAN communication

    Replace the wheel speed sensor, VDC control module or body integrated unit, or both.

    If the select lever cannot be released even after the unit has been replaced, replace the keyless access control module.

  8. CHECK HARNESS BETWEEN BODY INTEGRATED UNIT AND "P" RANGE SWITCH  .
    1. Disconnect the connector from body integrated unit.
    2. Disconnect the connector of "P" range switch.
    3. Check for open circuit of harness, short circuit to battery or short circuit to ground between the body integrated unit and "P" range switch.

    Connector & terminal 

    (i171) No. 40 - (i44) No. 1:

    Is there any fault in the harness?

    Yes:  Repair or replace the harness between the body integrated unit and the "P" range switch.

    No:  Go to  9.

  9. CHECK HARNESS BETWEEN "P" RANGE SWITCH AND CHASSIS GROUND  .

    Measure the resistance of harness between "P" range switch and chassis ground.

    Connector & terminal 

    (i44) No. 2 - Chassis ground:

    Is the resistance less than 10 Ω?

    Yes:  Go to  10.

    No:  Repair or replace the harness between the "P" range switch and chassis ground.

  10. CHECK "P" RANGE SWITCH  .

    Measure the resistance between "P" range switch connector terminals. Ref. to CONTROL SYSTEMS>AT SHIFT LOCK SOLENOID AND "P" RANGE SWITCH>INSPECTION .

    Terminals 

    No. 2 - No. 1:

    Is the resistance less than 1 Ω in the "P" range, and 1 MΩ or more in ranges other than "P"?

    Yes:  Replace the body integrated unit. Ref. to SECURITY AND LOCKS>BODY INTEGRATED UNIT .

    No:  Replace the "P" range switch. Ref. to CONTROL SYSTEMS>AT SHIFT LOCK SOLENOID AND "P" RANGE SWITCH .

  11. CHECK STOP LIGHT SWITCH INPUT SIGNAL  .
    1. Disconnect the connector from body integrated unit.
    2. Measure the voltage between the body integrated unit connector terminal and chassis ground.

    Connector & terminal 

    (B281) No. 16 (+) - Chassis ground (-):

    Is the voltage 9 - 16 V when the brake pedal is depressed, and less than 1.5 V when not pressed?

    Yes:  Replace the body integrated unit. Ref. to SECURITY AND LOCKS>BODY INTEGRATED UNIT .

    No:  Check the stop light system.

  12. CHECK SOLENOID UNIT OPERATION  .

    Connect the battery to the solenoid unit connector terminal, and operate the solenoid unit. Ref. to CONTROL SYSTEMS>AT SHIFT LOCK SOLENOID AND "P" RANGE SWITCH>INSPECTION .

    Terminals 

    No. 3 (+) - No. 4 (-):

    Does the solenoid unit operate normally?

    Yes:  Check the lock mechanism of the select lever body.

    No:  Replace the solenoid unit. Ref. to CONTROL SYSTEMS>AT SHIFT LOCK SOLENOID AND "P" RANGE SWITCH .