LEMON Manuals: Even more car manuals for everyone
Home >> Subaru >> 2021 >> Ascent Base >> Repair and Diagnosis >> Engine Performance >> System >> Engine Control System (Diagnostics) (General) >> Diagnostics with Phenomenon >> Fuel Pump Circuit

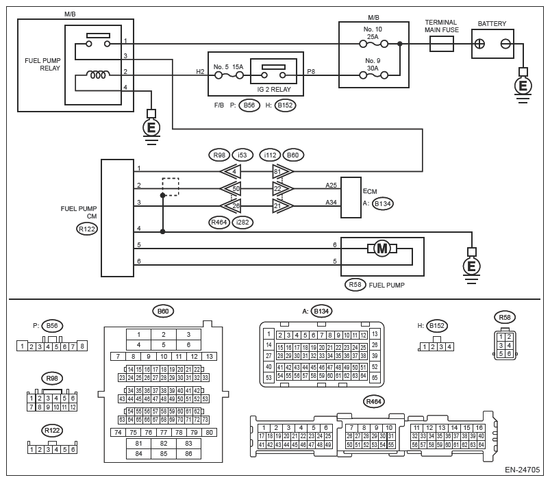
Fuel Pump Circuit

Wiring diagram: 

Engine Electrical System Ref. to WIRING SYSTEM>Engine Electrical System>WIRING DIAGRAM .

G13866517Courtesy of SUBARU OF AMERICA, INC.
CAUTION: Use the check board when measuring the ECM terminal voltage and resistance. Ref. to ENGINE (DIAGNOSTICS) (H4DOTC)>General Description>PREPARATION TOOL>HOW TO USE CHECK BOARD .
  1. CHECK OPERATING SOUND OF FUEL PUMP  .

    Check if the fuel pump operates for two seconds when turning the ignition switch to ON.

    NOTE: Fuel pump operation can be executed using the Subaru Select Monitor. Refer to "Active Test" for the procedures. Ref. to ENGINE (DIAGNOSTICS) (H4DOTC)>ACTIVE TEST .

    Does the fuel pump emit operating sound?

    Yes  : Check the fuel injector circuit. Ref. to ENGINE (DIAGNOSTICS) (H4DOTC)>Diagnostics with Phenomenon>FUEL INJECTOR CIRCUIT .

    No  : Go to  2.

  2. CHECK GROUND CIRCUIT OF FUEL PUMP CONTROL UNIT (OPEN)  .
    1. Turn the ignition switch to OFF.
    2. Disconnect the connector from fuel pump control unit.
    3. i Measure the resistance of harness between fuel pump control unit connector and chassis ground.

      Connector & terminal 

      (R122) No. 4 - Chassis ground:

    Is the resistance less than 5 Ω?

    Yes  : Go to  3.

    No  : Repair the open circuit in harness between fuel pump control unit connector and chassis ground.

  3. CHECK FUEL PUMP CONTROL UNIT POWER SUPPLY  .
    1. Turn the ignition switch to ON.
    2. Measure the voltage between fuel pump control unit connector and chassis ground.

      Connector & terminal 

      (R122) No. 1 (+) - Chassis ground (-):

    Is the voltage 10 V or more?

    Yes  : Go to  4.

    No  : Go to  5.

  4. CHECK OF FUEL PUMP  .
    1. Turn the ignition switch to OFF.
    2. Check fuel pump. Ref. to FUEL INJECTION (FUEL SYSTEMS) (H4DOTC)>Fuel Pump>INSPECTION .

    Is the check result OK?

    Yes  : Repair the poor contact of fuel pump control unit connector.

    No  : Replace the fuel pump. Ref. to FUEL INJECTION (FUEL SYSTEMS) (H4DOTC)>Fuel Pump>REMOVAL .

  5. CHECK HARNESS BETWEEN FUEL PUMP CONTROL UNIT AND M/B (FUEL PUMP RELAY) (OPEN)  .
    1. Turn the ignition switch to OFF.
    2. Remove the fuel pump relay.
    3. Measure the resistance of harness between fuel pump control unit connector and M/B (fuel pump relay).

      Connector & terminal 

      (R122) No. 1 - M/B (fuel pump relay) No. 3:

    Is the resistance less than 1 Ω?

    Yes  : Go to  6.

    No  : Repair the following item.

    • Open circuit in harness between fuel pump control unit connector and M/B (fuel pump relay)
    • Poor contact of coupling connector
  6. CHECK HARNESS BETWEEN FUEL PUMP CONTROL UNIT AND M/B (FUEL PUMP RELAY) (SHORT TO GROUND)  .

    Measure the resistance of harness between fuel pump connector and M/B (fuel pump relay).

    Connector & terminal 

    (R122) No. 1 - Chassis ground:

    Is the resistance 1 MΩ or more?

    Yes  : Go to  7.

    No  : Repair the short circuit to ground in harness between fuel pump control unit connector and M/B (fuel pump relay).

  7. CHECK FUEL PUMP RELAY. \ 

    Check the fuel pump relay. Ref. to FUEL INJECTION (FUEL SYSTEMS) (H4DOTC)>Fuel Pump Relay>INSPECTION .

    Is the check result OK?

    Yes  : Go to  8.

    No  : Replace the fuel pump relay. Ref. to FUEL INJECTION (FUEL SYSTEMS) (H4DOTC)>FUEL PUMP RELAY .

  8. CHECK POWER SUPPLY OF M/B (FUEL PUMP RELAY)  .
    1. Turn the ignition switch to ON.
    2. Measure the voltage between M/B (fuel pump relay) and engine ground.

      Connector & terminal 

      M/B (fuel pump relay) No. 1 (+) - Engine ground (-):

      M/B (fuel pump relay) No. 2 (+) - Engine ground (-):

    Is the voltage 10 V or more?

    Yes  : Go to  9.

    No  : Repair the following item.

    • Blown out of fuse
    • Defective F/B (IG2 relay)
    • Poor contact of F/B (IG2 relay)
  9. CHECK GROUND CIRCUIT OF M/B (FUEL PUMP RELAY) (OPEN)  .
    1. Turn the ignition switch to OFF.
    2. Measure the resistance in harness between M/B (fuel pump relay) terminal and engine ground.

      Connector & terminal 

      No. 4 - Engine ground:

    Is the resistance less than 5 Ω?

    Yes  : Repair the poor contact of fuel pump control unit connector.

    No  : Repair the open circuit between M/B (fuel pump relay) and engine ground.

NOTE: After the faulty parts are repaired or replaced, perform the final check in Basic Diagnostic Procedure. Ref. to ENGINE (DIAGNOSTICS) (H4DOTC)>Basic Diagnostic Procedure>PROCEDURE .