LEMON Manuals: Even more car manuals for everyone
Home >> Subaru >> 2021 >> Ascent Base >> Repair and Diagnosis >> Engine Performance >> System >> Engine Control System (Diagnostics) (2 Of 4) >> Diagnostic Procedure with Diagnostic Trouble Code (DTC) >> DTC P0328: Knock/Combustion Vibration Sensor 1 Circuit High Bank 1 Or Single Sensor >> Notes

DTC P0328: Knock/Combustion Vibration Sensor 1 Circuit High Bank 1 Or Single Sensor: Notes

  1. DTC detecting condition: 

    Immediately at fault recognition

    Trouble symptom: 

    • Poor driving performance
    • Knocking occurs

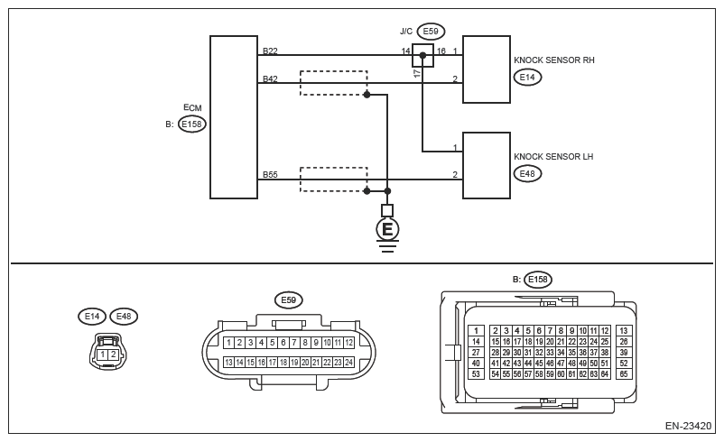
    Wiring diagram: 

    Engine Electrical System Ref. to WIRING SYSTEM>ENGINE ELECTRICAL SYSTEM .

    G13866336Courtesy of SUBARU OF AMERICA, INC.
    CAUTION: Use the check board when measuring the ECM terminal voltage and resistance. Ref. to ENGINE (DIAGNOSTICS) (H4DOTC)>General Description>PREPARATION TOOL>HOW TO USE CHECK BOARD .
    NOTE: After the faulty parts are repaired or replaced, perform the final check in Basic Diagnostic Procedure. Ref. to ENGINE (DIAGNOSTICS) (H4DOTC)>Basic Diagnostic Procedure>PROCEDURE .
  1. CHECK HARNESS BETWEEN ECM AND KNOCK SENSOR CONNECTOR  .
    1. Turn the ignition switch to OFF.
    2. Disconnect the connector from ECM.
    3. Measure the resistance between ECM connectors.

      Connector & terminal 

      (E158) No. 22 - (E158) No. 42:

    Is the resistance 600 kΩ or more?

    Yes  : Go to  2.

    No  : Repair the poor contact of ECM connector.

  2. CHECK KNOCK SENSOR  .
    1. Disconnect the connector from the knock sensor.
    2. Measure the resistance between knock sensor terminals.

      Terminals 

      No. 1 - No. 2:

    Is the resistance 600 kΩ or more?

    Yes  : Replace the knock sensor. Ref. to FUEL INJECTION (FUEL SYSTEMS) (H4DOTC)>KNOCK SENSOR .

    No  : Repair the following item.

    • Open circuit in harness between ECM connector and knock sensor connector
    • Poor contact of J/C