LEMON Manuals: Even more car manuals for everyone
Home >> Subaru >> 2021 >> Ascent Base >> Repair and Diagnosis >> Engine Performance >> System >> Engine Control System (Diagnostics) (1 Of 4) >> Diagnostic Procedure with Diagnostic Trouble Code (DTC) >> DTC P0023: "B" Camshaft Position Actuator Control Circuit/Open Bank 2 >> Notes

DTC P0023: "B" Camshaft Position Actuator Control Circuit/Open Bank 2: Notes

DTC detecting condition: 

Immediately at fault recognition

Trouble symptom: 

Improper idling

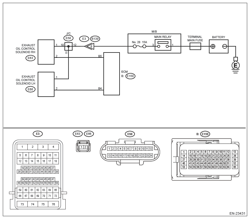
Wiring diagram: 

Engine Electrical System Ref. to WIRING SYSTEM>ENGINE ELECTRICAL SYSTEM .

G13866225Courtesy of SUBARU OF AMERICA, INC.
CAUTION: Use the check board when measuring the ECM terminal voltage and resistance. Ref. to ENGINE (DIAGNOSTICS) (H4DOTC)>General Description>PREPARATION TOOL>HOW TO USE CHECK BOARD .
NOTE: After the faulty parts are repaired or replaced, perform the final check in Basic Diagnostic Procedure. Ref. to ENGINE (DIAGNOSTICS) (H4DOTC)>Basic Diagnostic Procedure>PROCEDURE .
  1. CHECK OUTPUT SIGNAL OF ECM  .
    1. Turn the ignition switch to ON.
    2. Measure the voltage between ECM connector and engine ground.

      Connector & terminal 

      (E158) No. 4 (+) - Engine ground (-):

      Is the voltage 10 V or more?

      Yes  : Go to  2.

      No  : Go to  3.

  2. CHECK FOR POOR CONTACT  .

    Check for poor contact of ECM connector.

    Is there poor contact of ECM connector?

    Yes  : Repair the poor contact of ECM connector.

    No  : Even if DTC is detected, the circuit has returned to a normal condition at this time.

    Reproduce the failure, and then perform the diagnosis again.

    NOTE: In this case, temporary poor contact of connector, temporary open or short circuit of harness may be the cause.
  3. CHECK EXHAUST OIL CONTROL SOLENOID LH POWER SUPPLY  .

    Measure the voltage between exhaust oil control solenoid LH connector and engine ground.

    Connector & terminal 

    (E66) No. 1 (+) - Engine ground (-):

    Is the voltage 10 V or more?

    Yes  : Go to  4.

    No  : Repair the following item.

    • Open circuit or short circuit to ground in harness between M/B and exhaust oil control solenoid LH connector
    • Blown out of fuse
    • Poor contact of coupling connector
    • Poor contact of J/C
  4. CHECK HARNESS BETWEEN ECM AND EXHAUST OIL CONTROL SOLENOID LH (SHORT TO POWER SUPPLY)  .
    1. Turn the ignition switch to OFF.
    2. Disconnect the connector from ECM.
    3. Disconnect the connector from the exhaust oil control solenoid LH.
    4. Turn the ignition switch to ON.
    5. Measure the voltage between ECM connector and engine ground.

      Connector & terminal 

      (E158) No. 4 (+) - Engine ground (-):

      Is the voltage 10 V or more?

      Yes  : Repair the short circuit to power supply in harness between ECM connector and exhaust oil control solenoid LH connector.

      No  : Go to  5.

  5. CHECK HARNESS BETWEEN ECM AND EXHAUST OIL CONTROL SOLENOID LH CONNECTOR (SHORT TO GROUND)  .
    1. Turn the ignition switch to OFF.
    2. Measure the resistance between exhaust oil control solenoid LH connector and engine ground.

      Connector & terminal 

      (E66) No. 2 - Engine ground:

      Is the resistance 1 MΩ or more?

      Yes  : Go to  6.

      No  : Repair the short circuit to ground in harness between ECM connector and exhaust oil control solenoid LH connector.

  6. CHECK HARNESS BETWEEN ECM AND EXHAUST OIL CONTROL SOLENOID LH CONNECTOR (OPEN)  .

    Measure the resistance of harness between ECM connector and exhaust oil control solenoid LH.

    Connector & terminal 

    (E158) No. 4 - (E66) No. 2:

    Is the resistance less than 1 Ω?

    Yes  : Go to  7.

    No  : Repair the open circuit in harness between ECM connector and exhaust oil control solenoid LH connector.

  7. CHECK EXHAUST OIL CONTROL SOLENOID LH  .

    Check the exhaust oil control solenoid LH. Ref. to FUEL INJECTION (FUEL SYSTEMS) (H4DOTC)>Oil Control Solenoid>INSPECTION .

    Is the check result OK?

    Yes  : Repair the poor contact of exhaust oil control solenoid LH connector.

    No  : Replace the exhaust oil control solenoid LH. Ref. to FUEL INJECTION (FUEL SYSTEMS) (H4DOTC)>OIL CONTROL SOLENOID .