LEMON Manuals: Even more car manuals for everyone
Home >> Subaru >> 2021 >> Ascent Base >> Repair and Diagnosis >> Engine Performance >> System >> Engine Control System (Diagnostics - Introduction) >> General Description >> System Block Diagram

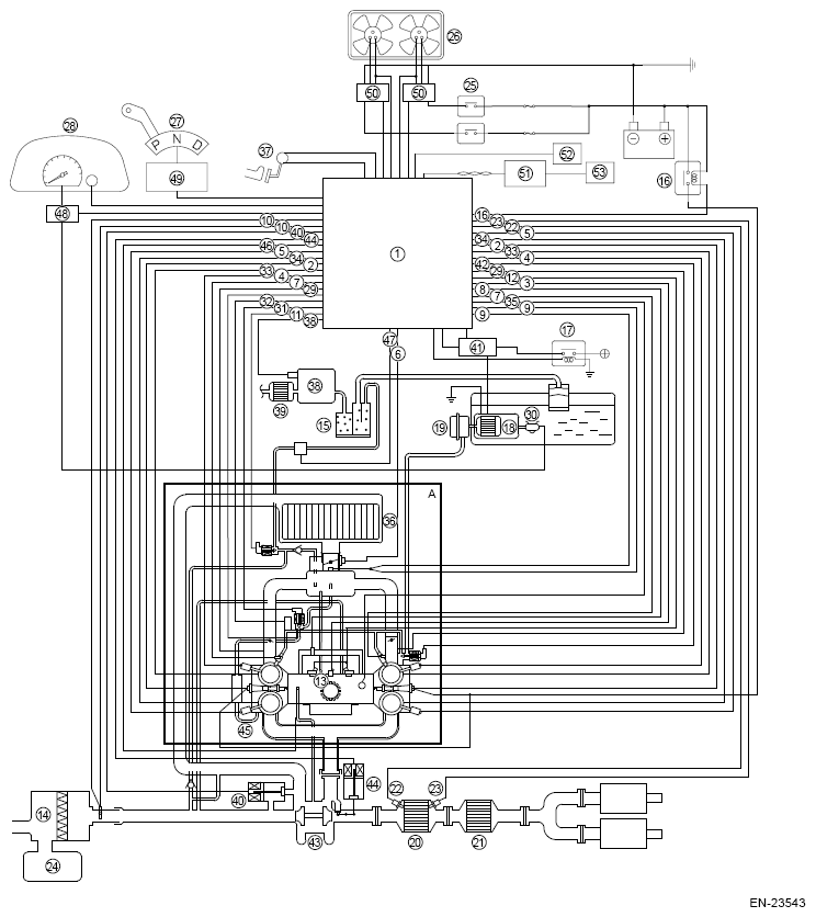
System Block Diagram

G13866158Courtesy of SUBARU OF AMERICA, INC.
G13866159Courtesy of SUBARU OF AMERICA, INC.
G13866160Courtesy of SUBARU OF AMERICA, INC.