LEMON Manuals: Even more car manuals for everyone
Home >> Subaru >> 2021 >> Ascent Base >> Repair and Diagnosis >> Accessories & Equipment >> Communication Devices >> Body Control System (Diagnostics) >> Diagnostic Procedure with Diagnostic Trouble Code (DTC) >> DTC U0169: Lost Communication With Sunroof Control Module

DTC U0169: Lost Communication With Sunroof Control Module

DTC detecting condition: 

Data does not arrive from sunroof unit.

Trouble symptom: 

The sunroof may not operate normally.

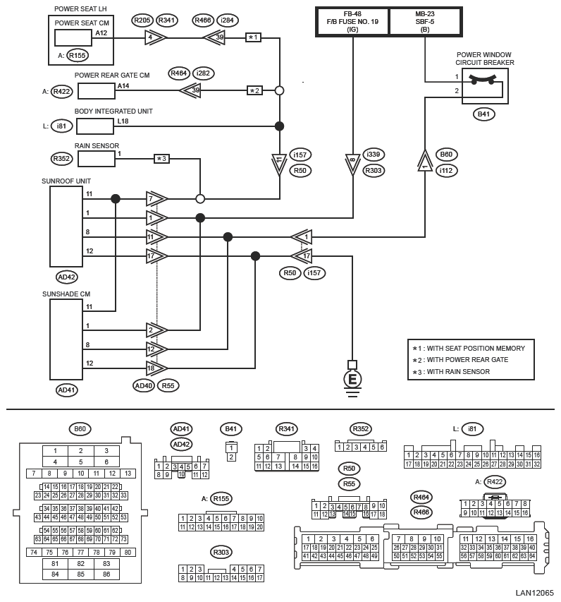
Wiring diagram: 

Sunroof control system Ref. to WIRING SYSTEM>Sunroof Control System>WIRING DIAGRAM .

G13203431Courtesy of SUBARU OF AMERICA, INC.
CAUTION: Before performing diagnosis, refer to "CAUTION" in "General Description". Ref. to BODY CONTROL (DIAGNOSTICS)>General Description>CAUTION .
  1. CHECK DTC  .

    Read the DTC of [Body Control] using the Subaru Select Monitor. Ref. to BODY CONTROL (DIAGNOSTICS)>Diagnostic Trouble Code (DTC) .

    Is DTC U0169 displayed? (Current malfunction)

    Yes  : Go to  2.

    No  : Even if DTC is displayed, the circuit has returned to a normal condition at this time. Reproduce the failure, and then perform the diagnosis again.

    NOTE: In this case, temporary poor contact of connector, temporary open or short circuit of harness may be the cause.
  2. CHECK CONTROL MODULE  .

    Using Subaru Select Monitor, confirm that the customization items of [Body Control] correspond to the vehicle. Ref. to BODY CONTROL (DIAGNOSTICS)>CUSTOMIZE .

    Is the customization item [Sunroof setting] set to [Yes]?

    Yes  : Go to  3.

    No  : Set the customization item corresponding to the vehicle.

  3. CHECK DTC  .
    1. Turn the ignition switch to OFF.
    2. Disconnect the sunroof unit connector and body integrated unit connector.
    3. Connect the disconnected connectors.
    4. Read the DTC of the LAN system using the Subaru Select Monitor. Ref. to LAN SYSTEM (DIAGNOSTICS)>DIAGNOSTIC TROUBLE CODE (DTC) .

    Is DTC U0169 displayed? (Current malfunction)

    Yes  : Go to  4.

    No  : Even if DTC is displayed, the circuit has returned to a normal condition at this time. Reproduce the failure, and then perform the diagnosis again.

    NOTE: In this case, temporary poor contact of connector, temporary open or short circuit of harness may be the cause.
  4. CHECK HARNESS  .
    1. Turn the ignition switch to OFF.
    2. Disconnect the sunroof unit connector and body integrated unit connector.
    3. Using the tester, measure the resistance between terminals.

      Connector & terminal 

      (AD42) No. 11 - (i81) No. 18:

      (AD42) No. 12 - Chassis ground:

    Is the resistance less than 10 Ω?

    Yes  : Go to  5.

    No  : Repair the open circuit of harness.

  5. CHECK HARNESS  .
    1. Disconnect the sunshade control module connector.
    2. Disconnect the power rear gate control module connector. (With power rear gate)
    3. Disconnect the power seat control module connector. (With power seat (with memory))
    4. Disconnect the rain sensor connector. (With auto wiper)
    5. Using the tester, measure the resistance between terminals.]

      Connector & terminal 

      (AD42) No. 11 - Chassis ground:

    Is the resistance 10 kΩ or more?

    Yes  : Go to  6.

    No  : Repair the shorted portion of harness.

  6. CHECK HARNESS  .
    1. Turn the ignition switch to ON.
    2. Using the tester, measure the voltage between terminals.

      Connector & terminal 

      (AD42) No. 11 (+) - Chassis ground (-):

    Is the voltage less than 1 V?

    Yes  : Go to  7.

    No  : Repair the shorted portion of harness.

  7. CHECK HARNESS  .
    1. Turn the ignition switch to ON.
    2. Using the tester, measure the voltage between terminals.

      Connector & terminal 

      (AD42) No. 1 (+) - Chassis ground (-):

      (AD42) No. 8 (+) - Chassis ground (-):

    Is the voltage 9 V or more?

    Yes  : Go to  8.

    No  : Repair the open circuit of harness.

  8. CHECK CONTROL MODULE  .
    1. Turn the ignition switch to OFF.
    2. Replace the sunroof unit with a properly functioning part. Ref. to SUNROOF/T-TOP/CONVERTIBLE TOP (SUNROOF)>SUNROOF MOTOR .
    3. Read the DTC of [Body Control] using the Subaru Select Monitor. Ref. to BODY CONTROL (DIAGNOSTICS)>Diagnostic Trouble Code (DTC) .

    Is DTC U0169 displayed? (Current malfunction)

    Yes  : Replace the body integrated unit. Ref. to SECURITY AND LOCKS>BODY INTEGRATED UNIT .

    No  : For models without power rear gate, without power seat (with memory), without sunshade or without auto wiper, malfunction occurred in the sunroof unit. For models with power rear gate, with power seat (with memory), with sunshade, or with auto wiper. Go to  9.

  9. CHECK CONTROL MODULE  .
    NOTE: For models without sunshade. Go to  10.
    1. Connect the sunshade control module connector.
    2. Read the DTC of [Body Control] using the Subaru Select Monitor. Ref. to BODY CONTROL (DIAGNOSTICS)>Diagnostic Trouble Code (DTC) .

    Is DTC U0169 displayed? (Current malfunction)

    Yes  : Replace the sunshade control module. Ref. to SUNROOF/T-TOP/CONVERTIBLE TOP (SUNROOF)>SUNROOF MOTOR .

    No  : Go to  10.

  10. CHECK CONTROL MODULE  .
    NOTE: For models without power rear gate. Go to  11.
    1. Connect the power rear gate control module connector.
    2. Read the DTC of [Body Control] using the Subaru Select Monitor. Ref. to BODY CONTROL (DIAGNOSTICS)>Diagnostic Trouble Code (DTC) .

    Is DTC U0169 displayed? (Current malfunction)

    Yes  : Replace the power rear gate control module. Ref. to POWER REAR GATE SYSTEM>POWER REAR GATE CONTROL MODULE .

    No  : Go to  11.

  11. CHECK CONTROL MODULE  .
    NOTE: For models without power seat. Go to  12.
    1. Connect the power seat control module connector.
    2. Read the DTC of [Body Control] using the Subaru Select Monitor. Ref. to BODY CONTROL (DIAGNOSTICS)>Diagnostic Trouble Code (DTC) .

    Is DTC U0169 displayed? (Current malfunction)

    Yes  : Replace the power seat control module. Ref. to SEATS>Power Seat System>REMOVAL .

    No  : Go to  12.

  12. CHECK RAIN SENSOR  .
    1. Connect the rain sensor connector.
    2. Read the DTC of [Body Control] using the Subaru Select Monitor. Ref. to BODY CONTROL (DIAGNOSTICS)>Diagnostic Trouble Code (DTC) .

    Is DTC U0169 displayed? (Current malfunction)

    Yes  : Replace the rain sensor. Ref. to GLASS/WINDOWS/MIRRORS>RAIN SENSOR .

    No  : Malfunction occurred in the sunroof unit.