LEMON Manuals: Even more car manuals for everyone
Home >> Subaru >> 2021 >> Ascent Base >> Repair and Diagnosis (Single Page) >> Engine Performance >> System >> Engine Control System (Diagnostics) (General) >> Diagnostics with Phenomenon >> Check Power Supply And Ground Line Of Engine Control Module (ECM)

Check Power Supply And Ground Line Of Engine Control Module (ECM)

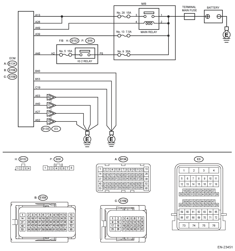
Wiring diagram: 

Engine Electrical System Ref. to WIRING SYSTEM>Engine Electrical System>WIRING DIAGRAM .

G13866511Courtesy of SUBARU OF AMERICA, INC.
CAUTION: Use the check board when measuring the ECM terminal voltage and resistance.
  1. CHECK MAIN RELAY  .
    1. Turn the ignition switch to OFF.
    2. Remove the main relay.
    3. Check the main relay. Ref. to FUEL INJECTION (FUEL SYSTEMS) (H4DOTC)>Main Relay>INSPECTION .

    Is the check result OK?

    Yes  : Go to  2.

    No  : Replace the main relay. Ref. to FUEL INJECTION (FUEL SYSTEMS) (H4DOTC)>MAIN RELAY .

  2. CHECK GROUND CIRCUIT FOR ECM (OPEN CIRCUIT)  .
    1. Disconnect the connector from ECM.
    2. Measure the resistance of harness between ECM connector and engine ground.

      Connector & terminal 

      (B134) No. 27 - Engine ground:

      (B134) No. 40 - Engine ground:

      (B134) No. 52 - Engine ground:

      (B134) No. 53 - Engine ground:

      (E158) No. 40 - Engine ground:

      (E158) No. 53 - Engine ground:

      (E159) No. 19 - Engine ground:

    Is the resistance less than 5 Ω?

    Yes  : Go to  3.

    No  : Repair the following item.

    • Open circuit of harness between ECM connector and engine ground
    • Poor contact of coupling connector
  3. CHECK INPUT VOLTAGE OF ECM (SHORT TO GROUND)  .
    1. Turn the ignition switch to ON.
    2. Measure the voltage between ECM connector and engine ground.

      Connector & terminal 

      (B134) No. 39 (+) - Engine ground (-):

      (B134) No. 46 (+) - Engine ground (-):

    Is the voltage 10 V or more?

    Yes  : Go to  4.

    No  : Repair the open or ground short in the harness of power supply circuit.

  4. CHECK M/B (MAIN RELAY) INPUT VOLTAGE  .

    Measure the voltage between M/B (main relay) terminal and engine ground.

    Terminals 

    No. 1 (+) - Engine ground (-):

    No. 2 (+) - Engine ground (-):

    Is the voltage 10 V or more?

    Yes  : Go to  5.

    No  : Repair the open or ground short in the harness of power supply circuit.

  5. CHECK INPUT VOLTAGE OF ECM  .
    1. Turn the ignition switch to OFF.
    2. Install the main relay.
    3. Measure the voltage between ECM connector and engine ground.

      Connector & terminal 

      (B134) No. 49 (+) - Engine ground (-):

    Is the voltage 10 V or more?

    Yes  : Go to  6.

    No  : Repair the open circuit of harness between ECM connector and M/B (main relay) terminal.

  6. CHECK HARNESS BETWEEN ECM AND M/B (MAIN RELAY)  .
    1. Connect the connector to ECM.
    2. Turn the ignition switch to ON.
    3. Measure the voltage between ECM connector and engine ground.

      Connector & terminal 

      (B134) No. 13 (+) - Engine ground (-):

      (B134) No. 26 (+) - Engine ground (-):

    Is the voltage 10 V or more?

    Yes  : Check the starter motor circuit. Ref. to ENGINE (DIAGNOSTICS) (H4DOTC)>Diagnostics with Phenomenon>STARTER MOTOR CIRCUIT .

    No  : Repair the following item.

    • Open circuit of harness between ECM connector and M/B (main relay) terminal
    • Poor contact of M/B (main relay)
    • Blown out of fuse
    • Poor contact of ECM connector
NOTE: After the faulty parts are repaired or replaced, perform the final check in Basic Diagnostic Procedure. Ref. to ENGINE (DIAGNOSTICS) (H4DOTC)>Basic Diagnostic Procedure>PROCEDURE .