LEMON Manuals: Even more car manuals for everyone
Home >> Subaru >> 2021 >> Ascent Base >> Repair and Diagnosis (Single Page) >> Engine Performance >> System >> Engine Control System (Diagnostics) (4 Of 4) >> Diagnostic Procedure with Diagnostic Trouble Code (DTC) >> DTC U171F: Lost Lin Communication With Generator >> Notes

DTC U171F: Lost Lin Communication With Generator: Notes

1. - DTC detecting condition: 

Immediately at fault recognition

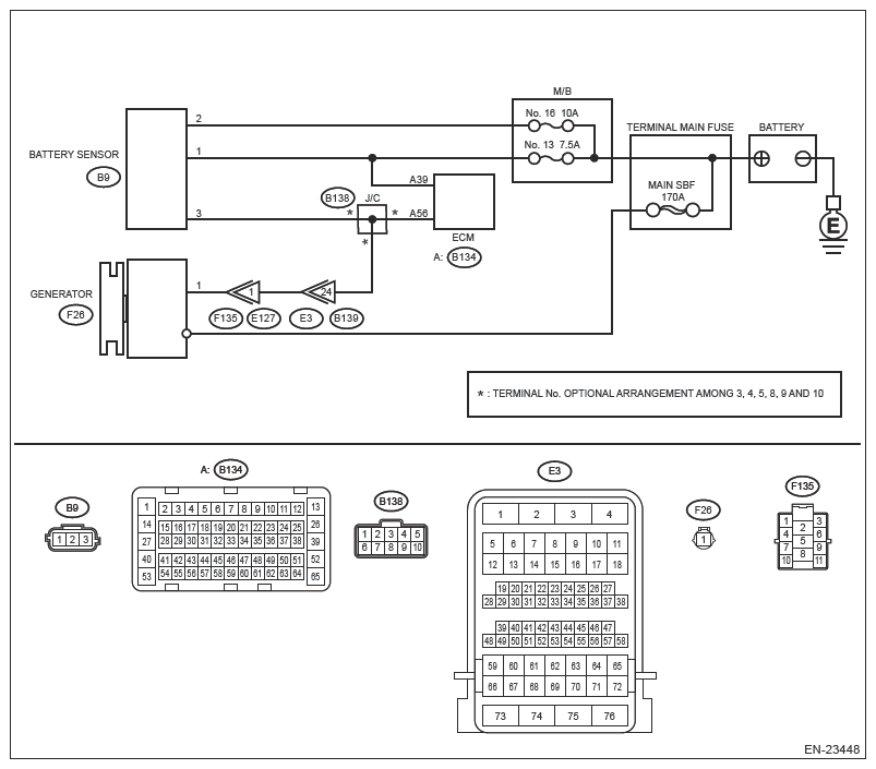
Wiring diagram: 

Charging System Ref. to WIRING SYSTEM>CHARGING SYSTEM .

G13866510Courtesy of SUBARU OF AMERICA, INC.
CAUTION: Use the check board when measuring the ECM terminal voltage and resistance. Ref. to ENGINE (DIAGNOSTICS) (H4DOTC)>General Description>PREPARATION TOOL>HOW TO USE CHECK BOARD .
NOTE: After the faulty parts are repaired or replaced, perform the final check in Basic Diagnostic Procedure. Ref. to ENGINE (DIAGNOSTICS) (H4DOTC)>Basic Diagnostic Procedure>PROCEDURE .
  1. CHECK DTC  .
    1. Turn the ignition switch to ON.
    2. Using the Subaru Select Monitor or a general scan tool, read the DTC of [Engine]. Ref. to COMMON (diag)>DIAGNOSTIC TROUBLE CODE (DTC) .

      Is DTC U171F displayed? (Current malfunction)

      Yes  : Go to  2.

      No  : Even if DTC is detected, the circuit has returned to a normal condition at this time.

      Reproduce the failure, and then perform the diagnosis again.

  2. CHECK ECM CONNECTOR  .

    Check the connecting condition of ECM connector.

    Is the ECM connector correctly connected?

    Yes  : Go to  3.

    No  : Connect the ECM connector correctly.

  3. check voltage of generator b terminal  .
    1. Turn the ignition switch to OFF.
    2. Disconnect the ground terminal from battery sensor. Ref. to REPAIR CONTENTS>NOTE>BATTERY .
    3. Measure the voltage of the generator B terminal.

      Connector & terminal 

      Generator terminal B (+) - Engine ground (-):

      Is the voltage battery voltage?

      Yes  : Go to  4.

      No  : Check the generator B terminal harness and fuse.

  4. CHECK HARNESS BETWEEN ECM AND GENERATOR CONNECTOR (OPEN)  .
    1. Disconnect the connector from ECM.
    2. Disconnect the LIN communication connector from the generator.
    3. Measure the resistance of harness between ECM and generator LIN communication connector.

      Connector & terminal 

      (B134) No. 56 - (F26) No. 1:

      Is the resistance less than 1 Ω?

      Yes  : Check the connector for poor contact and check the harness again. If no fault is found, replace the generator. Ref. to STARTING/CHARGING SYSTEMS (H4DOTC)>GENERATOR .

      No  : Repair the following item.

      • Open circuit of harness between ECM connector and generator
      • Poor contact of coupling connector
      • Poor contact of J/C