LEMON Manuals: Even more car manuals for everyone
Home >> Subaru >> 2021 >> Ascent Base >> Repair and Diagnosis (Single Page) >> Engine Performance >> System >> Engine Control System (Diagnostics) (3 Of 4) >> Diagnostic Procedure with Diagnostic Trouble Code (DTC) >> DTC P162A: Starter Interlock Internal Circuit >> Notes

DTC P162A: Starter Interlock Internal Circuit: Notes

1. - DTC detecting condition: 

Immediately at fault recognition

Trouble symptom: 

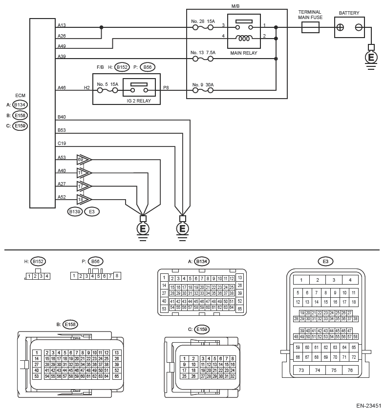
Wiring diagram: 

Engine Electrical System Ref. to WIRING SYSTEM>ENGINE ELECTRICAL SYSTEM .

G13866428Courtesy of SUBARU OF AMERICA, INC.
CAUTION: Use the check board when measuring the ECM terminal voltage and resistance. Ref. to ENGINE (DIAGNOSTICS) (H4DOTC)>General Description>PREPARATION TOOL>HOW TO USE CHECK BOARD .
NOTE: After the faulty parts are repaired or replaced, perform the final check in Basic Diagnostic Procedure. Ref. to ENGINE (DIAGNOSTICS) (H4DOTC)>Basic Diagnostic Procedure>PROCEDURE .
  1. CHECK INPUT VOLTAGE OF ECM  .
    1. Disconnect the connector from ECM.
    2. Turn the ignition switch to ON.
    3. Measure the voltage between ECM connector and engine ground.

      Connector & terminal 

      (B134) No. 13 (+) - Engine ground (-):

      (B134) No. 26 (+) - Engine ground (-):

      Is the voltage 10 - 13 V?

      Yes  : Go to  2.

      No  : Repair the following item.

      • Open circuit in harness between ECM connector and battery terminal
      • Blown out of fuse
      • Replace main relay
      • Replace M/B
  2. CHECK ECM GROUND HARNESS  .
    1. Connect all connectors.
    2. Turn the ignition to ON.
    3. Measure the voltage between ECM connector and engine ground.

      Connector & terminal 

      (B134) No. 27 (+) - Engine ground (-):

      (B134) No. 40 (+) - Engine ground (-):

      (B134) No. 52 (+) - Engine ground (-):

      (B134) No. 53 (+) - Engine ground (-):

      (E158) No. 40 (+) - Engine ground (-):

      (E158) No. 53 (+) - Engine ground (-):

      (E159) No. 19 (+) - Engine ground (-):

      Is the voltage less than 1 V?

      Yes  : Go to  3.

      No  : Repair the following item.

      • Open circuit in ground circuit
      • Loose engine ground terminal
      • Poor contact of coupling connector
  3. CHECK DTC  .
    1. Using the Subaru Select Monitor or a general scan tool, perform the clear memory of [Engine]. Ref. to COMMON (diag)>CLEAR MEMORY .
    2. Using the Subaru Select Monitor, perform the corresponding inspection mode. Ref. to ENGINE (DIAGNOSTICS) (H4DOTC)>INSPECTION MODE .

      Is DTC P162A displayed as a readiness code?

      Yes  : Check the connector for poor contact and check the harness. Replace the ECM if no fault is found. Ref. to FUEL INJECTION (FUEL SYSTEMS) (H4DOTC)>ENGINE CONTROL MODULE (ECM) .

      No  : Even if DTC is detected, the circuit has returned to a normal condition at this time.

      Reproduce the failure, and then perform the diagnosis again.