LEMON Manuals: Even more car manuals for everyone
Home >> Subaru >> 2021 >> Ascent Base >> Repair and Diagnosis (Single Page) >> Engine Performance >> System >> Engine Control System (Diagnostics) (3 Of 4) >> Diagnostic Procedure with Diagnostic Trouble Code (DTC) >> DTC P1604: STARTABILITY Malfunction >> Notes

DTC P1604: STARTABILITY Malfunction: Notes

  1. DTC detecting condition: 

    Immediately at fault recognition

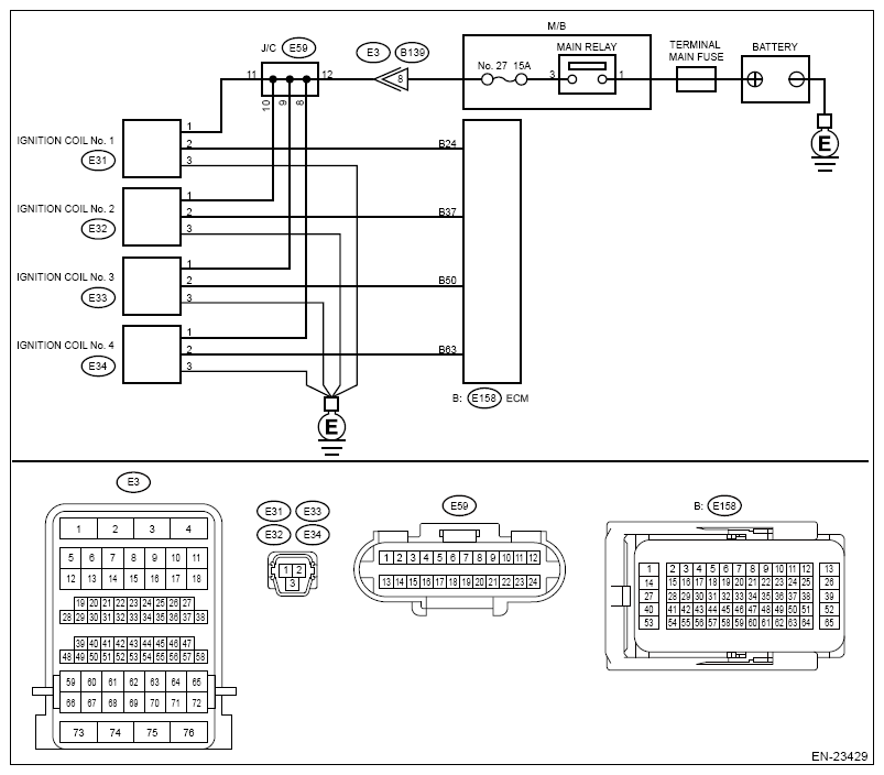
    Wiring diagram: 

    Engine Electrical System. Ref. to WIRING SYSTEM>ENGINE ELECTRICAL SYSTEM .

    G13866419Courtesy of SUBARU OF AMERICA, INC.
    G13866420Courtesy of SUBARU OF AMERICA, INC.
    G13866421Courtesy of SUBARU OF AMERICA, INC.
    G13866422Courtesy of SUBARU OF AMERICA, INC.
    G13866423Courtesy of SUBARU OF AMERICA, INC.
    G13866424Courtesy of SUBARU OF AMERICA, INC.
    G13866425Courtesy of SUBARU OF AMERICA, INC.
    G13866426Courtesy of SUBARU OF AMERICA, INC.
    G13866427Courtesy of SUBARU OF AMERICA, INC.
    CAUTION: Use the check board when measuring the ECM terminal voltage and resistance. Ref. to ENGINE (DIAGNOSTICS) (H4DOTC)>General Description>PREPARATION TOOL>HOW TO USE CHECK BOARD .
    NOTE:
    • This DTC may be detected even if fault does not occur in the vehicle. If the customer does not ask for inspection, clear memory instead of inspection and return the vehicle to the user. Ref. to COMMON (diag)>CLEAR MEMORY .
    • After the faulty parts are repaired or replaced, perform the final check in Basic Diagnostic Procedure. Ref. to ENGINE (DIAGNOSTICS) (H4DOTC)>Basic Diagnostic Procedure>PROCEDURE .
  1. CHECK DTC  .
    1. Turn the ignition switch to ON.
    2. Using the Subaru Select Monitor or a general scan tool, read the DTC of [Engine]. Ref. to COMMON (diag)>DIAGNOSTIC TROUBLE CODE (DTC) .
      NOTE: For detailed operation procedures, refer to the "Subaru Select Monitor". Ref. to COMMON (diag)>DIAGNOSTIC TROUBLE CODE (DTC) .

      Is DTC other than P1604 displayed? (Current malfunction)

      Yes  : Check the appropriate DTC using the "Diagnostic Trouble Code (DTC)". Ref. to ENGINE (DIAGNOSTICS) (H4DOTC)>Diagnostic Trouble Code (DTC)>LIST .

      No  : Go to  2.

  2. CHECK IMMOBILIZER  .

    Check the immobilizer. Ref. to IMMOBILIZER (DIAGNOSTICS)>BASIC DIAGNOSTIC PROCEDURE . Is the check result OK?

    Yes  : Go to  3.

    No  : Repair the immobilizer. Ref. to IMMOBILIZER (DIAGNOSTICS)>BASIC DIAGNOSTIC PROCEDURE .

  3. CHECK FOR MALFUNCTION OCCURRENCE  .

    Is it possible to reproduce the faulty phenomenon or to identify the faulty condition?

    Yes  : Go to  30.

    No  : Go to  4.

  4. CHECK FREEZE FRAME DATA  .
    1. Turn the ignition switch to ON.
    2. Using the Subaru Select Monitor, read the values in [Engine Speed] and [Control module voltage].
      NOTE: For detailed operation procedures, refer to "Common (Diagnostics)". Ref. to COMMON (diag)>FREEZE FRAME DATA .

      Is the value of [Engine Speed] 0 rpm?

      Yes 

      • When the value of [Control module voltage] is less than 5 V: Check the battery. Ref. to STARTING/CHARGING SYSTEMS (H4DOTC)>Battery>INSPECTION .
      • When the value of [Control module voltage] is 5 V or more: Go to  5.

      No

      • When the value of [Engine Speed] is less than 250 rpm: Go to  12.
      • When the value of [Engine Speed] is 250 rpm or more: Go to  20.
  5. CHECK FREEZE FRAME DATA  .

    Using the Subaru Select Monitor, read the value in [Control module voltage].

    NOTE: For detailed operation procedures, refer to "Common (Diagnostics)". Ref. to COMMON (diag)>FREEZE FRAME DATA .

    Is the value of [Control module voltage] less than 9 V?

    Yes  : It is possible that the engine friction is too large. Check the engine. Ref. to MECHANICAL (H4DOTC)>Symptoms and causes>INSPECTION .

    No

    • When the value of [Control module voltage] changes in any one of freeze frame data: Go to  6.
    • When the value of [Control module voltage] does not change in all freeze frame data: Check the starter motor circuit. Ref. to ENGINE (DIAGNOSTICS) (H4DOTC)>Diagnostics with Phenomenon>STARTER MOTOR CIRCUIT .
  6. CHECK INSTALLATION CONDITION OF CRANKSHAFT POSITION SENSOR  .

    Check the installation condition of crankshaft position sensor.

    Is the crankshaft position sensor installed correctly?

    Yes  : Go to  7.

    No  : Install the crankshaft position sensor correctly. Ref. to FUEL INJECTION (FUEL SYSTEMS) (HDOTC)>Crankshaft Position Sensor>INSTALLATION .

  7. CHECK CRANKSHAFT POSITION SENSOR  .

    Check the crankshaft position sensor. Ref. to FUEL INJECTION (FUEL SYSTEMS) (H4DOTC)>Crankshaft Position Sensor>INSPECTION .

    Is the check result OK?

    Yes  : Go to  8.

    No  : Replace the crankshaft position sensor. Ref. to FUEL INJECTION (FUEL SYSTEMS) (H4DOTC)>CRANKSHAFT POSITION SENSOR .

  8. CHECK POWER SUPPLY TO CRANKSHAFT POSITION SENSOR  .
    1. Turn the ignition switch to OFF.
    2. Disconnect the connector from the crankshaft position sensor.
    3. Turn the ignition switch to ON.
    4. Measure the voltage between crankshaft position sensor connector and engine ground.

      Connector & terminal 

      (E10) No. 3 (+) - Engine ground (-):

      Is the voltage 4.5 V or more?

      Yes  : Go to  9.

      No  : Repair the power supply circuit.

  9. CHECK HARNESS BETWEEN ECM AND CRANKSHAFT POSITION SENSOR CONNECTOR (OPEN)  .
    1. Turn the ignition switch to OFF.
    2. Disconnect the connector from ECM.
    3. Measure the resistance of harness between ECM connector and crankshaft position sensor connector.

      Connector & terminal 

      (E159) No. 14 - (E10) No. 1:

      (E159) No. 22 - (E10) No. 2:

      Is the resistance less than 1 Ω?

      Yes  : Go to  10.

      No  : Repair the open circuit in the harness between the ECM connector and crankshaft position sensor connector.

  10. CHECK HARNESS BETWEEN ECM AND CRANKSHAFT POSITION SENSOR CONNECTOR (SHORT TO GROUND)  .

    Measure the resistance between crankshaft position sensor connector and engine ground.

    NOTE: Connect all connectors after measurement.

    Connector & terminal 

    (E10) No. 1 - Engine ground:

    Is the resistance 1 MΩ or more?

    Yes  : Go to  11.

    No  : Repair short circuit to ground in harness between ECM connector and crankshaft position sensor connector.

  11. CHECK FOR MALFUNCTION OCCURRENCE  .
    1. Replace the crankshaft position sensor. Ref. to FUEL INJECTION (FUEL SYSTEMS) (H4DOTC)>CRANKSHAFT POSITION SENSOR .
    2. Check that the fault is removed.

      Is the fault removed?

      Yes  : Clear the memory to complete. Ref. to COMMON (diag)>CLEAR MEMORY .

      No  : Replace the ECM. Ref. to FUEL INJECTION (FUEL SYSTEMS) (H4DOTC)>ENGINE CONTROL MODULE (ECM) .

  12. CHECK FREEZE FRAME DATA  .
    1. Turn the ignition switch to ON.
    2. Using the Subaru Select Monitor, read the values in [Coolant Temp.], [Ambient air temperature] and [Fuel Pump Duty].
      NOTE: For detailed operation procedures, refer to "Common (Diagnostics)". Ref. to COMMON (diag)>FREEZE FRAME DATA .

      Is the value of [Coolant Temp.] 120°C (248°F) or more? Or is the value of [Coolant Temp.] 15°C (27°F) or more lower than that of [Ambient air temperature]?

      Yes  : Replace the engine coolant temperature sensor. Ref. to FUEL INJECTION (FUEL SYSTEMS) (H4DOTC)>ENGINE COOLANT TEMPERATURE SENSOR .

      No

      • When the value of [Fuel Pump Duty] is 60% or more: Go to  13.
      • When the value of [Fuel Pump Duty] is less than 60%: Check the fuel pump system. Ref. to ENGINE (DIAGNOSTICS) (H4DOTC)>Diagnostics with Phenomenon>FUEL PUMP CIRCUIT .
  13. CHECK OF FUEL PUMP  .
    1. Using the Subaru Select Monitor, select [Fuel Pump Relay] of [Active Test].
      NOTE: For detailed operation procedures, refer to the "Active Test". Ref. to ENGINE (DIAGNOSTICS) (H4DOTC)>ACTIVE TEST .
    2. Check if operating sound occurs in the fuel pump according to ON/OFF switching operation.

      Does the fuel pump emit operating sound?

      Yes  : Go to  15.

      No  : Go to  14.

  14. CHECK OF FUEL PUMP  .

    Check fuel pump. Ref. to FUEL INJECTION (FUEL SYSTEMS) (HDOTC)>Fuel Pump>INSPECTION .

    Is the check result OK?

    Yes  : Check fuel pump system. Ref. to ENGINE (DIAGNOSTICS) (H4DOTC)>Diagnostics with Phenomenon>FUEL PUMP CIRCUIT .

    No  : Replace the fuel pump. Ref. to FUEL INJECTION (FUEL SYSTEMS) (HDOTC)>FUEL PUMP .

  15. CHECK FUEL TANK  .
    WARNING: Place "NO OPEN FLAMES" signs near the working area.

    Check if any foreign matters such as iron powder exist in the fuel tank.

    Is there any foreign matter in the fuel tank?

    Yes  : Remove foreign matter from the fuel tank.

    No  : Go to  16.

  16. CHECK FUEL PRESSURE  .
    WARNING: Place "NO OPEN FLAMES" signs near the working area.
    CAUTION:
    • Be careful not to spill fuel.
    • Before attaching/detaching a fuel pressure gauge, release the fuel pressure.

    Measure the fuel pressure. Ref. to MECHANICAL (H4DOTC)>Fuel Pressure>INSPECTION .

    Is the measured value 340 - 400 kPa (3.5 - 4.1 kgf/cm2 , 49 - 58 psi)?

    Yes  : Go to  17.

    No  : Check the fuel pump and fuel delivery line. Ref. to FUEL INJECTION (FUEL SYSTEMS) (H4DOTC)>Fuel Pump>INSPECTION . Ref. to FUEL INJECTION (FUEL SYSTEMS) (H4DOTC)>Fuel Delivery and Evaporation Lines>INSPECTION .

  17. CHECK FREEZE FRAME DATA  .
    1. Turn the ignition switch to ON.
    2. Using the Subaru Select Monitor, read the values in [Fuel Rail Pressure A] and [Commanded Fuel Rail Pressure A].
      NOTE: For detailed operation procedures, refer to "Common (Diagnostics)". Ref. to COMMON (diag)>FREEZE FRAME DATA .

      Is the value in [Fuel Rail Pressure A] synchronized with the one in [Commanded Fuel Rail Pressure A] in all freeze frame data?

      Yes  : Go to  18.

      No  : Check the high-pressure fuel pump. Ref. to FUEL INJECTION (FUEL SYSTEMS) (H4DOTC)>High Pressure Fuel Pump>INSPECTION .

  18. CHECK HARNESS BETWEEN ECM AND FUEL INJECTOR CONNECTOR (OPEN)  .
    1. Turn the ignition switch to OFF.
    2. Disconnect the connector from ECM.
    3. Disconnect the connector from fuel injector.
    4. Measure the resistance of harness between ECM connector and fuel injector connector.

      Connector & terminal 

      #1 (E159) No. 1 - (E5) No. 1:

      #1 (E159) No. 2 - (E5) No. 2:

      #2 (E159) No. 9 - (E16) No. 1:

      #2 (E159) No. 10 - (E16) No. 2:

      #3 (E159) No. 17 - (E6) No. 1:

      #3 (E159) No. 18 - (E6) No. 2:

      #4 (E159) No. 25 - (E17) No. 1:

      #4 (E159) No. 26 - (E17) No. 2:

      Is the resistance less than 1 Ω?

      Yes  : Go to  19.

      No  : Repair the open circuit of the harness between the ECM connector and fuel injector connector.

  19. CHECK HARNESS BETWEEN ECM AND FUEL INJECTOR CONNECTOR (SHORT TO GROUND)  .

    Measure the resistance between the ECM connector and engine ground.

    NOTE: Connect all connectors after measurement.

    Connector & terminal 

    #1 (E159) No. 1 - Engine ground:

    #1 (E159) No. 2 - Engine ground:

    #2 (E159) No. 9 - Engine ground:

    #2 (E159) No. 10 - Engine ground:

    #3 (E159) No. 17 - Engine ground:

    #3 (E159) No. 18 - Engine ground:

    #4 (E159) No. 25 - Engine ground:

    #4 (E159) No. 26 - Engine ground:

    Is the resistance 1 MΩ or more?

    Yes  : Go to  29.

    No  : Repair the short circuit to ground in harness between ECM connector and fuel injector connector.

  20. CHECK FREEZE FRAME DATA  .
    1. Turn the ignition switch to ON.
    2. Using the Subaru Select Monitor, read the values in [Coolant Temp.], [Ambient air temperature] and [Engine Speed].
      NOTE: For detailed operation procedures, refer to "Common (Diagnostics)". Ref. to COMMON (diag)>FREEZE FRAME DATA .

      Is the value of [Coolant Temp.] 120°C (248°F) or more? Or is the value of [Coolant Temp.] 15°C (27°F) or more lower than that of [Ambient air temperature]?

      Yes  : Replace the engine coolant temperature sensor. Ref. to FUEL INJECTION (FUEL SYSTEMS) (H4DOTC)>ENGINE COOLANT TEMPERATURE SENSOR .

      No

      • When the minimum value of [Engine Speed] is less than 300 rpm: Go to  21.
      • When the minimum value of [Engine Speed] is 300 rpm or more: It is possible that the engine compression pressure is not sufficient. Check the engine. Ref. to MECHANICAL (H4DOTC)>Symptoms and causes>INSPECTION .
  21. CHECK FUEL INJECTOR  .

    Check fuel injector. Ref. to FUEL INJECTION (FUEL SYSTEMS) (H4DOTC)>Fuel Injector>INSPECTION .

    Is there any deposit in the fuel injectors?

    Yes  : Replace the fuel injector. Ref. to FUEL INJECTION (FUEL SYSTEMS) (H4DOTC)>FUEL INJECTOR .

    No  : Go to  22.

  22. CHECK FUEL TANK  .
    WARNING: Place "NO OPEN FLAMES" signs near the working area.

    Check if any foreign matters such as iron powder exist in the fuel tank.

    Is there any foreign matter in the fuel tank?

    Yes  : Remove foreign matter from the fuel tank.

    No  : Go to  23.

  23. CHECK FREEZE FRAME DATA  .
    1. Turn the ignition switch to ON.
    2. Using the Subaru Select Monitor, read the value in [Coolant Temp.].
      NOTE: For detailed operation procedures, refer to "Common (Diagnostics)". Ref. to COMMON (diag)>FREEZE FRAME DATA .

      Is the value of [Coolant Temp.] 40 - 90 °C (104 - 194 °F)?

      Yes  : Go to  25.

      No  : Go to  24.

  24. CHECK FUEL PRESSURE  .
    WARNING: Place "NO OPEN FLAMES" signs near the working area.
    CAUTION:
    • Be careful not to spill fuel.
    • Before attaching/detaching a fuel pressure gauge, release the fuel pressure.

    Measure the fuel pressure five minutes after the engine is stopped. Ref. to MECHANICAL (H4DOTC)>Fuel Pressure>INSPECTION .

    NOTE: If the engine does not start, measure the fuel pressure five minutes after cranking is completed.

    Is the measured value 147 kPa (1.5 kgf/cm2 , 21 psi) or more?

    Yes  : Go to  29.

    No  : Replace the pressure regulator. Ref. to FUEL INJECTION (FUEL SYSTEMS) (H4DOTC)>FUEL FILTER .

  25. CHECK FUEL INJECTOR  .
    1. After the engine is stopped, scavenge inside of the intake manifold by applying compressed air.
    2. Measure the HC concentration inside the intake manifold 15 minutes after scavenging is completed.
      NOTE: Remove the vacuum hose between intake manifold and purge solenoid valve and perform the measurement. Ref. to FUEL INJECTION (FUEL SYSTEMS) (H4DOTC)>General Description>COMPONENT>FUEL PIPE .

      Is the HC concentration less than 4000 ppm?

      Yes  : Go to  27.

      No  : Go to  26.

  26. CHECK FUEL INJECTOR  .

    Check fuel injector. Ref. to FUEL INJECTION (FUEL SYSTEMS) (H4DOTC)>Fuel Injector>INSPECTION .

    Is the check result OK?

    Yes  : Go to  27.

    No  : Replace the fuel injector. Ref. to FUEL INJECTION (FUEL SYSTEMS) (H4DOTC)>FUEL INJECTOR .

  27. CHECK THROTTLE BODY  .

    Check throttle body. Ref. to FUEL INJECTION (FUEL SYSTEMS) (H4DOTC)>Throttle Body>INSPECTION .

    Is there any deposit in the throttle body?

    Yes  : Replace the throttle body. Ref. to FUEL INJECTION (FUEL SYSTEMS) (H4DOTC)>THROTTLE BODY .

    No  : Go to  28.

  28. CHECK AIR INTAKE SYSTEM  .

    Check the installing condition of the air intake system.

    Are there holes, loose bolts or disconnection of hose on air intake system?

    Yes  : Repair the air intake system. Ref. to INTAKE (INDUCTION) (H4DOTC)>GENERAL DESCRIPTION .

    No  : Go to  29.

  29. CHECK FOR MALFUNCTION OCCURRENCE  .

    Check for the condition of fault occurrence.

    Is the fault removed?

    Yes  : Clear the memory to complete. Ref. to COMMON (diag)>CLEAR MEMORY .

    No  : Go to  30.

  30. CHECK FOR MALFUNCTION OCCURRENCE  .

    Check for the condition of fault occurrence.

    Does cranking occur?

    Yes 

    • When the engine speed is abnormal during cranking: Go to  37.
    • When an initial combustion does not occur: Go to  40.
    • When the engine stalls immediately after engine start: Go to  57.
    • When the engine takes time to start: Go to  79.

    No  : Go to  31.

  31. CHECK FOR MALFUNCTION OCCURRENCE  .

    Check for the condition of fault occurrence.

    Does the sound occur by a protruding starter pinion gear during cranking?

    Yes 

    • When the starter motor does not rotate: Go to  32.
    • When the starter motor rotates but does not engage: Go to  34.

    No  : Go to  35.

  32. CHECK BATTERY  .

    Check the battery. Ref. to STARTING/CHARGING SYSTEMS (H4DOTC)>Battery>INSPECTION .

    Is the check result OK?

    Yes  : Go to  33.

    No  : Charge or replace the battery. Ref. to STARTING/CHARGING SYSTEMS (H4DOTC)>BATTERY .

  33. CHECK ENGINE MAIN BODY  .

    Using the ST, rotate the crankshaft.

    ST 18252AA000 CRANKSHAFT SOCKET 

    Does the crankshaft rotate smoothly?

    Yes  : Check the starter motor. Ref. to STARTING/CHARGING SYSTEMS (H4DOTC)>Starter>INSPECTION .

    NOTE: It is possible that the engine friction increased temporarily. Check if any foreign matter is mixed in engine oil. If a foreign matter is found, check the engine. Ref. to MECHANICAL (H4DOTC)>Symptoms and causes>INSPECTION .

    No  : It is possible that the engine friction is too large. Check the engine. Ref. to MECHANICAL (H4DOTC)>Symptoms and causes>INSPECTION .

  34. CHECK STARTER MOTOR  .

    Check the starter motor. Ref. to STARTING/CHARGING SYSTEMS (H4DOTC)>Starter>INSPECTION .

    Is there any wear or damage in the starter pinion gear?

    Yes  : Repair the starter motor. Ref. to STARTING/CHARGING SYSTEMS (H4DOTC)>STARTER .

    No  : Replace the torque converter assembly. Ref. to CONTINUOUSLY VARIABLE TRANSMISSION (TR690)>TORQUE CONVERTER .

  35. CHECK BATTERY  .

    Check the battery. Ref. to STARTING/CHARGING SYSTEMS (H4DOTC)>Battery>INSPECTION .

    Is the check result OK?

    Yes  : Go to  36.

    No  : Charge or replace the battery. Ref. to STARTING/CHARGING SYSTEMS (H4DOTC)>BATTERY .

  36. CHECK STARTER MOTOR  .

    Check the starter motor. Ref. to STARTING/CHARGING SYSTEMS (H4DOTC)>Starter>INSPECTION .

    Is the check result OK?

    Yes  : Check the starter motor circuit. Ref. to ENGINE (DIAGNOSTICS) (H4DOTC)>Diagnostics with Phenomenon>STARTER MOTOR CIRCUIT .

    No  : Repair the starter motor. Ref. to STARTING/CHARGING SYSTEMS (H4DOTC)>STARTER .

  37. CHECK DATA MONITOR  .
    1. Turn the ignition switch to ON.
    2. Using the Subaru Select Monitor, read the value of [Engine Speed] during cranking.
      NOTE: For detailed operation procedures, refer to "Common (Diagnostics)". Ref. to COMMON (diag)>DATA MONITOR .

      Is the value of [Engine Speed] 300 rpm or more?

      Yes  : It is possible that the compression pressure of the engine is not sufficient. Check the engine. Ref. to MECHANICAL (H4DOTC)>Symptoms and causes>INSPECTION .

      No  : Go to  38.

  38. CHECK BATTERY  .

    Check the battery. Ref. to STARTING/CHARGING SYSTEMS (H4DOTC)>Battery>INSPECTION .

    Is the check result OK?

    Yes  : Go to  39.

    No  : Charge or replace the battery. Ref. to STARTING/CHARGING SYSTEMS (H4DOTC)>BATTERY .

  39. CHECK ENGINE MAIN BODY  .

    Using the ST, rotate the crankshaft.

    ST 18252AA000 CRANKSHAFT SOCKET 

    Does the crankshaft rotate smoothly?

    Yes  : Check the starter motor. Ref. to STARTING/CHARGING SYSTEMS (H4DOTC)>Starter>INSPECTION .

    NOTE: It is possible that the engine friction increased temporarily. Check if any foreign matter is mixed in engine oil. If a foreign matter is found, check the engine. Ref. to MECHANICAL (H4DOTC)>Symptoms and causes>INSPECTION .

    No  : It is possible that the engine friction is too large. Check the engine. Ref. to MECHANICAL (H4DOTC)>Symptoms and causes>INSPECTION .

  40. CHECK OPERATION OF EACH FUEL INJECTOR  .

    Using a sound scope, check each fuel injector for operation sound during cranking.

    Does the fuel injector emit operating sound?

    Yes  : Go to  41.

    No  : Go to  54.

  41. CHECK FUEL PRESSURE  .
    WARNING: Place "NO OPEN FLAMES" signs near the working area.
    CAUTION:
    • Be careful not to spill fuel.
    • Before attaching/detaching a fuel pressure gauge, release the fuel pressure.

    Measure the fuel pressure. Ref. to MECHANICAL (H4DOTC)>Fuel Pressure>INSPECTION .

    Is the measured value 340 - 400 kPa (3.5 - 4.1 kgf/cm2 , 49 - 58 psi)?

    Yes  : Go to  42.

    No  : Go to  52.

  42. CHECK IGNITION CONDITION  .

    Check the ignition condition. Ref. to ENGINE (DIAGNOSTICS) (H4DOTC)>Diagnostics with Phenomenon>IGNITION CONTROL SYSTEM .

    Is the check result OK?

    Yes  : Go to  43.

    No  : Go to  46.

  43. CHECK FOR MALFUNCTION OCCURRENCE  .

    Check for the condition of fault occurrence.

    Does the fault occur only within approx. 15 to 120 minutes after the engine is stopped?

    Yes  : Go to  45.

    No

    • When the fault occurs in two or three minutes or a long time after the engine is stopped: Go to  44.
    • When the fault occurrence pattern is inconsistent: Go to  93.
  44. CHECK FUEL PRESSURE  .
    WARNING: Place "NO OPEN FLAMES" signs near the working area.
    CAUTION:
    • Be careful not to spill fuel.
    • Before attaching/detaching a fuel pressure gauge, release the fuel pressure.

    Measure the fuel pressure five minutes after the engine is stopped. Ref. to MECHANICAL (H4DOTC)>Fuel Pressure>INSPECTION .

    NOTE: If the engine does not start, measure the fuel pressure five minutes after cranking is completed.

    Is the measured value 147 kPa (1.5 kgf/cm2 , 21 psi) or more?

    Yes  : Go to  93.

    No  : Replace the pressure regulator. Ref. to FUEL INJECTION (FUEL SYSTEMS) (H4DOTC)>FUEL FILTER .

  45. CHECK FUEL INJECTOR  .
    1. After the engine is stopped, scavenge inside of the intake manifold by applying compressed air.
    2. Measure the HC concentration inside the intake manifold 15 minutes after scavenging is completed.
      NOTE: Remove the vacuum hose between intake manifold and purge solenoid valve and perform the measurement. Ref. to FUEL INJECTION (FUEL SYSTEMS) (H4DOTC)>General Description>COMPONENT>FUEL PIPE .

      Is the HC concentration less than 4000 ppm?

      Yes  : Go to  93.

      No  : Replace the fuel injector. Ref. to FUEL INJECTION (FUEL SYSTEMS) (H4DOTC)>FUEL INJECTOR .

  46. CHECK SPARK PLUG  .

    Check the spark plug. Ref. to IGNITION (H4DOTC)>Spark Plug>INSPECTION .

    Is the check result OK?

    Yes  : Go to  47.

    No  : Replace all spark plugs on all cylinders. Ref. to IGNITION (H4DOTC)>SPARK PLUG .

  47. CHECK DATA MONITOR  .
    1. Turn the ignition switch to ON.
    2. Using the Subaru Select Monitor, read the value of [Engine Speed] during cranking.
      NOTE: For detailed operation procedures, refer to "Common (Diagnostics)". Ref. to COMMON (diag)>DATA MONITOR .

      Does the value of [Engine Speed] contain data of 0 rpm?

      Yes  : It is possible that temporary fault occurs in the crankshaft position sensor circuit. Check the crankshaft position sensor circuit. Ref. to ENGINE (DIAGNOSTICS) (H4DOTC)>Diagnostic Procedure with Diagnostic Trouble Code (DTC)>DTC P0335 CRANKSHAFT POSITION SENSOR "A" CIRCUIT .

      No  : Go to  48.

  48. CHECK IGNITION COIL POWER SUPPLY  .
    1. Turn the ignition switch to OFF.
    2. Disconnect the connector from ignition coil.
    3. Turn the ignition switch to ON.
    4. Measure the voltage between ignition coil connector and engine ground.

      Connector & terminal 

      (E31) No. 1 (+) - Engine ground (-):

      (E32) No. 1 (+) - Engine ground (-):

      (E33) No. 1 (+) - Engine ground (-):

      (E34) No. 1 (+) - Engine ground (-):

      Is the voltage 10 V or more?

      Yes  : Go to  49.

      No  : Repair the following item.

      • Open or short to ground in power supply circuit
      • Poor contact of coupling connector
      • Poor contact of J/C
      • Blown out of fuse
  49. CHECK HARNESS BETWEEN ECM AND IGNITION COIL CONNECTOR (OPEN)  .
    1. Disconnect the connector from ECM.
    2. Measure the resistance of harness between ECM connector and ignition coil connector.

      Connector & terminal 

      (E158) No. 24 - (E31) No. 2:

      (E158) No. 37 - (E32) No. 2:

      (E158) No. 50 - (E33) No. 2:

      (E158) No. 63 - (E34) No. 2:

      Is the resistance less than 1 Ω?

      Yes  : Go to  50.

      No  : Repair the open circuit in harness between ECM connector and ignition coil connector.

  50. CHECK HARNESS BETWEEN ECM AND IGNITION COIL CONNECTOR (SHORT TO GROUND)  .

    Measure the resistance of harness between ECM connector and engine ground.

    Connector & terminal 

    (E158) No. 24 - Engine ground:

    (E158) No. 37 - Engine ground:

    (E158) No. 50 - Engine ground:

    (E158) No. 63 - Engine ground:

    Is the resistance 1 MΩ or more?

    Yes  : Go to  51.

    No  : Repair the ground short circuit of harness between ECM connector and ignition coil connector.

  51. CHECK HARNESS OF IGNITION COIL GROUND CIRCUIT (OPEN)  .
    1. Turn the ignition switch to OFF.
    2. Measure the resistance of harness between ignition coil connector and engine ground.
      NOTE: Connect all connectors after measurement.

      Connector & terminal 

      (E31) No. 3 - Engine ground:

      (E32) No. 3 - Engine ground:

      (E33) No. 3 - Engine ground:

      (E34) No. 3 - Engine ground:

      Is the resistance less than 5 Ω?

      Yes  : Replace the ignition coil. Ref. to IGNITION (H4DOTC)>IGNITION COIL . If the fault occurs after servicing, continue the diagnosis. Go to  98.

      No  : Repair the open circuit in harness between ignition coil connector and engine grounding terminal.

  52. CHECK OF FUEL PUMP  .
    1. Turn the ignition switch to ON.
    2. Using the Subaru Select Monitor, select [Fuel Pump Relay] of [Active Test].
      NOTE: For detailed operation procedures, refer to the "Active Test". Ref. to ENGINE (DIAGNOSTICS) (H4DOTC)>ACTIVE TEST .
    3. Check if operating sound occurs in the fuel pump according to ON/OFF switching operation.

      Does the fuel pump emit operating sound?

      Yes  : Check the fuel pump and fuel delivery line. Ref. to FUEL INJECTION (FUEL SYSTEMS) (HDOTC)>Fuel Pump>INSPECTION . Ref. to FUEL INJECTION (FUEL SYSTEMS) (HDOTC)>Fuel Delivery and Evaporation Lines>INSPECTION .

      No  : Go to  53.

  53. CHECK OF FUEL PUMP  .

    Check fuel pump. Ref. to FUEL INJECTION (FUEL SYSTEMS) (HDOTC)>Fuel Pump>INSPECTION .

    Is the check result OK?

    Yes  : Check fuel pump system Ref. to ENGINE (DIAGNOSTICS) (H4DOTC)>Diagnostics with Phenomenon>FUEL PUMP CIRCUIT . If the fault occurs after servicing, continue the diagnosis. Go to  93.

    No  : Replace the fuel pump. Ref. to FUEL INJECTION (FUEL SYSTEMS) (H4DOTC)>FUEL PUMP .

  54. CHECK DATA MONITOR  .

    Using the Subaru Select Monitor, read the value of [Engine Speed] during cranking.

    NOTE: For detailed operation procedures, refer to "Common (Diagnostics)". Ref. to COMMON (diag)>DATA MONITOR .

    Does the value of [Engine Speed] contain data of 0 rpm?

    Yes  : It is possible that temporary fault occurs in the crankshaft position sensor circuit. Check the crankshaft position sensor circuit. Ref. to ENGINE (DIAGNOSTICS) (H4DOTC)>Diagnostic Procedure with Diagnostic Trouble Code (DTC)>DTC P0335 CRANKSHAFT POSITION SENSOR "A" CIRCUIT .

    No  : Go to  55.

  55. CHECK HARNESS BETWEEN ECM AND FUEL INJECTOR CONNECTOR (OPEN)  .
    1. Turn the ignition switch to OFF.
    2. Disconnect the connector from ECM.
    3. Disconnect the connector from fuel injector.
    4. Measure the resistance of harness between ECM connector and fuel injector connector.

      Connector & terminal 

      #1 (E159) No. 1 - (E5) No. 1:

      #1 (E159) No. 2 - (E5) No. 2:

      #2 (E159) No. 9 - (E16) No. 1:

      #2 (E159) No. 10 - (E16) No. 2:

      #3 (E159) No. 17 - (E6) No. 1:

      #3 (E159) No. 18 - (E6) No. 2:

      #4 (E159) No. 25 - (E17) No. 1:

      #4 (E159) No. 26 - (E17) No. 2:

      Is the resistance less than 1 Ω?

      Yes  : Go to  56.

      No  : Repair the open circuit of the harness between the ECM connector and fuel injector connector.

  56. CHECK HARNESS BETWEEN ECM AND FUEL INJECTOR CONNECTOR (SHORT TO GROUND)  .

    Measure the resistance between the ECM connector and engine ground.

    Connector & terminal 

    #1 (E159) No. 1 - Engine ground:

    #1 (E159) No. 2 - Engine ground:

    #2 (E159) No. 9 - Engine ground:

    #2 (E159) No. 10 - Engine ground:

    #3 (E159) No. 17 - Engine ground:

    #3 (E159) No. 18 - Engine ground:

    #4 (E159) No. 25 - Engine ground:

    #4 (E159) No. 26 - Engine ground:

    Is the resistance 1 MΩ or more?

    Yes  : Replace the ECM. Ref. to FUEL INJECTION (FUEL SYSTEMS) (H4DOTC)>ENGINE CONTROL MODULE (ECM) .

    No  : Repair the short circuit to ground in harness between ECM connector and fuel injector connector.

  57. CHECK MASS AIR FLOW AND INTAKE AIR TEMPERATURE SENSOR  .

    Check the mass air flow and intake air temperature sensor. Ref. to FUEL INJECTION (FUEL SYSTEMS) (H4DOTC)>Mass Air Flow and Intake Air Temperature Sensor>INSPECTION .

    Is the check result OK?

    Yes  : Go to  58.

    No  : Go to  77.

  58. CHECK AIR INTAKE SYSTEM  .

    Check the installing condition of the air intake system.

    Are there holes, loose bolts or disconnection of hose on air intake system?

    Yes  : Repair the air intake system Ref. to INTAKE (INDUCTION) (H4DOTC)>GENERAL DESCRIPTION .

    No  : Go to  59.

  59. CHECK THROTTLE BODY  .

    Check throttle body. Ref. to FUEL INJECTION (FUEL SYSTEMS) (H4DOTC)>Throttle Body>INSPECTION .

    Is there any deposit in the throttle body?

    Yes  : Replace the throttle body. Ref. to FUEL INJECTION (FUEL SYSTEMS) (H4DOTC)>THROTTLE BODY .

    No  : Go to  60.

  60. CHECK FREEZE FRAME DATA  .
    1. Turn the ignition switch to ON.
    2. Using the Subaru Select Monitor, read the values in [VVT Adv. Ang. Amount R], [VVT Advance Target Angle Amount R], [VVT Adv. Ang. Amount L], [VVT Advance Target Angle Amount L], [Exh. VVT Retard Ang. R], [Ex VVT Retard Target Angle R], [Exh. VVT Retard Ang. L] and [Ex VVT Retard Target Angle L].
      NOTE: For detailed operation procedures, refer to "Common (Diagnostics)". Ref. to COMMON (diag)>FREEZE FRAME DATA .
    3. Using the Subaru Select Monitor, compare the respective values between the followings: [VVT Adv. Ang. Amount R] and [VVT Advance Target Angle Amount R], [VVT Adv. Ang. Amount L] and [VVT Advance Target Angle Amount L], [Exh. VVT Retard Ang. R] and [Ex VVT Retard Target Angle R], [Exh. VVT Retard Ang. L] and [Ex VVT Retard Target Angle L].

      Does all of the advance angle amount and retard angle amount synchronize with their target values?

      Yes  : Go to  111.

      No  : Check any oil control solenoid with a difference of 10 deg or more.

      • Intake RH: Go to  61.
      • Intake LH: Go to  65.
      • Exhaust RH: Go to  69.
      • Exhaust LH: Go to  73.
  61. CHECK INTAKE OIL CONTROL SOLENOID RH POWER SUPPLY  .
    1. Turn the ignition switch to OFF.
    2. Disconnect the connector from the intake oil control solenoid RH.
    3. Turn the ignition switch to ON.
    4. Measure the voltage between intake oil control solenoid RH connector and engine ground.

      Connector & terminal 

      (E38) No. 1 (+) - Engine ground (-):

      Is the voltage 10 V or more?

      Yes  : Go to  62.

      No  : Repair the following item.

      • Open circuit in harness between M/B and intake oil control solenoid RH connector
      • Poor contact of coupling connector
      • Poor contact of J/C
  62. CHECK HARNESS BETWEEN ECM AND INTAKE OIL CONTROL SOLENOID RH CONNECTOR (OPEN)  .
    1. Turn the ignition switch to OFF.
    2. Disconnect the connector from ECM.
    3. Measure the resistance of harness between ECM connector and intake oil control solenoid RH connector.

      Connector & terminal 

      (E158) No. 7 - (E38) No. 2:

      Is the resistance less than 1 Ω?

      Yes  : Go to  63.

      No  : Repair the open circuit in harness between ECM connector and intake oil control solenoid RH connector.

  63. CHECK HARNESS BETWEEN ECM AND INTAKE OIL CONTROL SOLENOID RH CONNECTOR (SHORT TO GROUND)  .

    Measure the resistance between intake oil control solenoid RH connector and engine ground.

    Connector & terminal 

    (E38) No. 2 - Engine ground:

    Is the resistance 1 MΩ or more?

    Yes  : Go to  64.

    No  : Repair the short circuit to ground in harness between ECM connector and intake oil control solenoid RH connector.

  64. CHECK INTAKE OIL CONTROL SOLENOID RH  .

    Check the intake oil control solenoid RH. Ref. to FUEL INJECTION (FUEL SYSTEMS) (H4DOTC)>Oil Control Solenoid>INSPECTION .

    Is the check result OK?

    Yes  : Replace the intake cam sprocket RH. Ref. to MECHANICAL (H4DOTC)>CAM SPROCKET .

    No  : Replace the intake oil control solenoid RH. Ref. to FUEL INJECTION (FUEL SYSTEMS) (H4DOTC)>OIL CONTROL SOLENOID .

  65. CHECK INTAKE OIL CONTROL SOLENOID LH POWER SUPPLY  .
    1. Turn the ignition switch to OFF.
    2. Disconnect the connector from the intake oil control solenoid LH.
    3. Turn the ignition switch to ON.
    4. Measure the voltage between intake oil control solenoid LH connector and engine ground.

      Connector & terminal 

      (E37) No. 1 (+) - Engine ground (-):

      Is the voltage 10 V or more?

      Yes  : Go to  66.

      No  : Repair the following item.

      • Open circuit in harness between M/B and intake oil control solenoid LH connector
      • Poor contact of coupling connector
      • Poor contact of J/C
  66. CHECK HARNESS BETWEEN ECM AND INTAKE OIL CONTROL SOLENOID LH CONNECTOR (OPEN)  .
    1. Turn the ignition switch to OFF.
    2. Disconnect the connector from ECM.
    3. Measure the resistance of harness between ECM connector and intake oil control solenoid LH connector.

      Connector & terminal 

      (E158) No. 6 - (E37) No. 2:

      Is the resistance less than 1 Ω?

      Yes  : Go to  67.

      No  : Repair the open circuit in harness between ECM connector and intake oil control solenoid LH connector.

  67. CHECK HARNESS BETWEEN ECM AND INTAKE OIL CONTROL SOLENOID LH CONNECTOR (SHORT TO GROUND)  .

    Measure the resistance between intake oil control solenoid LH connector and engine ground.

    Connector & terminal 

    (E37) No. 2 - Engine ground:

    Is the resistance 1 MΩ or more?

    Yes  : Go to  68.

    No  : Repair the short circuit to ground in harness between ECM connector and intake oil control solenoid LH connector.

  68. CHECK INTAKE OIL CONTROL SOLENOID LH  .

    Check the intake oil control solenoid LH. Ref. to FUEL INJECTION (FUEL SYSTEMS) (H4DOTC)>Oil Control Solenoid>INSPECTION .

    Is the check result OK?

    Yes  : Replace the intake cam sprocket LH. Ref. to MECHANICAL (H4DOTC)>CAM SPROCKET .

    No  : Replace the intake oil control solenoid LH. Ref. to FUEL INJECTION (FUEL SYSTEMS) (H4DOTC)>OIL CONTROL SOLENOID .

  69. CHECK EXHAUST OIL CONTROL SOLENOID RH POWER SUPPLY  .
    1. Turn the ignition switch to OFF.
    2. Disconnect the connector from the exhaust oil control solenoid RH.
    3. Turn the ignition switch to ON.
    4. Measure the voltage between exhaust oil control solenoid RH connector and engine ground.

      Connector & terminal 

      (E63) No. 1 (+) - Engine ground (-):

      Is the voltage 10 V or more?

      Yes  : Go to  70.

      No  : Repair the following item.

      • Open circuit in harness between M/B and exhaust oil control solenoid RH connector
      • Poor contact of coupling connector
      • Poor contact of J/C
  70. CHECK HARNESS BETWEEN ECM AND EXHAUST OIL CONTROL SOLENOID RH CONNECTOR (OPEN)  .
    1. Turn the ignition switch to OFF.
    2. Disconnect the connector from ECM.
    3. Measure the resistance of harness between ECM connector and exhaust oil control solenoid RH connector.

      Connector & terminal 

      (E158) No. 5 - (E63) No. 2:

      Is the resistance less than 1 Ω?

      Yes  : Go to  71.

      No  : Repair the open circuit in harness between ECM connector and exhaust oil control solenoid RH connector.

  71. CHECK HARNESS BETWEEN ECM AND EXHAUST OIL CONTROL SOLENOID RH CONNECTOR (SHORT TO GROUND)  .

    Measure the resistance between exhaust oil control solenoid RH connector and engine ground.

    Connector & terminal 

    (E63) No. 2 - Engine ground:

    Is the resistance 1 MΩ or more?

    Yes  : Go to  72.

    No  : Repair the short circuit to ground in harness between ECM connector and exhaust oil control solenoid RH connector.

  72. CHECK EXHAUST OIL CONTROL SOLENOID RH  .

    Check the exhaust oil control solenoid RH. Ref. to FUEL INJECTION (FUEL SYSTEMS) (H4DOTC)>Oil Control Solenoid>INSPECTION .

    Is the check result OK?

    Yes  : Replace the exhaust cam sprocket RH. Ref. to MECHANICAL (H4DOTC)>CAM SPROCKET .

    No  : Replace the exhaust oil control solenoid RH. Ref. to FUEL INJECTION (FUEL SYSTEMS) (H4DOTC)>OIL CONTROL SOLENOID .

  73. CHECK EXHAUST OIL CONTROL SOLENOID LH POWER SUPPLY  .
    1. Turn the ignition switch to OFF.
    2. Disconnect the connector from the exhaust oil control solenoid LH.
    3. Turn the ignition switch to ON.
    4. Measure the voltage between exhaust oil control solenoid LH connector and engine ground.

      Connector & terminal 

      (E66) No. 1 (+) - Engine ground (-):

      Is the voltage 10 V or more?

      Yes  : Go to  74.

      No  : Repair the following item.

      • Open circuit in harness between M/B and exhaust oil control solenoid LH connector
      • Poor contact of coupling connector
      • Poor contact of J/C
  74. CHECK HARNESS BETWEEN ECM AND EXHAUST OIL CONTROL SOLENOID LH CONNECTOR (OPEN)  .
    1. Turn the ignition switch to OFF.
    2. Disconnect the connector from ECM.
    3. Measure the resistance of harness between ECM connector and exhaust oil control solenoid LH connector.

      Connector & terminal 

      (E158) No. 4 - (E66) No. 2:

      Is the resistance less than 1 Ω?

      Yes  : Go to  75.

      No  : Repair the open circuit in harness between ECM connector and exhaust oil control solenoid LH connector.

  75. CHECK HARNESS BETWEEN ECM AND EXHAUST OIL CONTROL SOLENOID LH CONNECTOR (SHORT TO GROUND)  .

    Measure the resistance between exhaust oil control solenoid LH connector and engine ground.

    Connector & terminal 

    (E66) No. 2 - Engine ground:

    Is the resistance 1 MΩ or more?

    Yes  : Go to  76.

    No  : Repair the short circuit to ground in harness between ECM connector and exhaust oil control solenoid LH connector.

  76. CHECK EXHAUST OIL CONTROL SOLENOID LH  .

    Check the exhaust oil control solenoid LH. Ref. to FUEL INJECTION (FUEL SYSTEMS) (H4DOTC)>Oil Control Solenoid>INSPECTION .

    Is the check result OK?

    Yes  : Replace the exhaust cam sprocket LH. Ref. to MECHANICAL (H4DOTC)>CAM SPROCKET .

    No  : Replace the exhaust oil control solenoid LH. Ref. to FUEL INJECTION (FUEL SYSTEMS) (H4DOTC)>OIL CONTROL SOLENOID .

  77. CHECK HARNESS BETWEEN ECM AND MASS AIR FLOW AND INTAKE AIR TEMPERATURE SENSOR CONNECTOR (OPEN)  .
    1. Turn the ignition switch to OFF.
    2. Disconnect the connector from ECM.
    3. Disconnect the connectors from the mass air flow and intake air temperature sensor.
    4. Measure the resistance of harness between ECM connector and the mass air flow and intake air temperature sensor connector.

      Connector & terminal 

      (B134) No. 63 - (B3) No. 1:

      (B134) No. 62 - (B3) No. 2:

      (B134) No. 2 - (B3) No. 3:

      Is the resistance less than 1 Ω?

      Yes  : Go to  78.

      No  : Repair the open circuit of harness between ECM connector and the mass air flow and intake air temperature sensor connector.

  78. CHECK HARNESS BETWEEN ECM AND MASS AIR FLOW AND INTAKE AIR TEMPERATURE SENSOR CONNECTOR (SHORT TO GROUND)  .

    Measure the resistance between the ECM connector and engine ground.

    NOTE: Connect all connectors after measurement.

    Connector & terminal 

    (B134) No. 63 - Engine ground:

    (B134) No. 2 - Engine ground:

    Is the resistance 1 MΩ or more?

    Yes  : Replace the mass air flow and intake air temperature sensor. Ref. to FUEL INJECTION (FUEL SYSTEMS) (H4DOTC)>MASS AIR FLOWS AND INTAKE AIR TEMPERATURE SENSOR . If the fault occurs after servicing, continue the diagnosis. Go to  111.

    No  : Repair the ground short circuit of harness between ECM connector and the mass air flow and intake air temperature sensor connector.

  79. CHECK ENGINE COOLANT TEMPERATURE SENSOR  .

    Check the engine coolant temperature sensor. Ref. to FUEL INJECTION (FUEL SYSTEMS) (H4DOTC)>Engine Coolant Temperature Sensor>INSPECTION .

    Is the check result OK?

    Yes  : Go to  80.

    No  : Replace the engine coolant temperature sensor. Ref. to FUEL INJECTION (FUEL SYSTEMS) (H4DOTC)>ENGINE COOLANT TEMPERATURE SENSOR . If the fault occurs after servicing, replace the ECM. Ref. to FUEL INJECTION (FUEL SYSTEMS) (H4DOTC)>ENGINE CONTROL MODULE (ECM) . If the fault still occurs after replacing the ECM, continue the diagnosis. Go to  124.

  80. CHECK HARNESS BETWEEN ECM AND ENGINE COOLANT TEMPERATURE SENSOR CONNECTOR (OPEN)  .
    1. Turn the ignition switch to OFF.
    2. Disconnect the connector from ECM.
    3. Disconnect the connectors from the engine coolant temperature sensor.
    4. Measure the resistance of harness between ECM connector and engine coolant temperature sensor connector.

      Connector & terminal 

      (E158) No. 22 - (E8) No. 1:

      (E159) No. 15 - (E8) No. 2:

      Is the resistance less than 1 Ω?

      Yes  : Go to  81.

      No  : Repair the open circuit of the harness between the ECM connector and engine coolant temperature sensor connector. If the fault occurs after servicing, replace the ECM. Ref. to FUEL INJECTION (FUEL SYSTEMS) (H4DOTC)>ENGINE CONTROL MODULE (ECM) . If the fault still occurs after replacing the ECM, continue the diagnosis. Go to  124.

  81. CHECK HARNESS BETWEEN ECM AND ENGINE COOLANT TEMPERATURE SENSOR CONNECTOR (SHORT CIRCUIT TO GROUND)  .

    Measure the resistance between the ECM connector and engine ground.

    NOTE: Connect all connectors after measurement.

    Connector & terminal 

    (E159) No. 15 - Engine ground:

    Is the resistance 1 MΩ or more?

    Yes  : Go to  82.

    No  : Repair the short circuit to ground in harness between ECM connector and engine coolant temperature sensor connector. If the fault occurs after servicing, replace the ECM. Ref. to FUEL INJECTION (FUEL SYSTEMS) (H4DOTC)>ENGINE CONTROL MODULE (ECM) . If the fault still occurs after replacing the ECM, continue the diagnosis. Go to  124.

  82. CHECK DATA MONITOR  .
    1. Turn the ignition switch to ON. (Engine OFF)
    2. Using the Subaru Select Monitor, read the values in [Long Term Fuel Trim (B1)] and [Barometric Pressure].
      NOTE: For detailed operation procedures, refer to "Common (Diagnostics)". Ref. to COMMON (diag)>DATA MONITOR .

      Is the value of [Long Term Fuel Trim (B1)] -25 - 25 %? And is the value of [Barometric Pressure] 80 kPa (600 mmHg, 23.6 inHg) or more?

      Yes  : Go to  85.

      No  : Go to  83.

  83. CHECK FOR MALFUNCTION OCCURRENCE  .
    1. Using the Subaru Select Monitor or a general scan tool, perform the clear memory of [Engine]. Ref. to COMMON (diag)>CLEAR MEMORY .
    2. Start the engine.

      Does the engine start?

      Yes  : Go to  84.

      No  : Go to  85.

  84. CHECK IDLE SPEED  .

    Check the idle speed.

    Is the idle speed stable?

    Yes  : Replace the mass air flow and intake air temperature sensor. Ref. to FUEL INJECTION (FUEL SYSTEMS) (H4DOTC)>MASS AIR FLOWS AND INTAKE AIR TEMPERATURE SENSOR . If the fault occurs after servicing, replace the ECM. Ref. to FUEL INJECTION (FUEL SYSTEMS) (H4DOTC)>ENGINE CONTROL MODULE (ECM) . If the fault still occurs after replacing the ECM, continue the diagnosis. Go to  122.

    No  : Replace the fuel injector. Ref. to FUEL INJECTION (FUEL SYSTEMS) (H4DOTC)>FUEL INJECTOR . If the fault occurs after servicing, replace the ECM. Ref. to FUEL INJECTION (FUEL SYSTEMS) (H4DOTC)>ENGINE CONTROL MODULE (ECM) . If the fault still occurs after replacing the ECM, continue the diagnosis. Go to  122.

  85. CHECK FUEL PRESSURE  .
    WARNING: Place "NO OPEN FLAMES" signs near the working area.
    CAUTION:
    • Be careful not to spill fuel.
    • Before attaching/detaching a fuel pressure gauge, release the fuel pressure.

    Measure the fuel pressure. Ref. to MECHANICAL (H4DOTC)>Fuel Pressure>INSPECTION .

    Is the measured value 340 - 400 kPa (3.5 - 4.1 kgf/cm2 , 49 - 58 psi)?

    Yes  : Go to  86.

    No  : Go to  92.

  86. CHECK FREEZE FRAME DATA  .

    Using the Subaru Select Monitor, read the values in [Fuel Rail Pressure A] and [Commanded Fuel Rail Pressure A].

    NOTE: For detailed operation procedures, refer to "Common (Diagnostics)". Ref. to COMMON (diag)>FREEZE FRAME DATA .

    Is the value in [Fuel Rail Pressure A] synchronized with the one in [Commanded Fuel Rail Pressure A] in all freeze frame data?

    Yes  : Go to  87.

    No  : Check the high-pressure fuel pump. Ref. to FUEL INJECTION (FUEL SYSTEMS) (H4DOTC)>High Pressure Fuel Pump>INSPECTION .

  87. CHECK SPARK PLUG  .

    Check the spark plug. Ref. to IGNITION (H4DOTC)>Spark Plug>INSPECTION .

    Is the check result OK?

    Yes  : Go to  88.

    No  :

    • When spark plugs in some cylinders are faulty: Replace the faulty spark plugs of the cylinders, then check the ignition system and fuel system in the faulty cylinders. Ref. to IGNITION (H4DOTC)>SPARK PLUG . If the fault occurs after servicing, continue the diagnosis. Go to  122.
    • When all spark plugs in all cylinders are faulty: Replace faulty spark plugs in all cylinders. Ref. to IGNITION (H4DOTC)>SPARK PLUG . If the fault occurs after servicing, continue the diagnosis. Go to  122.
  88. CHECK FOR MALFUNCTION OCCURRENCE  .

    Check for the condition of fault occurrence.

    Does the fault occur only within approx. 15 to 120 minutes after the engine is stopped?

    Yes  : Go to  90.

    No  :

    • When the fault occurs in two or three minutes or a long time after the engine is stopped: Go to  89.
    • When the fault occurrence pattern is inconsistent: Go to  122.
  89. CHECK FUEL PRESSURE  .
    WARNING: Place "NO OPEN FLAMES" signs near the working area.
    CAUTION:
    • Be careful not to spill fuel.
    • Before attaching/detaching a fuel pressure gauge, release the fuel pressure.

    Measure the fuel pressure five minutes after the engine is stopped. Ref. to MECHANICAL (H4DOTC)>Fuel Pressure>INSPECTION .

    NOTE: If the engine does not start, measure the fuel pressure five minutes after cranking is completed.

    Is the measured value 147 kPa (1.5 kgf/cm2 , 21 psi) or more?

    Yes  : Go to  122.

    No  : Replace the pressure regulator. Ref. to FUEL INJECTION (FUEL SYSTEMS) (H4DOTC)>FUEL FILTER .

  90. CHECK PURGE CONTROL SOLENOID VALVE  .

    Check purge control solenoid valve 1 and purge control solenoid valve 2. Ref. to EMISSION CONTROL (AUX. EMISSION CONTROL DEVICES) (HDOTC)>Purge Control Solenoid Valve>INSPECTION .

    Is the check result OK?

    Yes  : Go to  91.

    No  : Replace the faulty purge control solenoid valve. Ref. to EMISSION CONTROL (AUX. EMISSION CONTROL DEVICES) (H4DOTC)>PURGE CONTROL SOLENOID VALVE .

  91. CHECK FUEL INJECTOR  .
    1. After the engine is stopped, scavenge inside of the intake manifold by applying compressed air.
    2. Measure the HC concentration inside the intake manifold 15 minutes after scavenging is completed.
      NOTE: Remove the vacuum hose between intake manifold and purge solenoid valve and perform the measurement. Ref. to FUEL INJECTION (FUEL SYSTEMS) (H4DOTC)>General Description>COMPONENT>FUEL PIPE .

      Is the HC concentration less than 4000 ppm?

      Yes  : Go to  122.

      No  : Replace the fuel injector. Ref. to FUEL INJECTION (FUEL SYSTEMS) (H4DOTC)>FUEL INJECTOR .

  92. CHECK OF FUEL PUMP  .

    Check fuel pump. Ref. to FUEL INJECTION (FUEL SYSTEMS) (H4DOTC)>Fuel Pump>INSPECTION .

    Is the check result OK?

    Yes  : Check fuel pump system. Ref. to ENGINE (DIAGNOSTICS) (H4DOTC)>Diagnostics with Phenomenon>FUEL PUMP CIRCUIT . If the fault occurs after servicing, continue the diagnosis.

    Go to  122.

    No  : Replace the fuel pump. Ref. to FUEL INJECTION (FUEL SYSTEMS) (H4DOTC)>FUEL PUMP .

  93. CHECK FUEL INJECTOR  .

    Check fuel injector. Ref. to FUEL INJECTION (FUEL SYSTEMS) (HDOTC)>Fuel Injector>INSPECTION .

    Is the check result OK?

    Yes  : Go to  94.

    No  : Replace the fuel injector. Ref. to FUEL INJECTION (FUEL SYSTEMS) (H4DOTC)>FUEL INJECTOR .

  94. CHECK HARNESS BETWEEN ECM AND FUEL INJECTOR CONNECTOR (OPEN)  .
    1. Turn the ignition switch to OFF.
    2. Disconnect the connector from ECM.
    3. Disconnect the connector from fuel injector.
    4. Measure the resistance of harness between ECM connector and fuel injector connector.

      Connector & terminal 

      #1 (E159) No. 1 - (E5) No. 1:

      #1 (E159) No. 2 - (E5) No. 2:

      #2 (E159) No. 9 - (E16) No. 1:

      #2 (E159) No. 10 - (E16) No. 2:

      #3 (E159) No. 17 - (E6) No. 1:

      #3 (E159) No. 18 - (E6) No. 2:

      #4 (E159) No. 25 - (E17) No. 1:

      #4 (E159) No. 26 - (E17) No. 2:

      Is the resistance less than 1 Ω?

      Yes  : Go to  95.

      No  : Repair the open circuit of the harness between the ECM connector and fuel injector connector.

  95. CHECK HARNESS BETWEEN ECM AND FUEL INJECTOR CONNECTOR (SHORT TO GROUND)  .

    Measure the resistance between the ECM connector and engine ground.

    NOTE: Connect all connectors after measurement.

    Connector & terminal 

    #1 (E159) No. 1 - Engine ground:

    #1 (E159) No. 2 - Engine ground:

    #2 (E159) No. 9 - Engine ground:

    #2 (E159) No. 10 - Engine ground:

    #3 (E159) No. 17 - Engine ground:

    #3 (E159) No. 18 - Engine ground:

    #4 (E159) No. 25 - Engine ground:

    #4 (E159) No. 26 - Engine ground:

    Is the resistance 1 MΩ or more?

    Yes  : Go to  96.

    No  : Repair the short circuit to ground in harness between ECM connector and fuel injector connector.

  96. CHECK FOR MALFUNCTION OCCURRENCE  .
    1. Replace the crankshaft position sensor. Ref. to FUEL INJECTION (FUEL SYSTEMS) (H4DOTC)>CRANKSHAFT POSITION SENSOR .
    2. Check that the fault is removed.

      Is the fault removed?

      Yes  : Clear the memory to complete. Ref. to COMMON (diag)>CLEAR MEMORY .

      No  : Go to  97.

  97. CHECK FOR MALFUNCTION OCCURRENCE  .
    1. Replace the camshaft position sensor. Ref. to FUEL INJECTION (FUEL SYSTEMS) (H4DOTC)>CAMSHAFT POSITION SENSOR .
    2. Check that the fault is removed.

      Is the fault removed?

      Yes  : Clear the memory to complete. Ref. to COMMON (diag)>CLEAR MEMORY .

      No  : Replace the ECM. Ref. to FUEL INJECTION (FUEL SYSTEMS) (H4DOTC)>ENGINE CONTROL MODULE (ECM) .

  98. CHECK INSTALLATION CONDITION OF CRANKSHAFT POSITION SENSOR  .

    Check the installation condition of crankshaft position sensor.

    Is the crankshaft position sensor installed correctly?

    Yes  : Go to  99.

    No  : Install the crankshaft position sensor correctly. Ref. to FUEL INJECTION (FUEL SYSTEMS) (H4DOTC)>Crankshaft Position Sensor>INSTALLATION .

  99. CHECK INSTALLATION CONDITION OF CAMSHAFT POSITION SENSOR  .

    Check the installation condition of camshaft position sensor.

    Is the camshaft position sensor installed correctly?

    Yes  : Go to  100.

    No  : Install the camshaft position sensor correctly. Ref. to FUEL INJECTION (FUEL SYSTEMS) (H4DOTC)>Camshaft Position Sensor>INSTALLATION .

  100. CHECK POWER SUPPLY TO CRANKSHAFT POSITION SENSOR  .
    1. Turn the ignition switch to OFF.
    2. Disconnect the connector from the crankshaft position sensor.
    3. Turn the ignition switch to ON.
    4. Measure the voltage between crankshaft position sensor connector and engine ground.

      Connector & terminal 

      (E10) No. 3 (+) - Engine ground (-):

      Is the voltage 4.5 V or more?

      Yes  : Go to  101.

      No  : Repair the power supply circuit.

  101. CHECK HARNESS BETWEEN ECM AND CRANKSHAFT POSITION SENSOR CONNECTOR (OPEN)  .
    1. Turn the ignition switch to OFF.
    2. Disconnect the connector from ECM.
    3. Measure the resistance of harness between ECM connector and crankshaft position sensor connector.

      Connector & terminal 

      (E159) No. 14 - (E10) No. 1:

      (E159) No. 22 - (E10) No. 2:

      Is the resistance less than 1 Ω?

      Yes  : Go to  102.

      No  : Repair the open circuit in the harness between the ECM connector and crankshaft position sensor connector.

  102. CHECK HARNESS BETWEEN ECM AND CRANKSHAFT POSITION SENSOR CONNECTOR (SHORT TO GROUND)  .

    Measure the resistance between crankshaft position sensor connector and engine ground.

    Connector & terminal 

    (E10) No. 1 - Engine ground:

    Is the resistance 1 MΩ or more?

    Yes  : Go to  103.

    No  : Repair short circuit to ground in harness between ECM connector and crankshaft position sensor connector.

  103. CHECK POWER SUPPLY OF INTAKE CAMSHAFT POSITION SENSOR  .
    1. Turn the ignition switch to OFF.
    2. Disconnect the connector from the intake camshaft position sensor.
    3. Turn the ignition switch to ON.
    4. Measure the voltage between intake camshaft position sensor connector and engine ground.

      Connector & terminal 

      (E35) No. 1 (+) - Engine ground (-):

      (E36) No. 1 (+) - Engine ground (-):

      Is the voltage 10 V or more?

      Yes  : Go to  104.

      No  : Repair the following item.

      • Open circuit or short circuit to ground in harness between M/B and intake camshaft position sensor connector
      • Poor contact of coupling connector
  104. CHECK HARNESS BETWEEN ECM AND INTAKE CAMSHAFT POSITION SENSOR CONNECTOR (OPEN)  .
    1. Turn the ignition switch to OFF.
    2. Disconnect the connector from ECM.
    3. Measure the resistance between ECM connector and intake camshaft position sensor connector.

      Connector & terminal 

      (E159) No. 29 - (E35) No. 2:

      (E159) No. 30 - (E35) No. 3:

      (E159) No. 20 - (E36) No. 2:

      (E159) No. 30 - (E36) No. 3:

      Is the resistance less than 1 Ω?

      Yes  : Go to  105.

      No  : Repair the following item.

      • Open circuit in the harness between ECM connector and intake camshaft position sensor connector
      • Poor contact of J/C
  105. CHECK HARNESS BETWEEN ECM AND INTAKE CAMSHAFT POSITION SENSOR CONNECTOR (SHORT TO GROUND)  .

    Measure the resistance between intake camshaft position sensor connector and engine ground.

    Connector & terminal 

    (E35) No. 2 - Engine ground:

    (E36) No. 2 - Engine ground:

    Is the resistance 1 MΩ or more?

    Yes  : Go to  106.

    No  : Repair short circuit to ground in the harness between ECM connector and intake camshaft position sensor connector.

  106. CHECK POWER SUPPLY OF EXHAUST CAMSHAFT POSITION SENSOR  .
    1. Turn the ignition switch to OFF.
    2. Disconnect the connector from the exhaust camshaft position sensor.
    3. Turn the ignition switch to ON.
    4. Measure the voltage between exhaust camshaft position sensor connector and engine ground.

      Connector & terminal 

      (E62) No. 1 (+) - Engine ground (-):

      (E65) No. 1 (+) - Engine ground (-):

      Is the voltage 10 V or more?

      Yes  : Go to  107.

      No  : Repair the following item.

      • Open circuit in harness between M/B and exhaust camshaft position sensor connector
      • Poor contact of coupling connector
  107. CHECK HARNESS BETWEEN ECM AND EXHAUST CAMSHAFT POSITION SENSOR CONNECTOR (OPEN)  .
    1. Turn the ignition switch to OFF.
    2. Disconnect the connector from ECM.
    3. Measure the resistance between ECM connector and exhaust camshaft position sensor connector.

      Connector & terminal 

      (E159) No. 21 - (E62) No. 2:

      (E159) No. 30 - (E62) No. 3:

      (E159) No. 13 - (E65) No. 2:

      (E159) No. 30 - (E65) No. 3:

      Is the resistance less than 1 Ω?

      Yes  : Go to  108.

      No  : Repair the following item.

      • Open circuit in harness between ECM connector and exhaust camshaft position sensor connector
      • Poor contact of J/C
  108. CHECK HARNESS BETWEEN ECM AND EXHAUST CAMSHAFT POSITION SENSOR CONNECTOR (SHORT TO GROUND)  .

    Measure the resistance between exhaust camshaft position sensor connector and engine ground.

    NOTE: Connect all connectors after measurement.

    Connector & terminal 

    (E62) No. 2 - Engine ground:

    (E65) No. 2 - Engine ground:

    Is the resistance 1 MΩ or more?

    Yes  : Go to  109.

    No  : Repair short circuit to ground in the harness between ECM connector and exhaust camshaft position sensor connector.

  109. CHECK FOR MALFUNCTION OCCURRENCE  .
    1. Replace the crankshaft position sensor. Ref. to FUEL INJECTION (FUEL SYSTEMS) (H4DOTC)>CRANKSHAFT POSITION SENSOR .
    2. Check that the fault is removed.

      Is the fault removed?

      Yes  : Clear the memory to complete. Ref. to COMMON (diag)>CLEAR MEMORY .

      No  : Go to  110.

  110. CHECK FOR MALFUNCTION OCCURRENCE  .
    1. Replace the camshaft position sensor. Ref. to FUEL INJECTION (FUEL SYSTEMS) (H4DOTC)>CAMSHAFT POSITION SENSOR .
    2. Check that the fault is removed.

      Is the fault removed?

      Yes  : Clear the memory to complete. Ref. to COMMON (diag)>CLEAR MEMORY .

      No  : Replace the ECM. Ref. to FUEL INJECTION (FUEL SYSTEMS) (H4DOTC)>ENGINE CONTROL MODULE (ECM) .

  111. CHECK ENGINE COOLANT TEMPERATURE SENSOR  .

    Check the engine coolant temperature sensor. Ref. to FUEL INJECTION (FUEL SYSTEMS) (H4DOTC)>Engine Coolant Temperature Sensor>INSPECTION .

    Is the check result OK?

    Yes  : Go to  112.

    No  : Replace the engine coolant temperature sensor. Ref. to FUEL INJECTION (FUEL SYSTEMS) (H4DOTC)>ENGINE COOLANT TEMPERATURE SENSOR .

  112. CHECK FUEL PRESSURE  .
    WARNING: Place "NO OPEN FLAMES" signs near the working area.
    CAUTION:
    • Be careful not to spill fuel.
    • Before attaching/detaching a fuel pressure gauge, release the fuel pressure.

    Measure the fuel pressure during cranking or five minutes after the engine is stopped. Ref. to MECHANICAL (H4DOTC)>Fuel Pressure>INSPECTION .

    Is the fuel pressure during cranking 315 - 400 kPa (3.2 - 4.1 kgf/cm2 , 46 - 58 psi), and at the same time, is the fuel pressure when 5 minutes have passed since the engine stopped 147 kPa (1.5 kgf/cm2 , 21 psi) or more?

    Yes  : Go to  113.

    No  : Go to  121.

  113. CHECK DATA MONITOR  .
    1. Turn the ignition switch to ON. (Engine OFF)
    2. Using the Subaru Select Monitor, read the value in [Long Term Fuel Trim (B1)].
      NOTE: For detailed operation procedures, refer to "Common (Diagnostics)". Ref. to COMMON (diag)>DATA MONITOR .

      Does the value of [Long Term Fuel Trim (B1)] fall within a range of -15 - 15 %?

      Yes  : Go to  114.

      No  : Replace the fuel injector. Ref. to FUEL INJECTION (FUEL SYSTEMS) (H4DOTC)>FUEL INJECTOR .

  114. CHECK FOR MALFUNCTION OCCURRENCE  .

    Start the engine and check the idling speed.

    Is the idling speed stable all time?

    Yes  : It is possible that the fault comes from fuel. Replace fuel. Ref. to FUEL INJECTION (FUEL SYSTEMS) (H4DOTC)>Fuel>PROCEDURE>DRAINING FUEL (WITH SUBARU SELECT MONITOR) .

    No  : Go to  115.

  115. CHECK INSTALLATION CONDITION OF CRANKSHAFT POSITION SENSOR  .

    Check the installation condition of crankshaft position sensor.

    Is the crankshaft position sensor installed correctly?

    Yes  : Go to  116.

    No  : Install the crankshaft position sensor correctly. Ref. to FUEL INJECTION (FUEL SYSTEMS) (H4DOTC)>Crankshaft Position Sensor>INSTALLATION .

  116. CHECK POWER SUPPLY TO CRANKSHAFT POSITION SENSOR  .
    1. Turn the ignition switch to OFF.
    2. Disconnect the connector from the crankshaft position sensor.
    3. Turn the ignition switch to ON.
    4. Measure the voltage between crankshaft position sensor connector and engine ground.

      Connector & terminal 

      (E10) No. 3 (+) - Engine ground (-):

      Is the voltage 4.5 V or more?

      Yes  : Go to  117.

      No  : Repair the power supply circuit.

  117. CHECK HARNESS BETWEEN ECM AND CRANKSHAFT POSITION SENSOR CONNECTOR (OPEN)  .
    1. Turn the ignition switch to OFF.
    2. Disconnect the connector from ECM.
    3. Measure the resistance of harness between ECM connector and crankshaft position sensor connector.

      Connector & terminal 

      (E159) No. 14 - (E10) No. 1:

      (E159) No. 22 - (E10) No. 2:

      Is the resistance less than 1 Ω?

      Yes  : Go to  118.

      No  : Repair the open circuit in the harness between the ECM connector and crankshaft position sensor connector.

  118. CHECK HARNESS BETWEEN ECM AND CRANKSHAFT POSITION SENSOR CONNECTOR (SHORT TO GROUND)  .

    Measure the resistance between crankshaft position sensor connector and engine ground.

    NOTE: Connect all connectors after measurement.

    Connector & terminal 

    (E10) No. 1 - Engine ground:

    Is the resistance 1 MΩ or more?

    Yes  : Go to  119.

    No  : Repair short circuit to ground in harness between ECM connector and crankshaft position sensor connector.

  119. CHECK COMPRESSION PRESSURE  .

    Check the compression pressure. Ref. to MECHANICAL (H4DOTC)>Compression>INSPECTION .

    Is the check result OK?

    Yes  : Go to  120.

    No  : Check the engine. Ref. to MECHANICAL (H4DOTC)>Symptoms and causes>INSPECTION .

  120. CHECK FOR MALFUNCTION OCCURRENCE  .
    1. Replace the crankshaft position sensor. Ref. to FUEL INJECTION (FUEL SYSTEMS) (H4DOTC)>CRANKSHAFT POSITION SENSOR .
    2. Check that the fault is removed.

      Is the fault removed?

      Yes  : Clear the memory to complete. Ref. to COMMON (diag)>CLEAR MEMORY .

      No  : Check the valve timing. Ref. to MECHANICAL (H4DOTC)>TIMING CHAIN ASSEMBLY .

      When the valve timing is normal, replace the ECM. Ref. to FUEL INJECTION (FUEL SYSTEMS) (H4DOTC)>ENGINE CONTROL MODULE (ECM) .

  121. CHECK OF FUEL PUMP  .

    Check fuel pump. Ref. to FUEL INJECTION (FUEL SYSTEMS) (H4DOTC)>Fuel Pump>INSPECTION .

    Is the check result OK?

    Yes  : Check fuel pump system. Ref. to ENGINE (DIAGNOSTICS) (H4DOTC)>Diagnostics with Phenomenon>FUEL PUMP CIRCUIT .

    No  : Replace the fuel pump. Ref. to FUEL INJECTION (FUEL SYSTEMS) (H4DOTC)>FUEL PUMP .

  122. CHECK FUEL PRESSURE  .
    WARNING: Place "NO OPEN FLAMES" signs near the working area.
    CAUTION:
    • Be careful not to spill fuel.
    • Before attaching/detaching a fuel pressure gauge, release the fuel pressure.

    Measure the fuel pressure during cranking or five minutes after the engine is stopped. Ref. to MECHANICAL (H4DOTC)>Fuel Pressure>INSPECTION .

    Is the fuel pressure during cranking 315 - 400 kPa (3.2 - 4.1 kgf/cm2 , 46 - 58 psi), and at the same time, is the fuel pressure when 5 minutes have passed since the engine stopped 147 kPa (1.5 kgf/cm2 , 21 psi) or more?

    Yes  : Go to  123.

    No  : Go to  130.

  123. CHECK DATA MONITOR  .
    1. Turn the ignition switch to ON. (Engine OFF)
    2. Using the Subaru Select Monitor, read the value in [Long Term Fuel Trim (B1)].
      NOTE: For detailed operation procedures, refer to "Common (Diagnostics)". Ref. to COMMON (diag)>DATA MONITOR .

      Does the value of [Long Term Fuel Trim (B1)] fall within a range of -15 - 15 %?

      Yes  : Go to  124.

      No  : Replace the fuel injector. Ref. to FUEL INJECTION (FUEL SYSTEMS) (H4DOTC)>FUEL INJECTOR .

  124. CHECK FOR MALFUNCTION OCCURRENCE  .

    Start the engine and check the idling speed.

    Is the idling speed stable all time?

    Yes  : It is possible that the fault comes from fuel. Replace fuel. Ref. to FUEL INJECTION (FUEL SYSTEMS) (H4DOTC)>Fuel>PROCEDURE>DRAINING FUEL (WITH SUBARU SELECT MONITOR) .

    No  : Go to  125.

  125. CHECK INSTALLATION CONDITION OF CRANKSHAFT POSITION SENSOR  .

    Check the installation condition of crankshaft position sensor.

    Is the crankshaft position sensor installed correctly?

    Yes  : Go to  126.

    No  : Install the crankshaft position sensor correctly. Ref. to FUEL INJECTION (FUEL SYSTEMS) (H4DOTC)>Crankshaft Position Sensor>INSTALLATION .

  126. CHECK POWER SUPPLY TO CRANKSHAFT POSITION SENSOR  .
    1. Turn the ignition switch to OFF.
    2. Disconnect the connector from the crankshaft position sensor.
    3. Turn the ignition switch to ON.
    4. Measure the voltage between crankshaft position sensor connector and engine ground.

      Connector & terminal 

      (E10) No. 3 (+) - Engine ground (-):

      Is the voltage 4.5 V or more?

      Yes  : Go to  127.

      No  : Repair the power supply circuit.

  127. CHECK HARNESS BETWEEN ECM AND CRANKSHAFT POSITION SENSOR CONNECTOR (OPEN)  .
    1. Turn the ignition switch to OFF.
    2. Disconnect the connector from ECM.
    3. Measure the resistance of harness between ECM connector and crankshaft position sensor connector.

      Connector & terminal 

      (E159) No. 14 - (E10) No. 1:

      (E159) No. 22 - (E10) No. 2:

      Is the resistance less than 1 Ω?

      Yes  : Go to  128.

      No  : Repair the open circuit in the harness between the ECM connector and crankshaft position sensor connector.

  128. CHECK HARNESS BETWEEN ECM AND CRANKSHAFT POSITION SENSOR CONNECTOR (SHORT TO GROUND)  .

    Measure the resistance between crankshaft position sensor connector and engine ground.

    NOTE: Connect all connectors after measurement.

    Connector & terminal 

    (E10) No. 1 - Engine ground:

    Is the resistance 1 MΩ or more?

    Yes  : Go to  129.

    No  : Repair short circuit to ground in harness between ECM connector and crankshaft position sensor connector.

  129. CHECK FOR MALFUNCTION OCCURRENCE  .
    1. Replace the crankshaft position sensor. Ref. to FUEL INJECTION (FUEL SYSTEMS) (H4DOTC)>CRANKSHAFT POSITION SENSOR .
    2. Check that the fault is removed.

      Is the fault removed?

      Yes  : Clear the memory to complete. Ref. to COMMON (diag)>CLEAR MEMORY .

      No  : Replace the ECM. Ref. to FUEL INJECTION (FUEL SYSTEMS) (H4DOTC)>ENGINE CONTROL MODULE (ECM) .

  130. CHECK OF FUEL PUMP  .

    Check fuel pump. Ref. to FUEL INJECTION (FUEL SYSTEMS) (H4DOTC)>Fuel Pump>INSPECTION .

    Is the check result OK?

    Yes  : Go to  131.

    No  : Replace the fuel pump. Ref. to FUEL INJECTION (FUEL SYSTEMS) (H4DOTC)>FUEL PUMP .

  131. CHECK FUEL PUMP SYSTEM  .

    Check fuel pump system. Ref. to ENGINE (DIAGNOSTICS) (H4DOTC)>Diagnostics with Phenomenon>FUEL PUMP CIRCUIT .

    Is the check result OK?

    Yes  : Go to  132.

    No  : Repair the fuel pump system. Ref. to ENGINE (DIAGNOSTICS) (H4DOTC)>Diagnostics with Phenomenon>FUEL PUMP CIRCUIT .

  132. CHECK PURGE CONTROL SOLENOID VALVE  .

    Check the purge control solenoid valve. Ref. to EMISSION CONTROL (AUX. EMISSION CONTROL DEVICES) (H4DOTC)>Purge Control Solenoid Valve>INSPECTION .

    Is the check result OK?

    Yes  : Go to  133.

    No  : Replace the purge control solenoid valve. Ref. to EMISSION CONTROL (AUX. EMISSION CONTROL DEVICES) (H4DOTC)>PURGE CONTROL SOLENOID VALVE .

  133. CHECK FUEL INJECTOR  .
    1. After the engine is stopped, scavenge inside of the intake manifold by applying compressed air.
    2. Measure the HC concentration inside the intake manifold 15 minutes after scavenging is completed.
      NOTE: Remove the vacuum hose between intake manifold and purge solenoid valve and perform the measurement. Ref. to FUEL INJECTION (FUEL SYSTEMS) (H4DOTC)>General Description>COMPONENT>FUEL PIPE .

      Is the HC concentration less than 4000 ppm?

      Yes  : Go to  134.

      No  : Replace the fuel injector. Ref. to FUEL INJECTION (FUEL SYSTEMS) (H4DOTC)>FUEL INJECTOR .

  134. CHECK INTAKE VALVE  .

    Check the intake valve. Ref. to MECHANICAL (H4DOTC)>Cylinder Head>INSPECTION .

    Is there any deposit in the intake valve?

    Yes  : Clean the intake valve. Ref. to MECHANICAL (H4DOTC)>CYLINDER HEAD .

    No  : Go to  135.

  135. CHECK ENGINE COOLANT TEMPERATURE SENSOR  .

    Check the engine coolant temperature sensor. Ref. to FUEL INJECTION (FUEL SYSTEMS) (H4DOTC)>Engine Coolant Temperature Sensor>INSPECTION .

    Is the check result OK?

    Yes  : Go to  136.

    No  : Replace the engine coolant temperature sensor. Ref. to FUEL INJECTION (FUEL SYSTEMS) (H4DOTC)>ENGINE COOLANT TEMPERATURE SENSOR .

  136. CHECK INSTALLATION CONDITION OF CRANKSHAFT POSITION SENSOR  .

    Check the installation condition of crankshaft position sensor.

    Is the crankshaft position sensor installed correctly?

    Yes  : Go to  137.

    No  : Install the crankshaft position sensor correctly. Ref. to FUEL INJECTION (FUEL SYSTEMS) (HDOTC)>Crankshaft Position Sensor>INSTALLATION .

  137. CHECK INSTALLATION CONDITION OF CAMSHAFT POSITION SENSOR  .

    Check the installation condition of camshaft position sensor.

    Is the camshaft position sensor installed correctly?

    Yes  : Go to  138.

    No  : Install the camshaft position sensor correctly. Ref. to FUEL INJECTION (FUEL SYSTEMS) (HDOTC)>Camshaft Position Sensor>INSTALLATION .

  138. CHECK POWER SUPPLY TO CRANKSHAFT POSITION SENSOR  .
    1. Turn the ignition switch to OFF.
    2. Disconnect the connector from the crankshaft position sensor.
    3. Turn the ignition switch to ON.
    4. Measure the voltage between crankshaft position sensor connector and engine ground.

      Connector & terminal 

      (E10) No. 3 (+) - Engine ground (-):

      Is the voltage 4.5 V or more?

      Yes  : Go to  139.

      No  : Repair the power supply circuit.

  139. CHECK HARNESS BETWEEN ECM AND CRANKSHAFT POSITION SENSOR CONNECTOR (OPEN)  .
    1. Turn the ignition switch to OFF.
    2. Disconnect the connector from ECM.
    3. Measure the resistance of harness between ECM connector and crankshaft position sensor connector.

      Connector & terminal 

      (E159) No. 14 - (E10) No. 1:

      (E159) No. 22 - (E10) No. 2:

      Is the resistance less than 1 Ω?

      Yes  : Go to  140.

      No  : Repair the open circuit in the harness between the ECM connector and crankshaft position sensor connector.

  140. CHECK HARNESS BETWEEN ECM AND CRANKSHAFT POSITION SENSOR CONNECTOR (SHORT TO GROUND)  .

    Measure the resistance between crankshaft position sensor connector and engine ground.

    Connector & terminal 

    (E10) No. 1 - Engine ground:

    Is the resistance 1 MΩ or more?

    Yes  : Go to  141.

    No  : Repair short circuit to ground in harness between ECM connector and crankshaft position sensor connector.

  141. CHECK POWER SUPPLY OF INTAKE CAMSHAFT POSITION SENSOR  .
    1. Turn the ignition switch to OFF.
    2. Disconnect the connector from the intake camshaft position sensor.
    3. Turn the ignition switch to ON.
    4. Measure the voltage between intake camshaft position sensor connector and engine ground.

      Connector & terminal 

      (E35) No. 1 (+) - Engine ground (-):

      (E36) No. 1 (+) - Engine ground (-):

      Is the voltage 10 V or more?

      Yes  : Go to  142.

      No  : Repair the following item.

      • Open circuit or short circuit to ground in harness between M/B and intake camshaft position sensor connector
      • Poor contact of coupling connector
  142. CHECK HARNESS BETWEEN ECM AND INTAKE CAMSHAFT POSITION SENSOR CONNECTOR (OPEN)  .
    1. Turn the ignition switch to OFF.
    2. Disconnect the connector from ECM.
    3. Measure the resistance between ECM connector and intake camshaft position sensor connector.

      Connector & terminal 

      (E159) No. 29 - (E35) No. 2:

      (E159) No. 30 - (E35) No. 3:

      (E159) No. 20 - (E36) No. 2:

      (E159) No. 30 - (E36) No. 3:

      Is the resistance less than 1 Ω?

      Yes  : Go to  143.

      No  : Repair the following item.

      • Open circuit in the harness between ECM connector and intake camshaft position sensor connector
      • Poor contact of J/C
  143. CHECK HARNESS BETWEEN ECM AND INTAKE CAMSHAFT POSITION SENSOR CONNECTOR (SHORT TO GROUND)  .

    Measure the resistance between intake camshaft position sensor connector and engine ground.

    Connector & terminal 

    (E35) No. 2 - Engine ground:

    (E36) No. 2 - Engine ground:

    Is the resistance 1 MΩ or more?

    Yes  : Go to  144.

    No  : Repair short circuit to ground in the harness between ECM connector and intake camshaft position sensor connector.

  144. CHECK POWER SUPPLY OF EXHAUST CAMSHAFT POSITION SENSOR  .
    1. Turn the ignition switch to OFF.
    2. Disconnect the connector from the exhaust camshaft position sensor.
    3. Turn the ignition switch to ON.
    4. Measure the voltage between exhaust camshaft position sensor connector and engine ground.

      Connector & terminal 

      (E62) No. 1 (+) - Engine ground (-):

      (E65) No. 1 (+) - Engine ground (-):

      Is the voltage 10 V or more?

      Yes  : Go to  145.

      No  : Repair the following item.

      • Open circuit in harness between M/B and exhaust camshaft position sensor connector
      • Poor contact of coupling connector
  145. CHECK HARNESS BETWEEN ECM AND EXHAUST CAMSHAFT POSITION SENSOR CONNECTOR (OPEN)  .
    1. Turn the ignition switch to OFF.
    2. Disconnect the connector from ECM.
    3. Measure the resistance between ECM connector and exhaust camshaft position sensor connector.

      Connector & terminal 

      (E159) No. 21 - (E62) No. 2:

      (E159) No. 30 - (E62) No. 3:

      (E159) No. 13 - (E65) No. 2:

      (E159) No. 30 - (E65) No. 3:

      Is the resistance less than 1 Ω?

      Yes  : Go to  146.

      No  : Repair the open circuit in the harness between ECM connector and exhaust camshaft position sensor connector.

  146. CHECK HARNESS BETWEEN ECM AND EXHAUST CAMSHAFT POSITION SENSOR CONNECTOR (SHORT TO GROUND)  .

    Measure the resistance between exhaust camshaft position sensor connector and engine ground.

    NOTE: Connect all connectors after measurement.

    Connector & terminal 

    (E62) No. 2 - Engine ground:

    (E65) No. 2 - Engine ground:

    Is the resistance 1 MΩ or more?

    Yes  : Go to  147.

    No  : Repair short circuit to ground in the harness between ECM connector and exhaust camshaft position sensor connector.

  147. CHECK COMPRESSION PRESSURE  .

    Check the compression pressure. Ref. to MECHANICAL (H4DOTC)>Compression>INSPECTION .

    Is the check result OK?

    Yes  : Go to  148.

    No  : Check the engine. Ref. to MECHANICAL (H4DOTC)>Symptoms and causes>INSPECTION .

  148. CHECK FOR MALFUNCTION OCCURRENCE  .
    1. Replace the crankshaft position sensor. Ref. to FUEL INJECTION (FUEL SYSTEMS) (H4DOTC)>CRANKSHAFT POSITION SENSOR .
    2. Check that the fault is removed.

      Is the fault removed?

      Yes  : Clear the memory to complete. Ref. to COMMON (diag)>CLEAR MEMORY .

      No  : Go to  149.

  149. CHECK FOR MALFUNCTION OCCURRENCE  .
    1. Replace the camshaft position sensor. Ref. to FUEL INJECTION (FUEL SYSTEMS) (H4DOTC)>CAMSHAFT POSITION SENSOR .
    2. Check that the fault is removed.

      Is the fault removed?

      Yes  : Clear the memory to complete. Ref. to COMMON (diag)>CLEAR MEMORY .

      No  : Check the valve timing. Ref. to MECHANICAL (H4DOTC)>TIMING CHAIN ASSEMBLY . When the valve timing is normal, replace the ECM. Ref. to FUEL INJECTION (FUEL SYSTEMS) (H4DOTC)>ENGINE CONTROL MODULE (ECM) .