LEMON Manuals: Even more car manuals for everyone
Home >> Subaru >> 2021 >> Ascent Base >> Repair and Diagnosis (Single Page) >> Engine Performance >> System >> Engine Control System (Diagnostics) (3 Of 4) >> Diagnostic Procedure with Diagnostic Trouble Code (DTC) >> DTC P1603: Engine Stall History >> Notes

DTC P1603: Engine Stall History: Notes

  1. DTC detecting condition: 

    Immediately at fault recognition

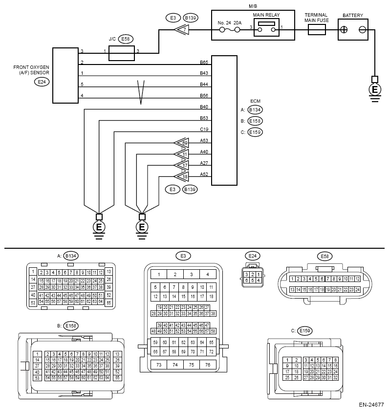
    Wiring diagram: 

    Engine Electrical System. Ref. to WIRING SYSTEM>ENGINE ELECTRICAL SYSTEM .

    G13866412Courtesy of SUBARU OF AMERICA, INC.
    G13866413Courtesy of SUBARU OF AMERICA, INC.
    G13866414Courtesy of SUBARU OF AMERICA, INC.
    G13866415Courtesy of SUBARU OF AMERICA, INC.
    G13866416Courtesy of SUBARU OF AMERICA, INC.
    G13866417Courtesy of SUBARU OF AMERICA, INC.
    G13866418Courtesy of SUBARU OF AMERICA, INC.
    CAUTION: Use the check board when measuring the ECM terminal voltage and resistance. Ref. to ENGINE (DIAGNOSTICS) (H4DOTC)>General Description>PREPARATION TOOL>HOW TO USE CHECK BOARD .
    NOTE:
    • This DTC may be detected even if fault does not occur in the vehicle. If the customer does not ask for inspection, clear memory instead of inspection and return the vehicle to the user. Ref. to COMMON (diag)>CLEAR MEMORY . After the faulty parts are repaired or replaced, perform the final check in Basic Diagnostic
    • Procedure. Ref. to ENGINE (DIAGNOSTICS) (H4DOTC)>Basic Diagnostic Procedure>PROCEDURE .
  1. CHECK DTC  .
    1. Turn the ignition switch to ON.
    2. Using the Subaru Select Monitor or a general scan tool, read the DTC of [Engine]. Ref. to COMMON (diag)>DIAGNOSTIC TROUBLE CODE (DTC) .

      Is DTC other than P1603 displayed? (Current malfunction)

      Yes  : Check the appropriate DTC using the "Diagnostic Trouble Code (DTC)". Ref. to ENGINE (DIAGNOSTICS) (H4DOTC)>Diagnostic Trouble Code (DTC)>LIST .

      No  : Go to  2.

  2. CHECK FREEZE FRAME DATA  .

    Using the Subaru Select Monitor, read the value in [Fuel Level Input].

    NOTE: For detailed operation procedures, refer to "Common (Diagnostics)". Ref. to COMMON (diag)>FREEZE FRAME DATA .

    Is the value of [Fuel Level Input] 16.4% or more?

    Yes  : Go to  3.

    No  : Fuel may run out. If the fault occurs after refueling, continue the diagnosis. Go to  3.

  3. CHECK FREEZE FRAME DATA  .

    Using the Subaru Select Monitor, read the value in [Control module voltage].

    NOTE: For detailed operation procedures, refer to "Common (Diagnostics)". Ref. to COMMON (diag)>FREEZE FRAME DATA .

    Is the value of [Control module voltage] 11 V or more?

    Yes  : Go to  4.

    No  : Check the battery and generator. Ref. to STARTING/CHARGING SYSTEMS (H4DOTC)>Battery>INSPECTION . Ref. to STARTING/CHARGING SYSTEMS (H4DOTC)>Generator>INSPECTION .

  4. CHECK FOR MALFUNCTION OCCURRENCE  .

    Check for the condition of fault occurrence.

    Did you ask the customer about the driving condition and engine speed status when the fault occurred?

    Yes 

    • The engine speed dropped slowly and then the engine stalled during idling or deceleration: Go to  5.
    • The engine speed dropped rapidly and then the engine stalled during idling or deceleration: Go to  78.
    • The engine stalled during standing start, acceleration, or constant speed driving: Go to  85.

    No  : Ask the customer about the driving condition and engine speed status when fault occurred.

  5. CHECK FREEZE FRAME DATA  .
    1. Using the Subaru Select Monitor, read the values in [Short Term Fuel Trim (B1)] and [Long Term Fuel Trim (B1)].
      NOTE: For detailed operation procedures, refer to "Common (Diagnostics)". Ref. to COMMON (diag)>FREEZE FRAME DATA .
    2. Obtain the sum values of [Short Term Fuel Trim (B1)] and [Long Term Fuel Trim (B1)] in each freeze frame data.

      Is the sum value of [Short Term Fuel Trim (B1)] and [Long Term Fuel Trim (B1)] within ±15% in each freeze frame data?

      Yes  : Go to  52.

      No 

      • More than 15% in each freeze frame data: Go to  6.
      • Less than -15% in any one of freeze frame data: Go to  36.
  6. CHECK AIR INTAKE SYSTEM  .

    Check the installing condition of the air intake system.

    Are there holes, loose bolts or disconnection of hose on air intake system?

    Yes  : Repair the air intake system. Ref. to INTAKE (INDUCTION) (H4DOTC)>GENERAL DESCRIPTION .

    No  : Go to  7.

  7. CHECK PURGE CONTROL SOLENOID VALVE  .

    Check purge control solenoid valve 1 and purge control solenoid valve 2. Ref. to EMISSION CONTROL (AUX. EMISSION CONTROL DEVICES) (H4DOTC)>Purge Control Solenoid Valve>INSPECTION .

    Is the check result OK?

    Yes  : Go to  8.

    No  : Replace the purge control solenoid valve. Ref. to EMISSION CONTROL (AUX. EMISSION CONTROL DEVICES) (H4DOTC)>PURGE CONTROL SOLENOID VALVE .

  8. CHECK FREEZE FRAME DATA  .

    Using the Subaru Select Monitor, read the value in [Stop Light Switch].

    NOTE: For detailed operation procedures, refer to "Common (Diagnostics)". Ref. to COMMON (diag)>FREEZE FRAME DATA .

    Is the value of [Stop Light Switch] OFF in all freeze frame data?

    Yes  : Go to  11.

    No  : Go to  9.

  9. CHECK DATA MONITOR  .
    1. Start the engine and warm up completely.
    2. Read the value of [Short Term Fuel Trim (B1)] both when the brake pedal is released and depressed using Subaru Select Monitor.
      NOTE: For detailed operation procedures, refer to "Common (Diagnostics)". Ref. to COMMON (diag)>DATA MONITOR .

      Does the value of [Short Term Fuel Trim (B1)] with the brake pedal depressed increase by 10% or more compared to when the pedal is released?

      Yes  : Replace the brake booster. Ref. to BRAKE>BRAKE BOOSTER .

      No  : Go to  10.

  10. CHECK DATA MONITOR  .
    1. Start the engine and warm up completely.
    2. While reproducing the faulty condition of the vehicle, read the values of [Short Term Fuel Trim (B1)] and [Long Term Fuel Trim (B1)] using the Subaru Select Monitor.
      NOTE: For detailed operation procedures, refer to "Common (Diagnostics)". Ref. to COMMON (diag)>DATA MONITOR .
    3. Obtain the sum values of [Short Term Fuel Trim (B1)] and [Long Term Fuel Trim (B1)].

      Is the sum value of [Short Term Fuel Trim (B1)] and [Long Term Fuel Trim (B1)] within ±15%?

      Yes  : Go to  11.

      No  : Replace the brake booster. Ref. to BRAKE>BRAKE BOOSTER .

  11. CHECK IGNITION SYSTEM  .

    Check the ignition system. Ref. to ENGINE (DIAGNOSTICS) (H4DOTC)>Diagnostics with Phenomenon>IGNITION CONTROL SYSTEM .

    Is the check result OK?

    Yes  : Go to  12.

    No  : Repair the ignition system. Ref. to IGNITION (H4DOTC)>GENERAL DESCRIPTION .

  12. CHECK FREEZE FRAME DATA  .
    1. Turn the ignition switch to ON.
    2. Using the Subaru Select Monitor, read the value in [A/F Sensor #1].
      NOTE: For detailed operation procedures, refer to "Common (Diagnostics)". Ref. to COMMON (diag)>FREEZE FRAME DATA .

      Is the value of [A/F Sensor #1] 1 or more?

      Yes  : Go to  17.

      No  : Go to  13.

  13. CHECK MASS AIR FLOW AND INTAKE AIR TEMPERATURE SENSOR  .

    Check the mass air flow and intake air temperature sensor. Ref. to FUEL INJECTION (FUEL SYSTEMS) (H4DOTC)>Mass Air Flow and Intake Air Temperature Sensor>INSPECTION .

    Is the check result OK?

    Yes  : Go to  14.

    No  : Replace the mass air flow and intake air temperature sensor. Ref. to FUEL INJECTION (FUEL SYSTEMS) (H4DOTC)>MASS AIR FLOWS AND INTAKE AIR TEMPERATURE SENSOR .

  14. CHECK HARNESS BETWEEN ECM AND MASS AIR FLOW AND INTAKE AIR TEMPERATURE SENSOR CONNECTOR (OPEN)  .
    1. Turn the ignition switch to OFF.
    2. Disconnect the connector from ECM.
    3. Disconnect the connectors from the mass air flow and intake air temperature sensor.
    4. Measure the resistance of harness between ECM connector and the mass air flow and intake air temperature sensor connector.

      Connector & terminal 

      (B134) No. 63 - (B3) No. 1:

      (B134) No. 62 - (B3) No. 2:

      (B134) No. 2 - (B3) No. 3:

      Is the resistance less than 1 Ω?

      Yes  : Go to  15.

      No  : Repair the open circuit of harness between ECM connector and the mass air flow and intake air temperature sensor connector.

  15. CHECK HARNESS BETWEEN ECM AND MASS AIR FLOW AND INTAKE AIR TEMPERATURE SENSOR CONNECTOR (SHORT TO GROUND)  .

    Measure the resistance between the ECM connector and engine ground.

    Connector & terminal 

    (B134) No. 63 - Engine ground:

    (B134) No. 2 - Engine ground:

    Is the resistance 1 MΩ or more?

    Yes  : Go to  16.

    No  : Repair the ground short circuit of harness between ECM connector and the mass air flow and intake air temperature sensor connector.

  16. CHECK DATA MONITOR  .
    1. Start the engine and warm up completely.
    2. Run the engine at idle.
    3. Using the Subaru Select Monitor, read the value in [Calculated LOAD Value].
      NOTE: For detailed operation procedures, refer to "Common (Diagnostics)". Ref. to COMMON (diag)>DATA MONITOR .
    4. Compare with the reference value (at idling) of Calculated LOAD Value, listed under the data monitor. Ref. to ENGINE (DIAGNOSTICS) (H4DOTC)>Data Monitor>LIST .
      NOTE: The value of [Calculated LOAD Value] changes depending on how the engine internal parts settle in. If the value is out of threshold value below, judge it again by comparing the vehicle with another one with the same specifications and similar conditions such as travel distance.

      Does the value of [Calculated LOAD Value] fall between 90 - 110 % of the value described in the list?

      Yes  : Go to  21.

      No  : Replace the mass air flow and intake air temperature sensor. Ref. to FUEL INJECTION (FUEL SYSTEMS) (H4DOTC)>MASS AIR FLOWS AND INTAKE AIR TEMPERATURE SENSOR .

  17. CHECK FRONT OXYGEN (A/F) SENSOR DATA  .
    1. Start the engine and warm up completely.
    2. Raise the engine speed up to 2, 500 rpm and maintain it for approx. three minutes.
    3. Release the accelerator pedal and idle the engine.
    4. Select [Injection quantity Control] in [Active Test], and read the value of [A/F Sensor #1] at the increase rate of both 12% and -12%.
      NOTE:
      • Perform the operation immediately after the engine comes into idling condition, otherwise the front oxygen (A/F) sensor will be cooled.
      • For detailed operation procedures, refer to the "Active Test". Ref. to ENGINE (DIAGNOSTICS) (H4DOTC)>ACTIVE TEST .

      Does the value of [A/F Sensor #1] change to less than 0.88 at the increase rate of 12%, and to 1.12 or more at the rate of -12%?

      Yes  : Go to  21.

      No  : Go to  18.

  18. CHECK POWER SUPPLY OF FRONT OXYGEN (A/F) SENSOR  .
    1. Turn the ignition switch to OFF.
    2. Disconnect the connector from the front oxygen (A/F) sensor.
    3. Turn the ignition switch to ON.
    4. Measure the voltage between front oxygen (A/F) sensor connector and engine ground.

      Connector & terminal 

      (E24) No. 3 (+) - Engine ground (-):

      Is the voltage 10 V or more?

      Yes  : Go to  19.

      No  : Repair the following item.

      • Open circuit in harness between M/B and front oxygen (A/F) sensor connector
      • Poor contact of coupling connector
      • Poor contact of J/C
  19. CHECK HARNESS BETWEEN ECM AND FRONT OXYGEN (A/F) SENSOR CONNECTOR (OPEN)  .
    1. Turn the ignition switch to OFF.
    2. Disconnect the connector from ECM.
    3. Measure the resistance of harness between ECM connector and front oxygen (A/F) sensor connector.

      Connector & terminal 

      (E158) No. 43 - (E24) No. 1:

      (E158) No. 56 - (E24) No. 4:

      (E158) No. 44 - (E24) No. 5:

      (E158) No. 65 - (E24) No. 2:

      Is the resistance less than 1 Ω?

      Yes  : Go to  20.

      No  : Repair the open circuit of harness between ECM connector and front oxygen (A/F) sensor connector.

  20. CHECK HARNESS BETWEEN ECM AND FRONT OXYGEN (A/F) SENSOR CONNECTOR (SHORT TO GROUND)  .

    Measure the resistance between the ECM connector and engine ground.

    Connector & terminal 

    (E158) No. 43 - Engine ground:

    (E158) No. 56 - Engine ground:

    (E158) No. 44 - Engine ground:

    (E158) No. 65 - Engine ground:

    Is the resistance 1 MΩ or more?

    Yes  : Go to  21.

    No  : Repair the short circuit to ground in harness between ECM connector and front oxygen (A/F) sensor connector.

  21. CHECK FREEZE FRAME DATA  .
    1. Turn the ignition switch to ON.
    2. Using the Subaru Select Monitor, read the values in [Coolant Temp.] and [Ambient air temperature].
      NOTE: For detailed operation procedures, refer to "Common (Diagnostics)". Ref. to COMMON (diag)>FREEZE FRAME DATA .

      Is the value of [Coolant Temp.] 120°C (248°F) or more? Or is the value of [Coolant Temp.] 15°C (27°F) or more lower than that of [Ambient air temperature]?

      Yes  : Go to  22.

      No  : Go to  25.

  22. CHECK ENGINE COOLANT TEMPERATURE SENSOR  .

    Check the engine coolant temperature sensor. Ref. to FUEL INJECTION (FUEL SYSTEMS) (H4DOTC)>Engine Coolant Temperature Sensor>INSPECTION .

    Is the check result OK?

    Yes  : Go to  23.

    No  : Replace the engine coolant temperature sensor. Ref. to FUEL INJECTION (FUEL SYSTEMS) (H4DOTC)>ENGINE COOLANT TEMPERATURE SENSOR .

  23. CHECK HARNESS BETWEEN ECM AND ENGINE COOLANT TEMPERATURE SENSOR CONNECTOR (OPEN)  .
    1. Turn the ignition switch to OFF.
    2. Disconnect the connector from ECM.
    3. Disconnect the connectors from the engine coolant temperature sensor.
    4. Measure the resistance of harness between ECM connector and engine coolant temperature sensor connector.

      Connector & terminal 

      (E158) No. 22 - (E8) No. 1:

      (E159) No. 15 - (E8) No. 2:

      Is the resistance less than 1 Ω?

      Yes  : Go to  24.

      No  : Repair the following item.

      • Open circuit in harness between ECM connector and engine coolant temperature sensor connector
      • Poor contact of J/C
  24. CHECK HARNESS BETWEEN ECM AND ENGINE COOLANT TEMPERATURE SENSOR CONNECTOR (SHORT CIRCUIT TO GROUND)  .

    Measure the resistance between the ECM connector and engine ground.

    Connector & terminal 

    (E159) No. 15 - Engine ground:

    Is the resistance 1 MΩ or more?

    Yes  : Go to  25.

    No  : Repair the short circuit to ground in harness between ECM connector and engine coolant temperature sensor connector.

  25. CHECK FREEZE FRAME DATA  .
    1. Turn the ignition switch to ON.
    2. Using the Subaru Select Monitor, read the value in [Evap Purge Flow].
      NOTE: For detailed operation procedures, refer to "Common (Diagnostics)". Ref. to COMMON (diag)>FREEZE FRAME DATA .

      Is the value of [Evap Purge Flow] 0% in all freeze frame data?

      Yes  : Go to  31.

      No  : Go to  26.

  26. CHECK PURGE CONTROL SOLENOID VALVE  .
    1. Using the Subaru Select Monitor, select [CPC Solenoid Valve] of [Active Test].
      NOTE: For detailed operation procedures, refer to the "Active Test". Ref. to ENGINE (DIAGNOSTICS) (H4DOTC)>ACTIVE TEST .
    2. Check if the ventilation changes according to ON/OFF switching operation.

      Does the ventilation of purge control solenoid valve change correctly?

      Yes  : Go to  30.

      No  : Go to  27.

  27. CHECK POWER SUPPLY FOR PURGE CONTROL SOLENOID VALVE CONNECTOR  .
    1. Turn the ignition switch to OFF.
    2. Disconnect the connector from the purge control solenoid valve.
    3. Turn the ignition switch to ON.
    4. Measure the voltage between purge control solenoid valve connector and engine ground.

      Connector & terminal 

      (E4) No. 1 (+) - Engine ground (-):

      Is the voltage 10 V or more?

      Yes  : Go to  28.

      No  : Repair the following item.

      • Open circuit of harness between M/B and purge control solenoid valve connector
      • Poor contact of coupling connector
  28. CHECK HARNESS BETWEEN ECM AND PURGE CONTROL SOLENOID VALVE CONNECTOR (OPEN)  .
    1. Turn the ignition switch to OFF.
    2. Disconnect the connector from ECM.
    3. Measure the resistance of harness between ECM connector and purge control solenoid valve connector.

      Connector & terminal 

      (E158) No. 2 - (E4) No. 2:

      Is the resistance less than 1 Ω?

      Yes  : Go to  29.

      No  : Repair the open circuit in harness between ECM connector and purge control solenoid valve connector.

  29. CHECK HARNESS BETWEEN ECM AND PURGE CONTROL SOLENOID VALVE CONNECTOR (SHORT TO GROUND)  .

    Measure the resistance between the purge control solenoid valve connector and engine ground.

    Connector & terminal 

    (E4) No. 2 - Engine ground:

    Is the resistance 1 MΩ or more?

    Yes  : Go to  30.

    No  : Repair the short circuit to ground in harness between ECM connector and purge control solenoid valve connector.

  30. CHECK FOR POOR CONTACT  .

    Check for poor contact of ECM connector.

    Is there poor contact of ECM connector?

    Yes  : Repair the poor contact of ECM connector.

    No  : Replace the ECM. Ref. to FUEL INJECTION (FUEL SYSTEMS) (H4DOTC)>ENGINE CONTROL MODULE (ECM) .

  31. CHECK OF FUEL PUMP  .
    1. Turn the ignition switch to ON.
    2. Using the Subaru Select Monitor, select [Fuel Pump Relay] of [Active Test].
      NOTE: For detailed operation procedures, refer to the "Active Test". Ref. to ENGINE (DIAGNOSTICS) (H4DOTC)>ACTIVE TEST .
    3. Check if operating sound occurs in the fuel pump according to ON/OFF switching operation.

      Does the fuel pump emit operating sound?

      Yes  : Go to  33.

      No  : Go to  32.

  32. CHECK OF FUEL PUMP  .

    Check fuel pump. Ref. to FUEL INJECTION (FUEL SYSTEMS) (H4DOTC)>Fuel Pump>INSPECTION .

    Is the check result OK?

    Yes  : Check fuel pump system. Ref. to ENGINE (DIAGNOSTICS) (HDOTC)>diagnostics with Phenomenon>FUEL PUMP CIRCUIT .

    No  : Replace the fuel pump. Ref. to FUEL INJECTION (FUEL SYSTEMS) (H4DOTC)>FUEL PUMP .

  33. CHECK FUEL TANK  .
    WARNING: Place "NO OPEN FLAMES" signs near the working area.

    Check if any foreign matters such as iron powder exist in the fuel tank.

    Is there any foreign matter in the fuel tank?

    Yes  : Remove foreign matter from the fuel tank.

    No  : Go to  34.

  34. CHECK FUEL PRESSURE  .
    WARNING: Place "NO OPEN FLAMES" signs near the working area.
    CAUTION:
    • Be careful not to spill fuel.
    • Before attaching/detaching a fuel pressure gauge, release the fuel pressure.

    Measure the fuel pressure. Ref. to MECHANICAL (H4DOTC)>Fuel Pressure>INSPECTION .

    Is the measured value 340 - 400 kPa (3.5 - 4.1 kgf/cm2 , 49 - 58 psi)?

    Yes  : Go to  35.

    No  : Check the fuel pump and fuel delivery line. Ref. to FUEL INJECTION (FUEL SYSTEMS) (H4DOTC)>Fuel Pump>INSPECTION . Ref. to FUEL INJECTION (FUEL SYSTEMS) (H4DOTC)>Fuel Delivery and Evaporation Lines>INSPECTION .

  35. CHECK FREEZE FRAME DATA  .
    1. Turn the ignition switch to ON.
    2. Using the Subaru Select Monitor, read the values in [Fuel Rail Pressure A] and [Commanded Fuel Rail Pressure A].
      NOTE: For detailed operation procedures, refer to "Common (Diagnostics)". Ref. to COMMON (diag)>FREEZE FRAME DATA .

      Is the value in [Fuel Rail Pressure A] synchronized with the one in [Commanded Fuel Rail Pressure A] in all freeze frame data?

      Yes  : Clear the memory to complete. Ref. to COMMON (diag)>CLEAR MEMORY .

      No  : Check the high-pressure fuel pump. Ref. to FUEL INJECTION (FUEL SYSTEMS) (H4DOTC)>High Pressure Fuel Pump>INSPECTION .

  36. CHECK IGNITION SYSTEM  .

    Check the ignition system. Ref. to ENGINE (DIAGNOSTICS) (H4DOTC)>Diagnostics with Phenomenon>IGNITION CONTROL SYSTEM .

    Is the check result OK?

    Yes  : Go to  37.

    No  : Repair the ignition system. Ref. to IGNITION (H4DOTC)>GENERAL DESCRIPTION .

  37. CHECK FREEZE FRAME DATA  .
    1. Start the engine and warm up completely.
    2. Run the engine at idle.
    3. Using the Subaru Select Monitor, read the value in [Calculated LOAD Value].
      NOTE: For detailed operation procedures, refer to "Common (Diagnostics)". Ref. to COMMON (diag)>FREEZE FRAME DATA .
    4. Compare with the reference value (at idling) of [Calculated LOAD Value], listed under [Data monitor]. Ref. to ENGINE (DIAGNOSTICS) (H4DOTC)>Data Monitor>LIST .
      NOTE: The value of [Calculated LOAD Value] changes depending on how the engine internal parts settle in. If the value is out of threshold value below, judge it again by comparing the vehicle with another one with the same specifications and similar conditions such as travel distance.

      Is the value of [Calculated LOAD Value] 110% or more of the value described in the list?

      Yes  : Go to  39.

      No  : Go to  38.

  38. CHECK FREEZE FRAME DATA  .
    1. Turn the ignition switch to ON.
    2. Using the Subaru Select Monitor, read the value in [A/F Sensor #1].
      NOTE: For detailed operation procedures, refer to "Common (Diagnostics)". Ref. to COMMON (diag)>FREEZE FRAME DATA .

      Is the value of [A/F Sensor #1] less than 1?

      Yes  : Go to  43.

      No  : Go to  48.

  39. CHECK MASS AIR FLOW AND INTAKE AIR TEMPERATURE SENSOR  .

    Check the mass air flow and intake air temperature sensor. Ref. to FUEL INJECTION (FUEL SYSTEMS) (H4DOTC)>Mass Air Flow and Intake Air Temperature Sensor>INSPECTION .

    Is the check result OK?

    Yes  : Go to  40.

    No  : Replace the mass air flow and intake air temperature sensor. Ref. to FUEL INJECTION (FUEL SYSTEMS) (H4DOTC)>MASS AIR FLOWS AND INTAKE AIR TEMPERATURE SENSOR .

  40. CHECK HARNESS BETWEEN ECM AND MASS AIR FLOW AND INTAKE AIR TEMPERATURE SENSOR CONNECTOR (OPEN)  .
    1. Turn the ignition switch to OFF.
    2. Disconnect the connector from ECM.
    3. Disconnect the connectors from the mass air flow and intake air temperature sensor.
    4. Measure the resistance of harness between ECM connector and the mass air flow and intake air temperature sensor connector.

      Connector & terminal 

      (B134) No. 63 - (B3) No. 1:

      (B134) No. 62 - (B3) No. 2:

      (B134) No. 2 - (B3) No. 3:

      Is the resistance less than 1 Ω?

      Yes  : Go to  41.

      No  : Repair the open circuit of harness between ECM connector and the mass air flow and intake air temperature sensor connector.

  41. CHECK HARNESS BETWEEN ECM AND MASS AIR FLOW AND INTAKE AIR TEMPERATURE SENSOR CONNECTOR (SHORT TO GROUND)  .

    Measure the resistance between the ECM connector and engine ground.

    Connector & terminal 

    (B134) No. 63 - Engine ground:

    (B134) No. 2 - Engine ground:

    Is the resistance 1 MΩ or more?

    Yes  : Go to  42.

    No  : Repair the ground short circuit of harness between ECM connector and the mass air flow and intake air temperature sensor connector.

  42. CHECK DATA MONITOR  .
    1. Start the engine and warm up completely.
    2. Run the engine at idle.
    3. Using the Subaru Select Monitor, read the value in [Calculated LOAD Value].
      NOTE: For detailed operation procedures, refer to "Common (Diagnostics)". Ref. to COMMON (diag)>DATA MONITOR .
    4. Compare with the reference value (at idling) of [Calculated LOAD Value], listed under [Data monitor]. Ref. to ENGINE (DIAGNOSTICS) (H4DOTC)>Data Monitor>LIST .
      NOTE: The value of [Calculated LOAD Value] changes depending on how the engine internal parts settle in. If the value is out of threshold value below, judge it again by comparing the vehicle with another one with the same specifications and similar conditions such as travel distance.

      Does the value of [Calculated LOAD Value] fall between 90 - 110 % of the value described in the list?

      Yes  : Go to  43.

      No  : Replace the mass air flow and intake air temperature sensor. Ref. to FUEL INJECTION (FUEL SYSTEMS) (H4DOTC)>MASS AIR FLOWS AND INTAKE AIR TEMPERATURE SENSOR .

  43. CHECK DATA MONITOR  .
    1. Start the engine and warm up completely.
    2. Raise the engine speed up to 2, 500 rpm and maintain it for approx. three minutes.
    3. Release the accelerator pedal and idle the engine.
    4. Select [Injection quantity Control] in [Active Test], and read the value of [A/F Sensor #1] at the increase rate of both 12% and -12%.
      NOTE:
      • Perform the operation immediately after the engine comes into idling condition, otherwise the front oxygen (A/F) sensor will be cooled.
      • For detailed operation procedures, refer to the "Active Test". Ref. to ENGINE (DIAGNOSTICS) (H4DOTC)>ACTIVE TEST .

      Does the value of [A/F Sensor #1] change to less than 0.88 at the increase rate of 12%, and to 1.12 or more at the rate of -12%?

      Yes  : Go to  48.

      No  : Go to  44.

  44. CHECK FREEZE FRAME DATA  .

    Using the Subaru Select Monitor, read the value in [A/F Sensor #1 Resistance].

    NOTE: For detailed operation procedures, refer to "Common (Diagnostics)". Ref. to COMMON (diag)>FREEZE FRAME DATA .

    Is the value of [A/F Sensor #1 Resistance] 500 Ω or more?

    Yes  : Replace the front oxygen (A/F) sensor. Ref. to FUEL INJECTION (FUEL SYSTEMS) (H4DOTC)>FRONT OXYGEN (A/F) SENSOR .

    No  : Go to  45.

  45. CHECK FRONT OXYGEN (A/F) SENSOR CONNECTOR POWER SUPPLY  .
    1. Turn the ignition switch to OFF.
    2. Disconnect the connector from the front oxygen (A/F) sensor.
    3. Turn the ignition switch to ON.
    4. Measure the voltage between front oxygen (A/F) sensor connector and engine ground.

      Connector & terminal 

      (E24) No. 3 (+) - Engine ground (-):

      Is the voltage 10 V or more?

      Yes  : Go to  46.

      No  : Repair the following item.

      • Open circuit in harness between M/B and front oxygen (A/F) sensor connector
      • Poor contact of coupling connector
      • Poor contact of J/C
  46. CHECK HARNESS BETWEEN ECM AND FRONT OXYGEN (A/F) SENSOR CONNECTOR (OPEN)  .
    1. Turn the ignition switch to OFF.
    2. Disconnect the connector from ECM.
    3. Measure the resistance of harness between ECM connector and front oxygen (A/F) sensor connector.

      Connector & terminal 

      (E158) No. 43 - (E24) No. 1:

      (E158) No. 56 - (E24) No. 4:

      (E158) No. 44 - (E24) No. 5:

      (E158) No. 65 - (E24) No. 2:

      Is the resistance less than 1 Ω?

      Yes  : Go to  47.

      No  : Repair the open circuit of harness between ECM connector and front oxygen (A/F) sensor connector.

  47. CHECK HARNESS BETWEEN ECM AND FRONT OXYGEN (A/F) SENSOR CONNECTOR (SHORT TO GROUND)  .

    Measure the resistance between the ECM connector and engine ground.

    Connector & terminal 

    (E158) No. 43 - Engine ground:

    (E158) No. 56 - Engine ground:

    (E158) No. 44 - Engine ground:

    (E158) No. 65 - Engine ground:

    Is the resistance 1 MΩ or more?

    Yes  : Go to  48.

    No  : Repair the short circuit to ground in harness between ECM connector and front oxygen (A/F) sensor connector.

  48. CHECK FREEZE FRAME DATA  .
    1. Turn the ignition switch to ON.
    2. Using the Subaru Select Monitor, read the values in [Coolant Temp.] and [Ambient air temperature].
      NOTE: For detailed operation procedures, refer to "Common (Diagnostics)". Ref. to COMMON (diag)>FREEZE FRAME DATA .

      Is the value of [Coolant Temp.] 120°C (248°F) or more? Or is the value of [Coolant Temp.] 15°C (27°F) or more lower than that of [Ambient air temperature]?

      Yes  : Go to  49.

      No  : Clear the memory to complete. Ref. to COMMON (diag)>CLEAR MEMORY .

  49. CHECK ENGINE COOLANT TEMPERATURE SENSOR  .

    Check the engine coolant temperature sensor. Ref. to FUEL INJECTION (FUEL SYSTEMS) (H4DOTC)>Engine Coolant Temperature Sensor>INSPECTION .

    Is the check result OK?

    Yes  : Go to  50.

    No  : Replace the engine coolant temperature sensor. Ref. to FUEL INJECTION (FUEL SYSTEMS) (H4DOTC)>ENGINE COOLANT TEMPERATURE SENSOR .

  50. CHECK HARNESS BETWEEN ECM AND ENGINE COOLANT TEMPERATURE SENSOR CONNECTOR (OPEN)  .
    1. Turn the ignition switch to OFF.
    2. Disconnect the connector from ECM.
    3. Disconnect the connectors from the engine coolant temperature sensor.
    4. Measure the resistance of harness between ECM connector and engine coolant temperature sensor connector.

      Connector & terminal 

      (E158) No. 22 - (E8) No. 1:

      (E159) No. 15 - (E8) No. 2:

      Is the resistance less than 1 Ω?

      Yes  : Go to  51.

      No  : Repair the following item.

      • Open circuit in harness between ECM connector and engine coolant temperature sensor connector
      • Poor contact of J/C
  51. CHECK HARNESS BETWEEN ECM AND ENGINE COOLANT TEMPERATURE SENSOR CONNECTOR (SHORT CIRCUIT TO GROUND)  .

    Measure the resistance between the ECM connector and engine ground.

    Connector & terminal 

    (E159) No. 15 - Engine ground:

    Is the resistance 1 MΩ or more?

    Yes  : Even if DTC is detected, it has returned to a normal condition at this time. Reproduce the failure, and then perform the diagnosis again.

    NOTE: In this case, temporary poor contact of connector, temporary open or short circuit of harness may be the cause.

    No  : Repair the short circuit to ground in harness between ECM connector and engine coolant temperature sensor connector.

  52. CHECK IGNITION SYSTEM  .

    Check the ignition system. Ref. to ENGINE (DIAGNOSTICS) (H4DOTC)>Diagnostics with Phenomenon>IGNITION CONTROL SYSTEM .

    Is the check result OK?

    Yes  : Go to  53.

    No  : Repair the ignition system. Ref. to IGNITION (H4DOTC)>GENERAL DESCRIPTION .

  53. CHECK FREEZE FRAME DATA  .
    1. Turn the ignition switch to ON.
    2. Using the Subaru Select Monitor, read the values of the Freeze Frame Data in [Idle Mass Air Flow Feedback correct], [ISC Learning Value] and [Idle dirty throttle correct].
      NOTE: For detailed operation procedures, refer to "Common (Diagnostics)". Ref. to COMMON (diag)>FREEZE FRAME DATA .
    3. Obtain the sum values of [Idle Mass Air Flow Feedback correct], [ISC Learning Value] and [Idle dirty throttle correct].
    4. Start the engine and warm up completely.
    5. Using the Subaru Select Monitor, read the values of data monitor in [Idle Mass Air Flow Feedback correct], [ISC Learning Value] and [Idle dirty throttle correct] during normal idling.
      NOTE: For detailed operation procedures, refer to "Common (Diagnostics)". Ref. to COMMON (diag)>DATA MONITOR .
    6. Obtain the sum values of [Idle Mass Air Flow Feedback correct], [ISC Learning Value] and [Idle dirty throttle correct].

      Is the sum value of freeze frame data less than 80% of the sum value of [Data monitor]?

      Yes  : Go to  54.

      No  : Go to  56.

  54. CHECK AIR INTAKE SYSTEM  .

    Check the installing condition of the air intake system.

    Are there holes, loose bolts or disconnection of hose on air intake system?

    Yes  : Repair the air intake system. Ref. to INTAKE (INDUCTION) (H4DOTC)>GENERAL DESCRIPTION .

    No  : Go to  55.

  55. CHECK AIR INTAKE SYSTEM  .

    Check the air intake system related parts.

    • Brake booster: Ref. to BRAKE>Brake Booster>INSPECTION .
    • Mass air flow and intake air temperature sensor: Ref. to FUEL INJECTION (FUEL SYSTEMS) (H4DOTC)>Mass Air Flow and Intake Air Temperature Sensor>INSPECTION .
    • PCV pipe: Ref. to EMISSION CONTROL (AUX. EMISSION CONTROL DEVICES) (H4DOTC)>PCV Pipe>INSPECTION .
    • PCV connector: Ref. to EMISSION CONTROL (AUX. EMISSION CONTROL DEVICES) (H4DOTC)>PCV Pipe>INSPECTION .
    • PCV hose: Ref. to EMISSION CONTROL (AUX. EMISSION CONTROL DEVICES) (H4DOTC)>PCV Hose>INSPECTION .
    • PCV hose assembly: Ref. to EMISSION CONTROL (AUX. EMISSION CONTROL DEVICES) (H4DOTC)>PCV Hose Assembly>INSPECTION .
    • PCV valve: Ref. to EMISSION CONTROL (AUX. EMISSION CONTROL DEVICES) (H4DOTC)>PCV Valve>INSPECTION .
    • Purge control solenoid valve: Ref. to EMISSION CONTROL (AUX. EMISSION CONTROL DEVICES) (H4DOTC)>Purge Control Solenoid Valve>INSPECTION .

    Is the check result OK?

    Yes  : Go to  73.

    No  : Replace the parts if defective.

  56. CHECK FREEZE FRAME DATA  .
    1. Turn the ignition switch to ON.
    2. Using the Subaru Select Monitor, read the values in [VVT Adv. Ang. Amount R], [VVT Advance Target Angle Amount R], [VVT Adv. Ang. Amount L], [VVT Advance Target Angle Amount L], [Exh. VVT Retard Ang. R], [Ex VVT Retard Target Angle R], [Exh. VVT Retard Ang. L] and [Ex VVT Retard Target Angle L].
      NOTE: For detailed operation procedures, refer to "Common (Diagnostics)". Ref. to COMMON (diag)>FREEZE FRAME DATA .
    3. Using the Subaru Select Monitor, compare the respective values between the followings: [VVT Adv. Ang. Amount R] and [VVT Advance Target Angle Amount R], [VVT Adv. Ang. Amount L] and [VVT Advance Target Angle Amount L], [Exh. VVT Retard Ang. R] and [Ex VVT Retard Target Angle R], [Exh. VVT Retard Ang. L] and [Ex VVT Retard Target Angle L].

      Does all of the advance angle amount and retard angle amount synchronize with their target values?

      Yes  : Go to  73.

      No  : Check any oil control solenoid that does not synchronize.

      • Intake RH: Go to  57.
      • Intake LH: Go to  61.
      • Exhaust RH: Go to  65.
      • Exhaust LH: Go to  69.
  57. CHECK INTAKE OIL CONTROL SOLENOID RH POWER SUPPLY  .
    1. Turn the ignition switch to OFF.
    2. Disconnect the connector from the intake oil control solenoid RH.
    3. Turn the ignition switch to ON.
    4. Measure the voltage between intake oil control solenoid RH connector and engine ground.

      Connector & terminal 

      (E38) No. 1 (+) - Engine ground (-):

      Is the voltage 10 V or more?

      Yes  : Go to  58.

      No  : Repair the following item.

      • Open circuit in harness between M/B and intake oil control solenoid RH connector
      • Poor contact of coupling connector
      • Poor contact of J/C
  58. CHECK HARNESS BETWEEN ECM AND INTAKE OIL CONTROL SOLENOID RH CONNECTOR (OPEN)  .
    1. Turn the ignition switch to OFF.
    2. Disconnect the connector from ECM.
    3. Measure the resistance of harness between ECM connector and intake oil control solenoid RH connector.

      Connector & terminal 

      (E158) No. 7 - (E38) No. 2:

      Is the resistance less than 1 Ω?

      Yes  : Go to  59.

      No  : Repair the open circuit in harness between ECM connector and intake oil control solenoid RH connector.

  59. CHECK HARNESS BETWEEN ECM AND INTAKE OIL CONTROL SOLENOID RH CONNECTOR (SHORT TO GROUND)  .

    Measure the resistance between intake oil control solenoid RH connector and engine ground.

    Connector & terminal 

    (E38) No. 2 - Engine ground:

    Is the resistance 1 MΩ or more?

    Yes  : Go to  60.

    No  : Repair the short circuit to ground in harness between ECM connector and intake oil control solenoid RH connector.

  60. CHECK INTAKE OIL CONTROL SOLENOID RH  .

    Check the intake oil control solenoid RH. Ref. to FUEL INJECTION (FUEL SYSTEMS) (H4DOTC)>Oil Control Solenoid>INSPECTION .

    Is the check result OK?

    Yes  : Replace the intake cam sprocket RH. Ref. to MECHANICAL (H4DOTC)>CAM SPROCKET .

    No  : Replace the intake oil control solenoid RH. Ref. to FUEL INJECTION (FUEL SYSTEMS) (H4DOTC)>OIL CONTROL SOLENOID .

  61. CHECK INTAKE OIL CONTROL SOLENOID LH POWER SUPPLY  .
    1. Turn the ignition switch to OFF.
    2. Disconnect the connector from the intake oil control solenoid LH.
    3. Turn the ignition switch to ON.
    4. Measure the voltage between intake oil control solenoid LH connector and engine ground.

      Connector & terminal 

      (E37) No. 1 (+) - Engine ground (-):

      Is the voltage 10 V or more?

      Yes  : Go to  62.

      No  : Repair the following item.

      • Open circuit in harness between M/B and intake oil control solenoid LH connector
      • Poor contact of coupling connector
      • Poor contact of J/C
  62. CHECK HARNESS BETWEEN ECM AND INTAKE OIL CONTROL SOLENOID LH CONNECTOR (OPEN)  .
    1. Turn the ignition switch to OFF.
    2. Disconnect the connector from ECM.
    3. Measure the resistance of harness between ECM connector and intake oil control solenoid LH connector.

      Connector & terminal 

      (E158) No. 6 - (E37) No. 2:

      Is the resistance less than 1 Ω?

      Yes  : Go to  63.

      No  : Repair the open circuit in harness between ECM connector and intake oil control solenoid LH connector.

  63. CHECK HARNESS BETWEEN ECM AND INTAKE OIL CONTROL SOLENOID LH CONNECTOR (SHORT TO GROUND)  .

    Measure the resistance between intake oil control solenoid LH connector and engine ground.

    Connector & terminal 

    (E37) No. 2 - Engine ground:

    Is the resistance 1 MΩ or more?

    Yes  : Go to  64.

    No  : Repair the short circuit to ground in harness between ECM connector and intake oil control solenoid LH connector.

  64. CHECK INTAKE OIL CONTROL SOLENOID LH  .

    Check the intake oil control solenoid LH. Ref. to FUEL INJECTION (FUEL SYSTEMS) (H4DOTC)>Oil Control Solenoid>INSPECTION .

    Is the check result OK?

    Yes  : Replace the intake cam sprocket LH. Ref. to MECHANICAL (H4DOTC)>CAM SPROCKET .

    No  : Replace the intake oil control solenoid LH. Ref. to FUEL INJECTION (FUEL SYSTEMS) (H4DOTC)>OIL CONTROL SOLENOID .

  65. CHECK EXHAUST OIL CONTROL SOLENOID RH POWER SUPPLY  .
    1. Turn the ignition switch to OFF.
    2. Disconnect the connector from the exhaust oil control solenoid RH.
    3. Turn the ignition switch to ON.
    4. Measure the voltage between exhaust oil control solenoid RH connector and engine ground.

      Connector & terminal 

      (E63) No. 1 (+) - Engine ground (-):

      Is the voltage 10 V or more?

      Yes  : Go to  66.

      No  : Repair the following item.

      • Open circuit in harness between M/B and exhaust oil control solenoid RH connector
      • Poor contact of coupling connector
      • Poor contact of J/C
  66. CHECK HARNESS BETWEEN ECM AND EXHAUST OIL CONTROL SOLENOID RH CONNECTOR (OPEN)  .
    1. Turn the ignition switch to OFF.
    2. Disconnect the connector from ECM.
    3. Measure the resistance of harness between ECM connector and exhaust oil control solenoid RH connector.

      Connector & terminal 

      (E158) No. 5 - (E63) No. 2:

      Is the resistance less than 1 Ω?

      Yes  : Go to  67.

      No  : Repair the open circuit in harness between ECM connector and exhaust oil control solenoid RH connector.

  67. CHECK HARNESS BETWEEN ECM AND EXHAUST OIL CONTROL SOLENOID RH CONNECTOR (SHORT TO GROUND)  .

    Measure the resistance between exhaust oil control solenoid RH connector and engine ground.

    Connector & terminal 

    (E63) No. 2 - Engine ground:

    Is the resistance 1 MΩ or more?

    Yes  : Go to  68.

    No  : Repair the short circuit to ground in harness between ECM connector and exhaust oil control solenoid RH connector.

  68. CHECK EXHAUST OIL CONTROL SOLENOID RH  .

    Check the exhaust oil control solenoid RH. Ref. to FUEL INJECTION (FUEL SYSTEMS) (H4DOTC)>Oil Control Solenoid>INSPECTION .

    Is the check result OK?

    Yes  : Replace the exhaust cam sprocket RH. Ref. to MECHANICAL (H4DOTC)>CAM SPROCKET .

    No  : Replace the exhaust oil control solenoid RH. Ref. to FUEL INJECTION (FUEL SYSTEMS) (H4DOTC)>OIL CONTROL SOLENOID .

  69. CHECK EXHAUST OIL CONTROL SOLENOID LH POWER SUPPLY  .
    1. Turn the ignition switch to OFF.
    2. Disconnect the connector from the exhaust oil control solenoid LH.
    3. Turn the ignition switch to ON.
    4. Measure the voltage between exhaust oil control solenoid LH connector and engine ground.

      Connector & terminal 

      (E66) No. 1 (+) - Engine ground (-):

      Is the voltage 10 V or more?

      Yes  : Go to  70.

      No  : Repair the following item.

      • Open circuit in harness between M/B and exhaust oil control solenoid LH connector
      • Poor contact of coupling connector
      • Poor contact of J/C
  70. CHECK HARNESS BETWEEN ECM AND EXHAUST OIL CONTROL SOLENOID LH CONNECTOR (OPEN)  .
    1. Turn the ignition switch to OFF.
    2. Disconnect the connector from ECM.
    3. Measure the resistance of harness between ECM connector and exhaust oil control solenoid LH connector.

      Connector & terminal 

      (E158) No. 4 - (E66) No. 2:

      Is the resistance less than 1 Ω?

      Yes  : Go to  71.

      No  : Repair the open circuit in harness between ECM connector and exhaust oil control solenoid LH connector.

  71. CHECK HARNESS BETWEEN ECM AND EXHAUST OIL CONTROL SOLENOID LH CONNECTOR (SHORT TO GROUND)  .

    Measure the resistance between exhaust oil control solenoid LH connector and engine ground.

    Connector & terminal 

    (E66) No. 2 - Engine ground:

    Is the resistance 1 MΩ or more?

    Yes  : Go to  72.

    No  : Repair the short circuit to ground in harness between ECM connector and exhaust oil control solenoid LH connector.

  72. CHECK EXHAUST OIL CONTROL SOLENOID LH  .

    Check the exhaust oil control solenoid LH. Ref. to FUEL INJECTION (FUEL SYSTEMS) (H4DOTC)>Oil Control Solenoid>INSPECTION .

    Is the check result OK?

    Yes  : Replace the exhaust cam sprocket LH. Ref. to MECHANICAL (H4DOTC)>CAM SPROCKET .

    No  : Replace the exhaust oil control solenoid LH. Ref. to FUEL INJECTION (FUEL SYSTEMS) (H4DOTC)>OIL CONTROL SOLENOID .

  73. CHECK ENGINE COOLANT TEMPERATURE SENSOR  .

    Check the engine coolant temperature sensor. Ref. to FUEL INJECTION (FUEL SYSTEMS) (H4DOTC)>Engine Coolant Temperature Sensor>INSPECTION .

    Is the check result OK?

    Yes  : Go to  74.

    No  : Replace the engine coolant temperature sensor. Ref. to FUEL INJECTION (FUEL SYSTEMS) (H4DOTC)>ENGINE COOLANT TEMPERATURE SENSOR .

  74. CHECK HARNESS BETWEEN ECM AND ENGINE COOLANT TEMPERATURE SENSOR CONNECTOR (OPEN)  .
    1. Turn the ignition switch to OFF.
    2. Disconnect the connector from ECM.
    3. Disconnect the connectors from the engine coolant temperature sensor.
    4. Measure the resistance of harness between ECM connector and engine coolant temperature sensor connector.

      Connector & terminal 

      (E158) No. 22 - (E8) No. 1:

      (E159) No. 15 - (E8) No. 2:

      Is the resistance less than 1 Ω?

      Yes  : Go to  75.

      No  : Repair the open circuit of the harness between the ECM connector and engine coolant temperature sensor connector.

  75. CHECK HARNESS BETWEEN ECM AND ENGINE COOLANT TEMPERATURE SENSOR CONNECTOR (SHORT CIRCUIT TO GROUND)  .

    Measure the resistance between the ECM connector and engine ground.

    Connector & terminal 

    (E159) No. 15 - Engine ground:

    Is the resistance 1 MΩ or more?

    Yes  : Go to  76.

    No  : Repair the short circuit to ground in harness between ECM connector and engine coolant temperature sensor connector.

  76. CHECK MASS AIR FLOW AND INTAKE AIR TEMPERATURE SENSOR  .

    Check the mass air flow and intake air temperature sensor. Ref. to FUEL INJECTION (FUEL SYSTEMS) (H4DOTC)>Mass Air Flow and Intake Air Temperature Sensor>INSPECTION .

    Is the check result OK?

    Yes  : Go to  11.

    No  : Replace the mass air flow and intake air temperature sensor. Ref. to FUEL INJECTION (FUEL SYSTEMS) (H4DOTC)>MASS AIR FLOWS AND INTAKE AIR TEMPERATURE SENSOR .

  77. CHECK MANIFOLD ABSOLUTE PRESSURE AND INTAKE AIR TEMPERATURE SENSOR  .

    Check the manifold absolute pressure and intake air temperature sensor. Ref. to FUEL INJECTION (FUEL SYSTEMS) (H4DOTC)>Manifold Absolute Pressure and Intake Air Temperature Sensor>INSPECTION .

    Is the check result OK?

    Yes  : Clear the memory to complete. Ref. to COMMON (diag)>CLEAR MEMORY .

    No  : Replace the manifold absolute pressure and intake air temperature sensor. Ref. to FUEL INJECTION (FUEL SYSTEMS) (H4DOTC)>MANIFOLD ABSOLUTE PRESSURE AND INTAKE AIR TEMPERATURE SENSOR .

  78. CHECK HARNESS BETWEEN ECM AND FUEL INJECTOR CONNECTOR (OPEN)  .
    1. Turn the ignition switch to OFF.
    2. Disconnect the connector from ECM.
    3. Disconnect the connector from fuel injector.
    4. Measure the resistance of harness between ECM connector and fuel injector connector.

      Connector & terminal 

      #1 (E159) No. 1 - (E5) No. 1:

      #1 (E159) No. 2 - (E5) No. 2:

      #2 (E159) No. 9 - (E16) No. 1:

      #2 (E159) No. 10 - (E16) No. 2:

      #3 (E159) No. 17 - (E6) No. 1:

      #3 (E159) No. 18 - (E6) No. 2:

      #4 (E159) No. 25 - (E17) No. 1:

      #4 (E159) No. 26 - (E17) No. 2:

      Is the resistance less than 1 Ω?

      Yes  : Go to  79.

      No  : Repair the open circuit of the harness between the ECM connector and fuel injector connector.

  79. CHECK HARNESS BETWEEN ECM AND FUEL INJECTOR CONNECTOR (SHORT TO GROUND)  .

    Measure the resistance between the ECM connector and engine ground.

    Connector & terminal 

    #1 (E159) No. 1 - Engine ground:

    #1 (E159) No. 2 - Engine ground:

    #2 (E159) No. 9 - Engine ground:

    #2 (E159) No. 10 - Engine ground:

    #3 (E159) No. 17 - Engine ground:

    #3 (E159) No. 18 - Engine ground:

    #4 (E159) No. 25 - Engine ground:

    #4 (E159) No. 26 - Engine ground:

    Is the resistance 1 MΩ or more?

    Yes  : Go to  80.

    No  : Repair the short circuit to ground in harness between ECM connector and fuel injector connector.

  80. CHECK IGNITION SYSTEM  .

    Check the ignition system. Ref. to ENGINE (DIAGNOSTICS) (H4DOTC)>Diagnostics with Phenomenon>IGNITION CONTROL SYSTEM .

    Is the check result OK?

    Yes  : Go to  81.

    No  : Repair the ignition system. Ref. to IGNITION (H4DOTC)>GENERAL DESCRIPTION .

  81. CHECK FREEZE FRAME DATA  .
    1. Turn the ignition switch to ON.
    2. Using the Subaru Select Monitor, read the values in [A/C Compressor Signal] and [Idle A/C load correct].
      NOTE: For detailed operation procedures, refer to "Common (Diagnostics)". Ref. to COMMON (diag)>FREEZE FRAME DATA .

      Does the value of [A/C Compressor Signal] indicate ON output, and does the value of [Idle A/C load correct] increase?

      Yes  : Check the air conditioner. Ref. to AIR CONDITIONER/DIAGNOSTICS)>Diagnostics with Phenomenon>INSPECTION . Ref. to AIR CONDITIONER (DIAGNOSTICS)>Basic Diagnostic Procedure>PROCEDURE .

      No  : Go to  82.

  82. CHECK FREEZE FRAME DATA  .
    1. Turn the ignition switch to ON.
    2. Using the Subaru Select Monitor, read the value in [Electric Load Feedback Val].
      NOTE: For detailed operation procedures, refer to "Common (Diagnostics)". Ref. to COMMON (diag)>FREEZE FRAME DATA .
    3. Compare the value of [Electric Load Feedback Val] with that of [Idle Mass Air Flow], listed under the data monitor. Ref. to ENGINE (DIAGNOSTICS) (H4DOTC)>Data Monitor>LIST .
      NOTE: For detailed operation procedures, refer to "Common (Diagnostics)". Ref. to COMMON (diag)>DATA MONITOR .

      Is the value of [Electric Load Feedback Val] 20% or more to the value of [Idle Mass Air Flow]?

      Yes  : Check the generator and power assisted system. Ref. to STARTING/CHARGING SYSTEMS (H4DOTC)>Generator>INSPECTION . Ref. to POWER STEERING (DIAGNOSTICS)>BASIC DIAGNOSTIC PROCEDURE .

      No  : Go to  83.

  83. CHECK FREEZE FRAME DATA  .
    1. Turn the ignition switch to ON.
    2. Using the Subaru Select Monitor, read the values in [Vehicle Speed Sensor], [Engine Speed] and [AT turbine speed].
      NOTE: For detailed operation procedures, refer to "Common (Diagnostics)". Ref. to COMMON (diag)>FREEZE FRAME DATA .

      Is there any freeze frame data indicating that the value of [Vehicle Speed Sensor] is less than 30 km/h (18.6 MPH), and that the difference in values between [Engine Speed] and [AT turbine speed] is less than 100 rpm?

      Yes  : Repair the CVT. Ref. to CONTINUOUSLY VARIABLE TRANSMISSION (TR690)>GENERAL DESCRIPTION .

      No  : Go to  84.

  84. CHECK DTC  .
    1. Turn the ignition switch to ON.
    2. Read all DTCs using the Subaru Select Monitor or a general scan tool.
      NOTE: For detailed operation procedures, refer to the "Subaru Select Monitor". Ref. to COMMON (diag)>DIAGNOSTIC TROUBLE CODE (DTC) .

      Is DTC of CVT displayed? (Current malfunction)

      Yes  : Check the appropriate DTC using the "Diagnostic Trouble Code (DTC)". Ref. to TRANSMISSION (DIAGNOSTICS)>DIAGNOSTIC TROUBLE CODE (DTC) .

      No  : Even if DTC is detected, it has returned to a normal condition at this time. Reproduce the failure, and then perform the diagnosis again.

      NOTE: In this case, temporary poor contact of connector, temporary open or short circuit of harness may be the cause.
  85. CHECK FREEZE FRAME DATA  .
    1. Turn the ignition switch to ON.
    2. Using the Subaru Select Monitor, read the values in [Calculated LOAD Value] and [Relative Throttle Position].
      NOTE: For detailed operation procedures, refer to "Common (Diagnostics)". Ref. to COMMON (diag)>FREEZE FRAME DATA .

      Is the value of [Calculated LOAD Value] decreasing while that of [Relative Throttle Position] is increasing?

      Yes  : Go to  86.

      No  : Go to  90.

  86. CHECK MASS AIR FLOW AND INTAKE AIR TEMPERATURE SENSOR  .

    Check the mass air flow and intake air temperature sensor. Ref. to FUEL INJECTION (FUEL SYSTEMS) (H4DOTC)>Mass Air Flow and Intake Air Temperature Sensor>INSPECTION .

    Is the check result OK?

    Yes  : Go to  87.

    No  : Replace the mass air flow and intake air temperature sensor. Ref. to FUEL INJECTION (FUEL SYSTEMS) (H4DOTC)>MASS AIR FLOWS AND INTAKE AIR TEMPERATURE SENSOR .

  87. CHECK HARNESS BETWEEN ECM AND MASS AIR FLOW AND INTAKE AIR TEMPERATURE SENSOR CONNECTOR (OPEN)  .
    1. Turn the ignition switch to OFF.
    2. Disconnect the connector from ECM.
    3. Disconnect the connectors from the mass air flow and intake air temperature sensor.
    4. Measure the resistance of harness between ECM connector and the mass air flow and intake air temperature sensor connector.

      Connector & terminal 

      (B134) No. 63 - (B3) No. 1:

      (B134) No. 62 - (B3) No. 2:

      (B134) No. 2 - (B3) No. 3:

      Is the resistance less than 1 Ω?

      Yes  : Go to  88.

      No  : Repair the open circuit of harness between ECM connector and the mass air flow and intake air temperature sensor connector.

  88. CHECK HARNESS BETWEEN ECM AND MASS AIR FLOW AND INTAKE AIR TEMPERATURE SENSOR CONNECTOR (SHORT TO GROUND)  .

    Measure the resistance between the ECM connector and engine ground.

    Connector & terminal 

    (B134) No. 63 - Engine ground:

    (B134) No. 2 - Engine ground:

    Is the resistance 1 MΩ or more?

    Yes  : Go to  89.

    No  : Repair the ground short circuit of harness between ECM connector and the mass air flow and intake air temperature sensor connector.

  89. CHECK DATA MONITOR  .
    1. Start the engine and warm up completely.
    2. Run the engine at idle.
    3. Using the Subaru Select Monitor, read the value in [Calculated LOAD Value].
      NOTE: For detailed operation procedures, refer to "Common (Diagnostics)". Ref. to COMMON (diag)>DATA MONITOR .
    4. Compare with the reference value (at idling) of Calculated LOAD Value, listed under [Data monitor]. Ref. to ENGINE (DIAGNOSTICS) (H4DOTC)>Data Monitor>LIST .
      NOTE: The value of [Calculated LOAD Value] changes depending on how the engine internal parts settle in. If the value is out of threshold value below, judge it again by comparing the vehicle with another one with the same specifications and similar conditions such as travel distance.

      Does the value of [Calculated LOAD Value] fall between 90 - 110 % of the value described in the list?

      Yes  : Go to  90.

      No  : Replace the mass air flow and intake air temperature sensor. Ref. to FUEL INJECTION (FUEL SYSTEMS) (H4DOTC)>MASS AIR FLOWS AND INTAKE AIR TEMPERATURE SENSOR .

  90. CHECK HARNESS BETWEEN ECM AND FUEL INJECTOR CONNECTOR (OPEN)  .
    1. Turn the ignition switch to OFF.
    2. Disconnect the connector from ECM.
    3. Disconnect the connector from fuel injector.
    4. Measure the resistance of harness between ECM connector and fuel injector connector.

      Connector & terminal 

      #1 (E159) No. 1 - (E5) No. 1:

      #1 (E159) No. 2 - (E5) No. 2:

      #2 (E159) No. 9 - (E16) No. 1:

      #2 (E159) No. 10 - (E16) No. 2:

      #3 (E159) No. 17 - (E6) No. 1:

      #3 (E159) No. 18 - (E6) No. 2:

      #4 (E159) No. 25 - (E17) No. 1:

      #4 (E159) No. 26 - (E17) No. 2:

      Is the resistance less than 1 Ω?

      Yes  : Go to  91.

      No  : Repair the open circuit of the harness between the ECM connector and fuel injector connector.

  91. CHECK HARNESS BETWEEN ECM AND FUEL INJECTOR CONNECTOR (SHORT TO GROUND)  .

    Measure the resistance between the ECM connector and engine ground.

    Connector & terminal 

    #1 (E159) No. 1 - Engine ground:

    #1 (E159) No. 2 - Engine ground:

    #2 (E159) No. 9 - Engine ground:

    #2 (E159) No. 10 - Engine ground:

    #3 (E159) No. 17 - Engine ground:

    #3 (E159) No. 18 - Engine ground:

    #4 (E159) No. 25 - Engine ground:

    #4 (E159) No. 26 - Engine ground:

    Is the resistance 1 MΩ or more?

    Yes  : Go to  92.

    No  : Repair the short circuit to ground in harness between ECM connector and fuel injector connector.

  92. CHECK IGNITION SYSTEM  .

    Check the ignition system. Ref. to ENGINE (DIAGNOSTICS) (H4DOTC)>Diagnostics with Phenomenon>IGNITION CONTROL SYSTEM .

    Is the check result OK?

    Yes  : Go to  93.

    No  : Repair the ignition system. Ref. to IGNITION (H4DOTC)>GENERAL DESCRIPTION .

  93. CHECK OF FUEL PUMP  .
    1. Turn the ignition switch to ON.
    2. Using the Subaru Select Monitor, select [Fuel Pump Relay] of [Active Test].
      NOTE: For detailed operation procedures, refer to the "Active Test". Ref. to ENGINE (DIAGNOSTICS) (H4DOTC)>ACTIVE TEST .
    3. Check if operating sound occurs in the fuel pump according to ON/OFF switching operation.

      Does the fuel pump emit operating sound?

      Yes  : Go to  95.

      No  : Go to  94.

  94. CHECK OF FUEL PUMP  .

    Check fuel pump. Ref. to FUEL INJECTION (FUEL SYSTEMS) (H4DOTC)>Fuel Pump>INSPECTION .

    Is the check result OK?

    Yes  : Check fuel pump system. Ref. to ENGINE (DIAGNOSTICS) (H4DOTC)>Diagnostics with Phenomenon>FUEL PUMP CIRCUIT .

    No  : Replace the fuel pump. Ref. to FUEL INJECTION (FUEL SYSTEMS) (H4DOTC)>FUEL PUMP .

  95. CHECK FUEL TANK  .
    WARNING: Place "NO OPEN FLAMES" signs near the working area.

    Check if any foreign matters such as iron powder exist in the fuel tank.

    Is there any foreign matter in the fuel tank?

    Yes  : Remove foreign matter from the fuel tank.

    No  : Go to  96.

  96. CHECK FUEL PRESSURE  .
    WARNING: Place "NO OPEN FLAMES" signs near the working area.
    CAUTION:
    • Be careful not to spill fuel.
    • Before attaching/detaching a fuel pressure gauge, release the fuel pressure.

    Measure the fuel pressure. Ref. to MECHANICAL (H4DOTC)>Fuel Pressure>INSPECTION .

    Is the measured value 340 - 400 kPa (3.5 - 4.1 kgf/cm2 , 49 - 58 psi)?

    Yes  : Go to  97.

    No  : Check the fuel pump and fuel delivery line. Ref. to FUEL INJECTION (FUEL SYSTEMS) (H4DOTC)>Fuel Pump>INSPECTION . Ref. to FUEL INJECTION (FUEL SYSTEMS) (H4DOTC)>Fuel Delivery and Evaporation Lines>INSPECTION .

  97. CHECK FREEZE FRAME DATA  .
    1. Turn the ignition switch to ON.
    2. Using the Subaru Select Monitor, read the values in [Fuel Rail Pressure A] and [Commanded Fuel Rail Pressure A].
      NOTE: For detailed operation procedures, refer to "Common (Diagnostics)". Ref. to COMMON (diag)>FREEZE FRAME DATA .

      Is the value in [Fuel Rail Pressure A] synchronized with the one in [Commanded Fuel Rail Pressure A] in all freeze frame data?

      Yes  : Go to  98.

      No  : Check the high-pressure fuel pump. Ref. to FUEL INJECTION (FUEL SYSTEMS) (H4DOTC)>High Pressure Fuel Pump>INSPECTION .

  98. CHECK ENGINE RUNNING CONDITION  .
    1. Turn the ignition switch to ON.
    2. Check the engine running condition using [Roughness monitor] in the Subaru Select Monitor.
      NOTE: For detailed operation procedures, refer to "Application help".

      Is there a large difference in the speed between each cylinder?

      Yes  : It is possible that the compression pressure of the engine is not sufficient. Check the engine. Ref. to MECHANICAL (H4DOTC)>Symptoms and causes>INSPECTION .

      No  : Clear the memory to complete. Ref. to COMMON (diag)>CLEAR MEMORY .