LEMON Manuals: Even more car manuals for everyone
Home >> Subaru >> 2021 >> Ascent Base >> Repair and Diagnosis (Single Page) >> Engine Performance >> System >> Engine Control System (Diagnostics) (3 Of 4) >> Diagnostic Procedure with Diagnostic Trouble Code (DTC) >> DTC P081A: Starter Disable Circuit Low >> Notes

DTC P081A: Starter Disable Circuit Low: Notes

  1. DTC detecting condition: 

    Immediately at fault recognition

    Trouble symptom: 

    Failure of engine to start

    Wiring diagram: 

    Engine Electrical System. Ref. to WIRING SYSTEM>ENGINE ELECTRICAL SYSTEM .

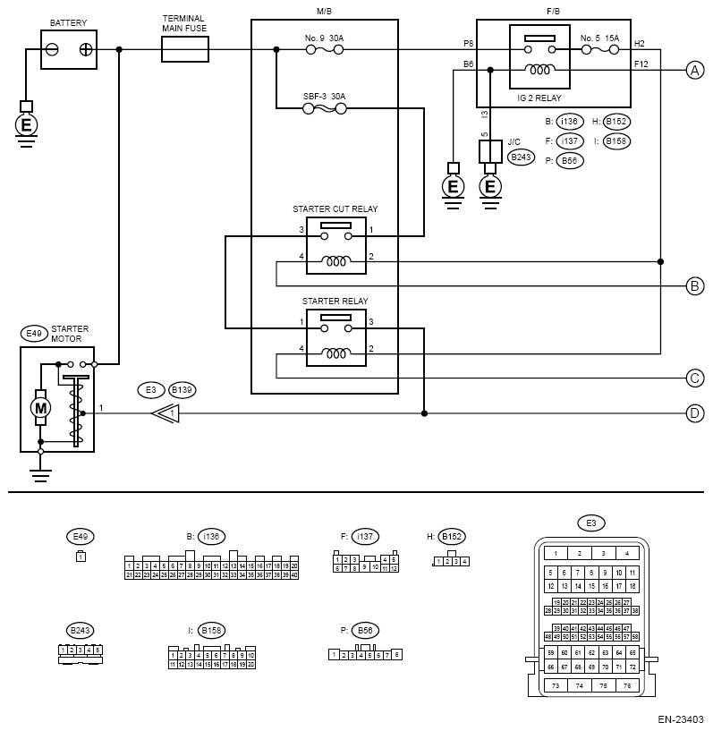
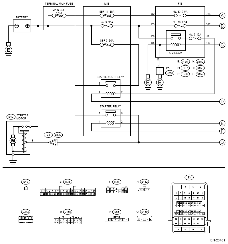
    • Model without push button start
G13866393Courtesy of SUBARU OF AMERICA, INC.
G13866394Courtesy of SUBARU OF AMERICA, INC.
G13866395Courtesy of SUBARU OF AMERICA, INC.
G13866396Courtesy of SUBARU OF AMERICA, INC.
CAUTION: Use the check board when measuring the ECM terminal voltage and resistance. Ref. to ENGINE (DIAGNOSTICS) (H4DOTC)>General Description>PREPARATION TOOL>HOW TO USE CHECK BOARD .
NOTE: After the faulty parts are repaired or replaced, perform the final check in Basic Diagnostic Procedure. Ref. to ENGINE (DIAGNOSTICS) (H4DOTC)>Basic Diagnostic Procedure>PROCEDURE .
  1. CHECK HARNESS BETWEEN ECM CONNECTOR AND STARTER CUT RELAY (SHORT TO GROUND)  .
    1. Turn the ignition switch to OFF.
    2. Disconnect the connector from ECM.
    3. Remove the starter cut relay.
    4. Measure the resistance between the ECM connector and engine ground.

      Terminals 

      (B134) No. 8 - Engine ground (-):

      Is the resistance 1 MΩ or more?

      Yes  : Go to  2.

      No  : Repair the short circuit to ground in harness between ECM connector and M/B (starter cut relay).

  2. CHECK HARNESS BETWEEN ECM CONNECTOR AND STARTER CUT RELAY (OPEN)  .

    Measure the resistance of harness between ECM connector and M/B (starter cut relay) terminal.

    Connector & terminal  (B134) No. 8 - No. 4:

    Is the resistance less than 1 Ω?

    Yes  : Go to  3.

    No  : Repair the open circuit of harness between ECM connector and M/B (starter cut relay).

  3. CHECK STARTER CUT RELAY  .

    Check the starter cut relay. Ref. to STARTING/CHARGING SYSTEMS (H4DOTC)>Starter Relay>INSPECTION .

    Is the check result OK?

    Yes  : Repair the poor contact of ECM connector.

    No  : Replace the starter cut relay. Ref. to STARTING/CHARGING SYSTEMS) (H4DOTC)>Starter Relay>LOCATION .