LEMON Manuals: Even more car manuals for everyone
Home >> Subaru >> 2021 >> Ascent Base >> Repair and Diagnosis (Single Page) >> Engine Performance >> System >> Engine Control System (Diagnostics) (2 Of 4) >> Diagnostic Procedure with Diagnostic Trouble Code (DTC) >> DTC P0617: Starter Relay "A" Circuit High >> Notes

DTC P0617: Starter Relay "A" Circuit High: Notes

1. - 

DTC detecting condition: 

Immediately at fault recognition

Trouble symptom: 

Failure of engine to start

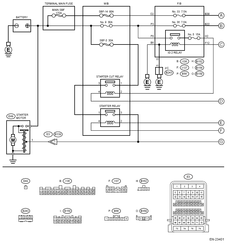
Wiring diagram: 

Engine Electrical System Ref. to WIRING SYSTEM>ENGINE ELECTRICAL SYSTEM .

  1. CHECK DTC  .
    1. Turn the ignition switch to ON.
    2. Using the Subaru Select Monitor or a general scan tool, read the DTC of [Engine]. Ref. to COMMON (diag)>DIAGNOSTIC TROUBLE CODE (DTC) .

      Is DTC other than P0617 displayed? (Current malfunction)

      Yes  : Check the appropriate DTC using the "Diagnostic Trouble Code (DTC)". Ref. to ENGINE (DIAGNOSTICS) (H4DOTC)>Diagnostic Trouble Code (DTC)>LIST .

      No  : Go to  2.

  2. CHECK HARNESS BETWEEN ECM, STARTER RELAY AND STARTER MOTOR (SHORT TO POWER SUPPLY)  .
    1. Turn the ignition switch to OFF.
    2. Disconnect the connector from ECM.
    3. Turn the ignition switch to ON.
    4. Measure the voltage between ECM connector and engine ground.

      Connector & terminal 

      (B134) No. 19 (+) - Engine ground (-):

      Is the voltage 10 V or more?

      Yes  : Repair the following item.

      • Short circuit to power supply in harness between ECM connector and M/B (starter relay)
      • Short circuit to power supply in harness between ECM connector and starter motor

      No  : Repair the poor contact of ECM connector.