LEMON Manuals: Even more car manuals for everyone
Home >> Subaru >> 2021 >> Ascent Base >> Repair and Diagnosis (Single Page) >> Engine Performance >> System >> Engine Control System (Diagnostics) (2 Of 4) >> Diagnostic Procedure with Diagnostic Trouble Code (DTC) >> DTC P0616: Starter Relay "A" Circuit Low >> Notes

DTC P0616: Starter Relay "A" Circuit Low: Notes

1. - 

DTC detecting condition: 

Immediately at fault recognition

Trouble symptom: 

Failure of engine to start

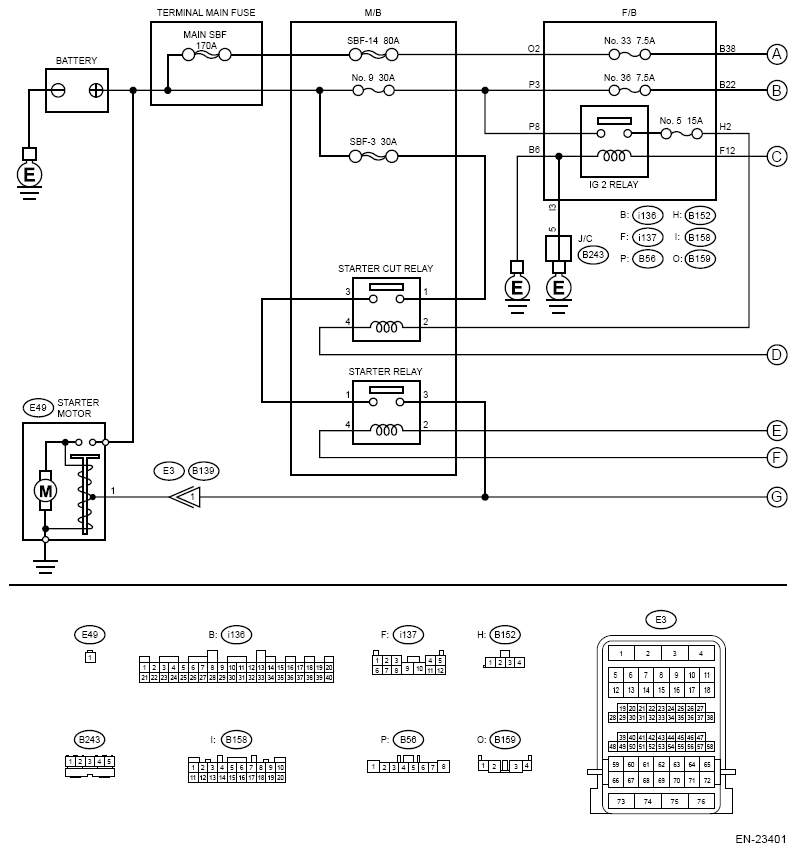
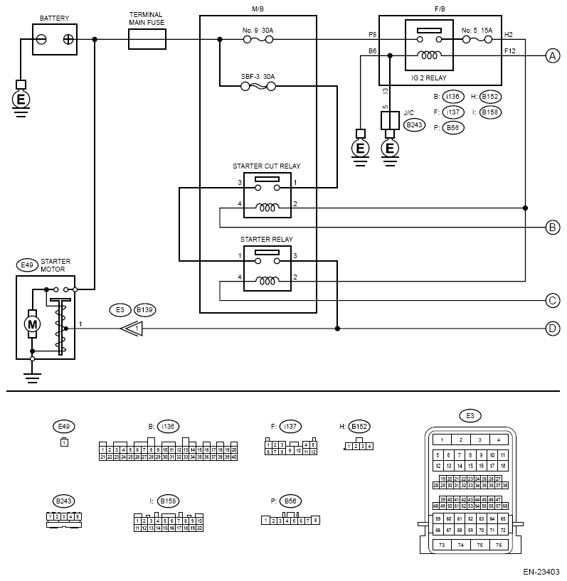
Wiring diagram: 

Engine Electrical System Ref. to WIRING SYSTEM>ENGINE ELECTRICAL SYSTEM .

  1. CHECK HARNESS BETWEEN ECM AND STARTER RELAY (OPEN)  .
    1. Turn the ignition switch to OFF.
    2. Disconnect the connector from ECM.
    3. Remove the starter relay.
    4. Measure the resistance of harness between ECM connector and M/B (starter relay) terminal.

      Connector & terminal 

      (B134) No. 19 - No. 3:

      Is the resistance less than 1 Ω?

      Yes  : Go to  2.

      No  : Repair the open circuit of harness between ECM connector and M/B (starter relay).

  2. CHECK HARNESS BETWEEN ECM AND STARTER RELAY (SHORT TO GROUND)  .
    1. Disconnect the connector from starter motor.
    2. Measure the resistance between the ECM connector and engine ground.

      Connector & terminal 

      (B134) No. 19 - Engine ground:

      Is the resistance 1 MΩ or more?

      Yes  : Repair the poor contact of ECM connector.

      No  : Repair the short circuit to ground in harness between ECM connector and M/B (starter relay).