LEMON Manuals: Even more car manuals for everyone
Home >> Subaru >> 2021 >> Ascent Base >> Repair and Diagnosis (Single Page) >> Engine Performance >> System >> Engine Control System (Diagnostics) (2 Of 4) >> Diagnostic Procedure with Diagnostic Trouble Code (DTC) >> DTC P0327: Knock/Combustion Vibration Sensor 1 Circuit Low Bank 1 Or Single Sensor >> Notes

DTC P0327: Knock/Combustion Vibration Sensor 1 Circuit Low Bank 1 Or Single Sensor: Notes

  1. DTC detecting condition: 

    Immediately at fault recognition

    Trouble symptom: 

    • Poor driving performance
    • Knocking occurs

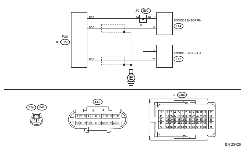
    Wiring diagram: 

    Engine Electrical System Ref. to WIRING SYSTEM>ENGINE ELECTRICAL SYSTEM .

    G13866334Courtesy of SUBARU OF AMERICA, INC.
    CAUTION: Use the check board when measuring the ECM terminal voltage and resistance. Ref. to ENGINE (DIAGNOSTICS) (H4DOTC)>General Description>PREPARATION TOOL>HOW TO USE CHECK BOARD .
    NOTE: After the faulty parts are repaired or replaced, perform the final check in Basic Diagnostic Procedure. Ref. to ENGINE (DIAGNOSTICS) (H4DOTC)>Basic Diagnostic Procedure>PROCEDURE .
  1. CHECK HARNESS BETWEEN ECM AND KNOCK SENSOR CONNECTOR.
    1. Turn the ignition switch to OFF.
    2. Disconnect the connector from ECM.
    3. Measure the resistance between ECM connectors.

      Connector & terminal 

      (E158) No. 22 - (E158) No. 42:

    Is the resistance less than 500 kΩ?

    Yes  : Go to  2.

    No  : Go to  3.

  2. CHECK KNOCK SENSOR  .
    1. Disconnect the connector from the knock sensor.
    2. Measure the resistance between knock sensor connectors.

      Terminals 

      No. 1 - No. 2:

    Is the resistance less than 500 kΩ?

    Yes  : Replace the knock sensor. Ref. to FUEL INJECTION (FUEL SYSTEMS) (H4DOTC)>KNOCK SENSOR .

    No  : Repair the short circuit to ground in harness between ECM connector and knock sensor connector.

    NOTE: The harness between both connectors are shielded. Remove the shield and repair the short circuit of harness.
  3. CHECK INPUT SIGNAL OF ECM  .
    1. Connect the ECM.
    2. Turn the ignition switch to ON.
    3. Measure the voltage between ECM connector and engine ground.

      Connector & terminal 

      (E158) No. 42 (+) - Engine ground (-):

    Is the voltage 2 V or more?

    Yes  : Even if DTC is detected, the circuit has returned to a normal condition at this time.

    Reproduce the failure, and then perform the diagnosis again.

    NOTE: In this case, temporary poor contact of connector, temporary open or short circuit of harness may be the cause.

    No  : Repair the short circuit to ground in harness between ECM connector and knock sensor connector.

    NOTE: The harness between both connectors are shielded. Remove the shield and repair the short circuit of harness.