LEMON Manuals: Even more car manuals for everyone
Home >> Subaru >> 2021 >> Ascent Base >> Repair and Diagnosis (Single Page) >> Engine Performance >> System >> Engine Control System (Diagnostics) (1 Of 4) >> Diagnostic Procedure with Diagnostic Trouble Code (DTC) >> DTC P0118: Engine Coolant Temperature Sensor 1 Circuit High >> Notes

DTC P0118: Engine Coolant Temperature Sensor 1 Circuit High: Notes

  1. DTC detecting condition: 

    Immediately at fault recognition

    Trouble symptom: 

    • Hard to start
    • Improper idling
    • Poor driving performance

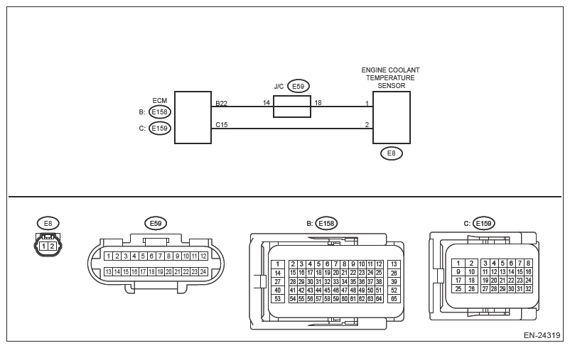
    Wiring diagram: 

    Engine Electrical System Ref. to WIRING SYSTEM>ENGINE ELECTRICAL SYSTEM .

G13866265Courtesy of SUBARU OF AMERICA, INC.
CAUTION: Use the check board when measuring the ECM terminal voltage and resistance. Ref. to ENGINE (DIAGNOSTICS) (H4DOTC)>General Description>PREPARATION TOOL>HOW TO USE CHECK BOARD .
NOTE: After the faulty parts are repaired or replaced, perform the final check in Basic Diagnostic Procedure. Ref. to ENGINE (DIAGNOSTICS) (H4DOTC)>Basic Diagnostic Procedure>PROCEDURE .
  1. CHECK DATA MONITOR  .
    1. Start the engine.
    2. Using the Subaru Select Monitor, read the value in [Coolant Temp.].
      NOTE: For detailed operation procedures, refer to "Common (Diagnostics)". Ref. to COMMON (diag)>DATA MONITOR .

    Is the value of [Coolant Temp.] less than -40°C (-40°F)?

    Yes  : Go to  2.

    No  : Even if DTC is detected, the circuit has returned to a normal condition at this time.

    Reproduce the failure, and then perform the diagnosis again.

    NOTE: In this case, temporary poor contact of connector, temporary open or short circuit of harness may be the cause.
  2. CHECK FOR POOR CONTACT  .

    Check for poor contact of ECM and engine coolant temperature sensor connector.

    Is there poor contact of ECM or engine coolant temperature sensor connector?

    Yes  : Repair the poor contact of ECM or engine coolant temperature sensor connector.

    No  : Go to  3.

  3. CHECK HARNESS BETWEEN ECM AND ENGINE COOLANT TEMPERATURE SENSOR CONNECTOR (OPEN)  .
    1. Turn the ignition switch to OFF.
    2. Disconnect the connector from ECM.
    3. Disconnect the connectors from the engine coolant temperature sensor.
    4. Measure the resistance of harness between ECM connector and engine coolant temperature sensor connector.

      Connector & terminal 

      (E158) No. 22 - (E8) No. 1:

      (E159) No. 15 - (E8) No. 2:

    Is the resistance less than 1 Ω?

    Yes  : Go to  4.

    No  : Repair the following item.

    • Open circuit in harness between ECM connector and engine coolant temperature sensor connector
    • Poor contact of J/C
  4. CHECK HARNESS BETWEEN ECM AND ENGINE COOLANT TEMPERATURE SENSOR CONNECTOR (SHORT TO POWER SUPPLY)  .
    1. Turn the ignition switch to ON.
    2. Measure the voltage between ECM connector and engine ground.

      Connector & terminal 

      (E159) No. 15 (+) - Engine ground (-):

    Is the voltage 5 V or more?

    Yes  : Repair the short circuit of harness to power supply between ECM connector and engine coolant temperature sensor connector.

    No  : Replace the engine coolant temperature sensor. Ref. to FUEL INJECTION (FUEL SYSTEMS) (H4DOTC)>ENGINE COOLANT TEMPERATURE SENSOR .