LEMON Manuals: Even more car manuals for everyone
Home >> Subaru >> 2021 >> Ascent Base >> Repair and Diagnosis (Single Page) >> Engine Performance >> System >> Engine Control System (Diagnostics) (1 Of 4) >> Diagnostic Procedure with Diagnostic Trouble Code (DTC) >> DTC P0038: A/F/O2 Heater Control Circuit High Bank 1 Sensor 2 >> Notes

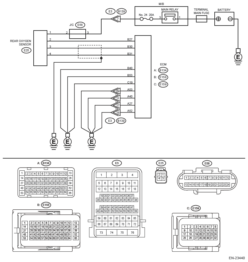
DTC P0038: A/F/O2 Heater Control Circuit High Bank 1 Sensor 2: Notes

DTC detecting condition 

Detected when two consecutive driving cycles with fault occur.

Wiring diagram: 

Engine Electrical System Ref. to WIRING SYSTEM>ENGINE ELECTRICAL SYSTEM .

G13866235Courtesy of SUBARU OF AMERICA, INC.
CAUTION: Use the check board when measuring the ECM terminal voltage and resistance. Ref. to ENGINE (DIAGNOSTICS) (H4DOTC)>General Description>PREPARATION TOOL>HOW TO USE CHECK BOARD .
NOTE: After the faulty parts are repaired or replaced, perform the final check in Basic Diagnostic Procedure. Ref. to ENGINE (DIAGNOSTICS) (H4DOTC)>Basic Diagnostic Procedure>PROCEDURE .
  1. CHECK HARNESS BETWEEN ECM AND REAR OXYGEN SENSOR CONNECTOR (SHORT TO POWER SUPPLY)  .
    1. Turn the ignition switch to OFF.
    2. Measure the voltage between ECM connector and engine ground.

      Connector & terminal 

      (E158) No. 27 (+) - Engine ground (-):

      Is the voltage 10 V or more?

      Yes  : Repair the short circuit to power supply in harness between ECM connector and rear oxygen sensor connector.

      No  : Go to  2.

  2. CHECK GROUND CIRCUIT FOR ECM (OPEN CIRCUIT)  .
    1. Disconnect the connector from ECM.
    2. Measure the resistance between the ECM connector and engine ground.

      Connector & terminal 

      (B134) No. 27 - Engine ground:

      (B134) No. 40 - Engine ground:

      (B134) No. 52 - Engine ground:

      (B134) No. 53 - Engine ground:

      (E158) No. 40 - Engine ground:

      (E158) No. 53 - Engine ground:

      (E159) No. 19 - Engine ground:

      Is the resistance less than 5 Ω?

      Yes  : Repair the poor contact of ECM connector.

      No  : Repair the following item.

      • Open circuit of harness between ECM connector and engine ground
      • Poor contact of coupling connector