LEMON Manuals: Even more car manuals for everyone
Home >> Subaru >> 2020 >> WRX Base >> Repair and Diagnosis >> Steering >> Steering Control Systems >> Power Steering System (Diagnostics) >> Diagnostic Procedure with Diagnostic Trouble Code (DTC) >> DTC C2543: Error Passive

DTC C2543: Error Passive

DTC detecting condition: 

When send/receive failure of CAN communication is detected after the ignition switch is ON.

Trouble symptom: 

CAUTION: Do not clear the memory when checking the DTC.

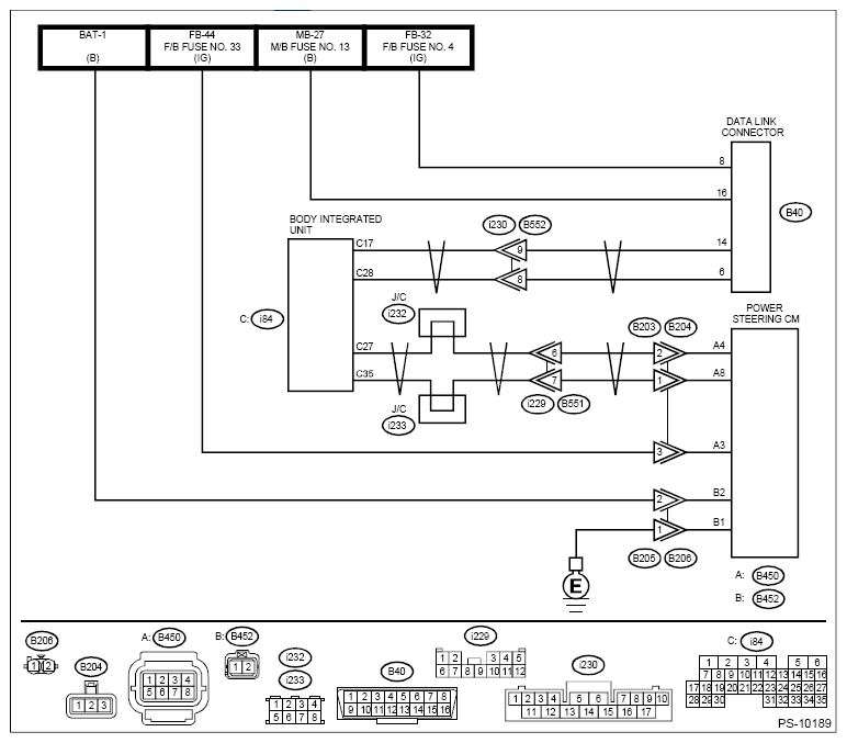
Wiring diagram: 

Electric power steering system Ref. to WIRING SYSTEM>ELECTRIC POWER STEERING SYSTEM .

G12454194Courtesy of SUBARU OF AMERICA, INC.
  1. CHECK PERIPHERALS. 

    Check the data link connector.

    Is any other electrical part connected to the data link connector or harness?

    Yes:  Disconnect the connection of electrical parts and perform inspection again.

    No:  Go to  2.

  2. CHECK LAN SYSTEM. 

    Perform the diagnosis for LAN system using the Subaru Select Monitor. Ref. to LAN SYSTEM (DIAGNOSTICS)>BASIC DIAGNOSTIC PROCEDURE .

    Is a DTC related to CAN communication detected?

    Yes:  Perform the diagnosis according to the DTC. Ref. to LAN SYSTEM (DIAGNOSTICS)>LIST OF DIAGNOSTIC TROUBLE CODE (DTC) .

    No:  Go to  3.

  3. CHECK DTC. 

    Read the DTC of the power steering control module using the Subaru Select Monitor. Ref. to POWER ASSISTED SYSTEM (POWER STEERING) (DIAGNOSTICS)>READ DIAGNOSTIC TROUBLE CODE (DTC) .

    Is DTC C2543 a current malfunction?

    Yes:  Go to  4.

    No:  System is normal. Temporary interference from noise is a possible cause.

  4. CHECK CONNECTOR. 

    Check the connecting condition of connector.

    Is the connector firmly installed?

    Yes:  Go to  5.

    No:  Install the connector, and check again.

  5. CHECK CONNECTOR. 
    1. Turn the ignition switch to OFF.
    2. Disconnect the connector (B204).

    Is there crimped or spread portion in connector terminal on vehicle harness side and power steering control module side?

    Yes:  Repair or replace faulty parts.

    No:  Go to  6.

  6. CHECK HARNESS. 

    Check the harness related to CAN communication system.

    Is there any fault in the harness?

    Yes:  Repair or replace the harness.

    No:  Replace the steering gearbox. Ref. to POWER ASSISTED SYSTEM (POWER STEERING)>ELECTRIC POWER STEERING GEARBOX .