LEMON Manuals: Even more car manuals for everyone
Home >> Subaru >> 2020 >> Outback Base >> Repair and Diagnosis >> External Pages >> Different variant/trim >> Section 13 (Engine Control System (Diagnostics) (2.4L) (General)) >> Diagnostics with Phenomenon >> Starter Motor Circuit >> Model With Push Button Start

Model With Push Button Start

WARNING: This page is about a different variant/trim than selected.

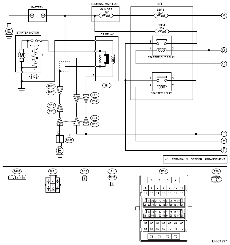
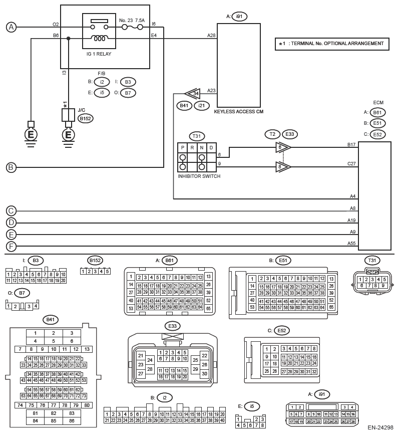
Wiring diagram: 

Engine Electrical System Refer to WIRING SYSTEM>Engine Electrical System>WIRING DIAGRAM .

G13629908Courtesy of SUBARU OF AMERICA, INC.
G13629909Courtesy of SUBARU OF AMERICA, INC.
CAUTION: Use the check board when measuring the ECM terminal voltage and resistance. Refer to ENGINE (DIAGNOSTICS) (H4DOTC)>GENERAL DESCRIPTION>PREPARATION TOOL>HOW TO USE CHECK BOARD .
  1. CHECK ICR RELAY  .

    Check the ICR relay. Refer to STARTING/CHARGING SYSTEMS (H4DOTC)>INRUSH CURRENT REDUCTION RELAY .

    Is the check result OK?

    Yes  : Go to  2.

    No  : Replace the ICR relay. Refer to STARTING/CHARGING SYSTEMS (H4DOTC)>INRUSH CURRENT REDUCTION RELAY .

  2. CHECK BATTERY  .

    Check the battery. Refer to STARTING/CHARGING SYSTEMS (H4DOTC)>BATTERY .

    Is the check result OK?

    Yes  : Go to  3.

    No  : Charge or replace the battery. Refer to STARTING/CHARGING SYSTEMS (H4DOTC)>BATTERY .

  3. CHECK OPERATION OF STARTER MOTOR  .

    Check the starter motor operation.

    Does the starter motor operate?

    Yes  : Go to  4.

    No  : Go to  5.

  4. CHECK DTC  .

    Using the Subaru Select Monitor or a general scan tool, read the DTC of [Engine Control System]. Refer to COMMON (DIAG)>DIAGNOSTIC TROUBLE CODE (DTC) .

    Are any DTCs displayed? (Current malfunction)

    Yes  : Check the appropriate DTC using the "Diagnostic Trouble Code (DTC)". Refer to ENGINE (DIAGNOSTICS) (H4DOTC)>Diagnostic Trouble Code (DTC)>LIST .

    No  : Check ignition control system. Refer to ENGINE (DIAGNOSTICS) (H4DOTC)>DIAGNOSTICS WITH PHENOMENON>IGNITION CONTROL SYSTEM .

  5. CHECK PUSH BUTTON IGNITION SWITCH  .

    Press the push button ignition switch twice with the ignition OFF (ACC OFF).

    NOTE: Release the brake pedal.

    Does the ignition turn to ON?

    Yes  : Go to  6.

    No  : Check the push button start system. Refer to KEYLESS ACCESS WITH PUSH BUTTON START (DIAGNOSTICS)>DIAGNOSTICS WITH PHENOMENON>LIST .

  6. CHECK PUSH BUTTON IGNITION SWITCH  .
    1. Depress the brake pedal.
      NOTE: Shift the select lever to "P" range.
    2. Check the push button ignition switch indicator.

    Does the indicator turn to green?

    Yes  : Go to  7.

    No  : Check the push button start system. Refer to KEYLESS ACCESS WITH PUSH BUTTON START (DIAGNOSTICS)>DIAGNOSTICS WITH PHENOMENON>LIST .

  7. CHECK START SWITCH SIGNAL  .
    1. Using the Subaru Select Monitor, read the waveform in [Starter Switch].
      NOTE: For detailed operation procedures, refer to "Common (Diagnostics)". Refer to COMMON (DIAG)>DATA MONITOR .
    2. Press the push button ignition switch once with the brake pedal depressed.

    Does a waveform occur in [Starter Switch]?

    Yes  : Go to  11.

    No  : Go to  8.

  8. CHECK HARNESS BETWEEN ECM AND KEYLESS ACCESS CM CONNECTOR  .
    1. Turn the ignition to OFF.
    2. Disconnect the connector from ECM.
    3. Disconnect the connector from the keyless access CM.
    4. Measure the resistance of harness between ECM connector and keyless access CM.

      Connector & terminal 

      (B61) No. 4 - (i91) No. 23:

    Is the resistance less than 1 Ω?

    Yes  : Go to  9.

    No  : Repair the following item.

    • Open circuit of harness between ECM connector and keyless access CM connector
    • Poor contact of coupling connector
  9. CHECK HARNESS BETWEEN ECM AND KEYLESS ACCESS CM CONNECTOR  .

    Measure the resistance between the ECM connector and engine ground.

    Connector & terminal 

    (B61) No. 4 (+) - Engine ground (-):

    Is the resistance 1 MΩ or more?

    Yes  : Go to  10.

    No  : Repair the short circuit to ground in harness between ECM connector and keyless access CM connector.

  10. CHECK START SWITCH SIGNAL  .
    1. Connect the connector to ECM.
    2. Connect the connector to the keyless access CM.
    3. Read the waveform of start switch signal using an oscilloscope.
    4. Press the push button ignition switch once with the brake pedal depressed.

    Connector & terminal 

    (B61) No. 4 (+) - Engine ground (-):

    Does waveform of the start switch signal occur?

    Yes  : Repair the poor contact of ECM connector.

    No  : Repair the poor contact of keyless access CM connector.

  11. CHECK INPUT SIGNAL FOR STARTER MOTOR  .
    1. Turn the ignition to OFF.
    2. Disconnect the connector from starter motor.
    3. Place the select lever in "P" range or "N" range.
    4. Press the push button ignition switch once with the brake pedal depressed.
    5. Measure the voltage between the starter motor connector and the engine ground.

      Connector & terminal 

      (E122) No. 1 (+) - Engine ground (-):

    Is the voltage 10 V or more?

    Yes  : Check the starter motor. Refer to STARTING/CHARGING SYSTEMS (H4DOTC)>STARTER .

    No  : Go to  12.

  12. CHECK INPUT VOLTAGE OF IG1 RELAY  .
    1. Turn the ignition to OFF.
    2. Remove the IG1 relay.
    3. Turn the ignition to ON.
    4. Measure the voltage between F/B (IG1 relay) connector and chassis ground.

      Connector & terminal 

      (B7) No. 2 (+) - Chassis ground (-):

      (i5) No. 4 (+) - Chassis ground (-):

    Is the voltage 10 V or more?

    Yes  : Go to  13.

    No  : Repair the following item.

    • Open circuit or short circuit to ground in harness between F/B (IG1 relay) connector and keyless access CM connector
    • Open circuit of the harness between M/B and F/B (IG1 relay) connector
    • Blown out of fuse
  13. CHECK IG1 RELAY GROUND CIRCUIT  .
    1. Turn the ignition to OFF.
    2. Measure the resistance in harness between F/B (IG1 relay) connector and chassis ground.

      Connector & terminal 

      (B3) No. 3 - Chassis ground:

      (i2) No. 6 - Chassis ground:

    Is the resistance less than 5 Ω?

    Yes  : Go to  14.

    No  : No 

    Repair the following item.

    • Open circuit of the harness between F/B (IG1 relay) connector and chassis ground
    • Poor contact of J/C
  14. CHECK IG1 RELAY  .

    Check the IG1 relay. Refer to SECURITY AND LOCKS>RELAY AND FUSE .

    Is the check result OK?

    Yes  : Go to  15.

    No  : Replace the IG1 relay. Refer to SECURITY AND LOCKS>RELAY AND FUSE .

  15. CHECK INPUT VOLTAGE OF STARTER CUT RELAY  .
    1. Remove the starter cut relay.
    2. Install the IG1 relay.
    3. Turn the ignition to ON.
    4. Measure the voltage between M/B (starter cut relay) terminal No. 1 and No. 2 and engine ground.

      Terminals 

      No. 1 (+) - Engine ground (-):

      No. 2 (+) - Engine ground (-):

    Is the voltage 10 V or more?

    Yes  : Go to  16.

    No  : Repair the following item.

    • Open circuit or short circuit to ground in harness between SBF-4 and M/B (starter cut relay)
    • Open circuit or short circuit to ground in harness between M/B (starter cut relay) and F/B (IG1 relay) connector
    • Blown out of fuse
    • Poor contact of F/B connector
    • Replacement of F/B
    • Replace M/B
  16. CHECK HARNESS BETWEEN ECM AND M/B (STARTER CUT RELAY)  .
    1. Turn the ignition to OFF.
    2. Disconnect the connector from ECM.
    3. Measure the resistance of harness between ECM connector and M/B (starter cut relay) terminal No. 4.

      Connector & terminal 

      (B61) No. 8 - No. 4:

    Is the resistance less than 1 Ω?

    Yes  : Go to  17.

    No  : Repair the following item.

    • Open circuit in harness between ECM connector and M/B (starter cut relay)
    • Replace M/B
  17. CHECK STARTER CUT RELAY  .

    Check the starter cut relay. Refer to STARTING/CHARGING SYSTEMS (H4DOTC)>STARTER RELAY .

    Is the check result OK?

    Yes  : Go to  18.

    No  : Replace the starter cut relay. Refer to STARTING/CHARGING SYSTEMS (H4DOTC)>STARTER RELAY .

  18. CHECK INPUT VOLTAGE OF STARTER RELAY  .
    1. Remove the starter relay.
    2. Connect the connector to ECM.
    3. While depressing the brake pedal, press the push button ignition switch once, and measure the voltage between M/B (starter relay) terminal No. 1 and No. 2 and engine ground.

      Terminals 

      No. 1 (+) - Engine ground (-):

      No. 2 (+) - Engine ground (-):

      NOTE: Shift the select lever to "P" range.

    Is the voltage 10 V or more?

    Yes  : Go to  19.

    No  : No 

    Repair the following item.

    • Open circuit in harness between M/B (starter relay) and M/B (starter cut relay)
    • Open circuit of the harness between M/B (starter relay) and F/B (IG1 relay) connector
  19. CHECK HARNESS BETWEEN ECM AND M/B (STARTER RELAY)  .
    1. Turn the ignition to OFF.
    2. Disconnect the connector from ECM.
    3. Measure the resistance of harness between ECM connector and M/B (starter relay) terminal No. 4.

      Connector & terminal 

      (B61) No. 9 - No. 4:

    Is the resistance less than 1 Ω?

    Yes  : Go to  20.

    No  : Repair the following item.

    • Open circuit in harness between ECM connector and M/B (starter relay)
    • Replace M/B
  20. CHECK STARTER RELAY  .

    Check the starter relay. Refer to STARTING/CHARGING SYSTEMS (H4DOTC)>STARTER RELAY .

    Is the check result OK?

    Yes  : Check the following item and repair if necessary.

    • Open circuit of harness between M/B (starter relay) and starter motor connector
    • Poor contact of coupling connector

    No  : Replace the starter relay. Refer to STARTING/CHARGING SYSTEMS (H4DOTC)>STARTER RELAY .

NOTE: After the faulty parts are repaired or replaced, perform the final check in Basic Diagnostic Procedure. Refer to ENGINE (DIAGNOSTICS) (H4DOTC)>Basic Diagnostic Procedure>PROCEDURE .