LEMON Manuals: Even more car manuals for everyone
Home >> Subaru >> 2020 >> Outback Base >> Repair and Diagnosis (Single Page) >> Body & Frame >> Windows >> Power Window System (Diagnostics) >> General Description >> System Block Diagram

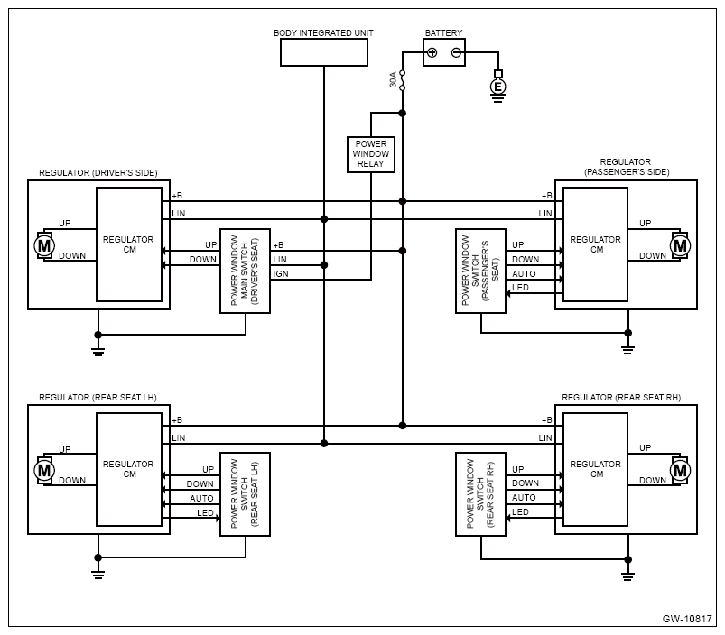
System Block Diagram

The base grade regulator (driver's and passenger's seats) or the regulator for other than the base grade (all seats) is equipped with a control module that controls the operational speed. It is connected with the body integrated unit via LIN communication. Operation is performed using individual switches. Only the seat equipped with the control module uses PLS signals of motor for auto-reversing and controlling operational speed.

NOTE: The following diagram varies depending on the equipment and grades.
G13633001Courtesy of SUBARU OF AMERICA, INC.